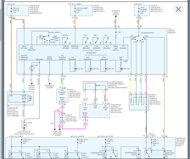
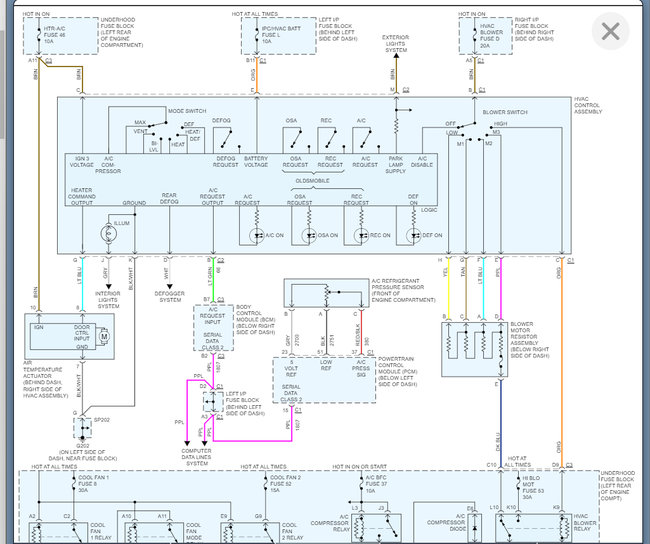
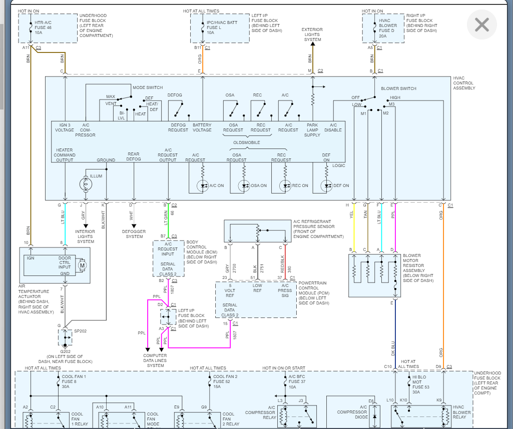
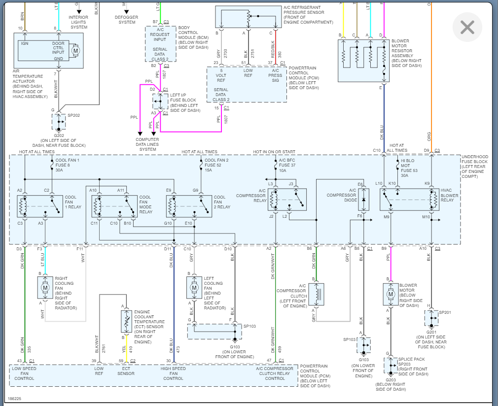
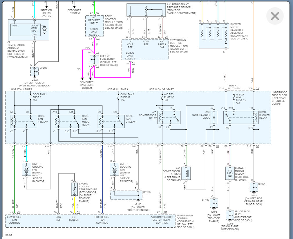
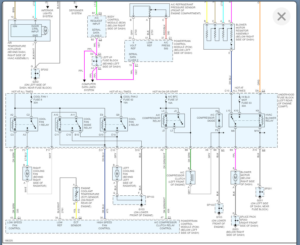
A/C blower does not work; radio turns on on Accessories, but not when engine running and goes on when engine is turned off; power windows do not work; headlights do not work on Auto, come on when engine is turned off; instrument panel gauges do not work. Dome light , blinkers , door locks and wipers OK. Installed new battery yesterday - all worked fine this AM, not this afternoon.
Apr 14, 2010 at 8:34 PM

