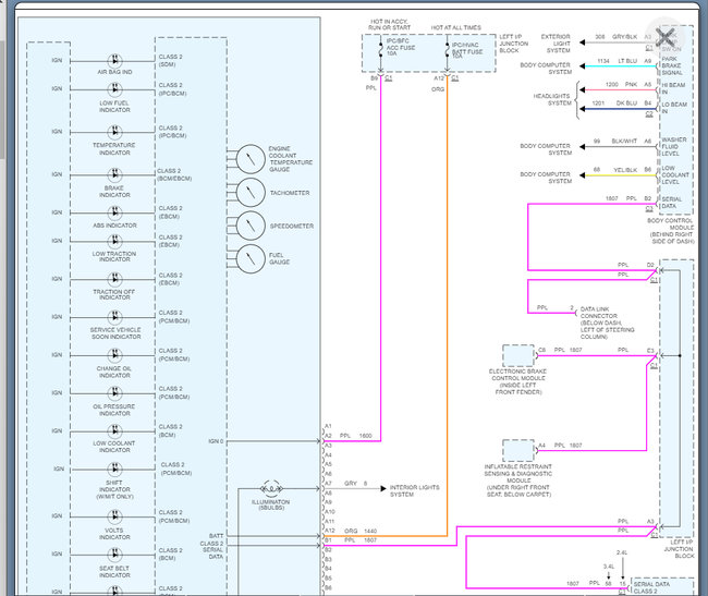
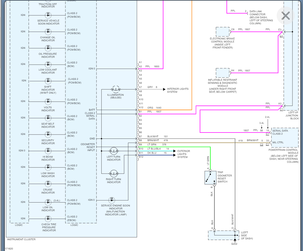
II was checking my fuses yesterday in the driver's side fuse box and now my gas gauge, speedometer, and temp gauge aren't working. I tried rechecking my fuses and also giggling the key in the ignition switch to see if that would help. Still nothing.
What should I do?
What should I do?
Sep 7, 2010 at 3:33 PM

