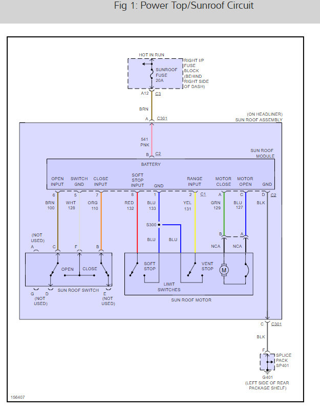
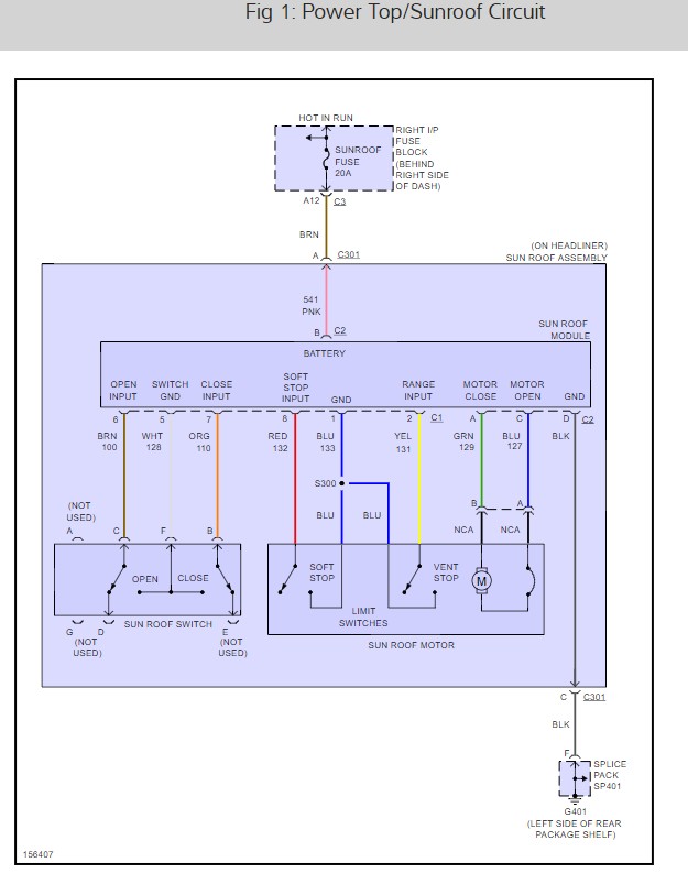
My sunroof is stuck in the vent open position and will not close. The sunroof continues to open and close regularly, but the vent stays open. I assume this is an electrical problem and replaced the fuse for the sunroof, but it did nothing. Can you let me know if you have seen this before and what i can do to fix it.
Mar 31, 2009 at 11:57 AM
