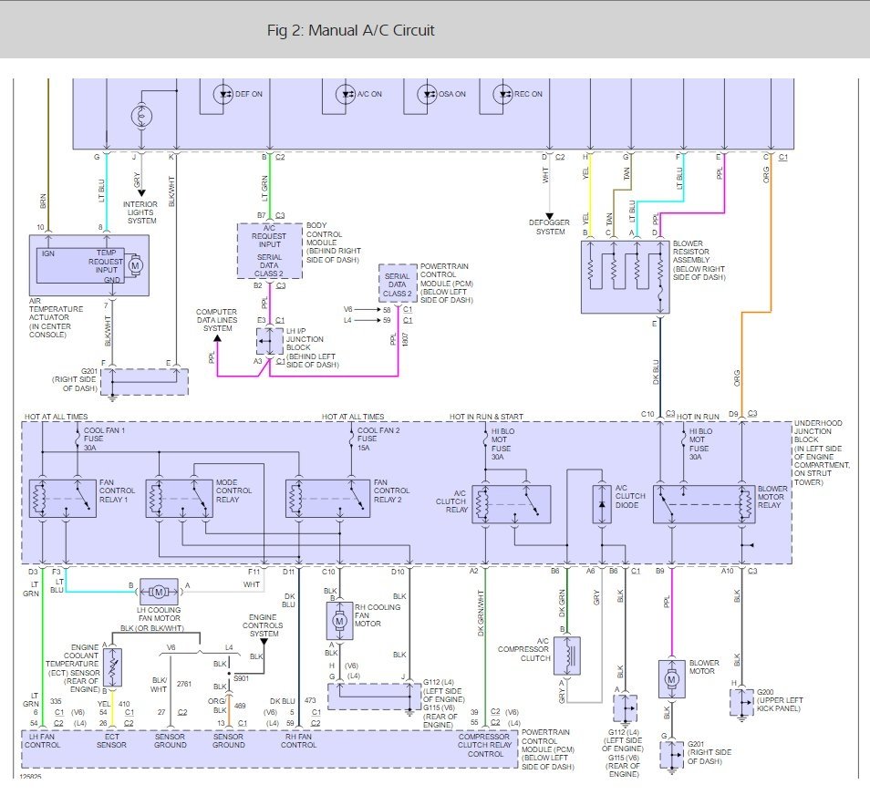
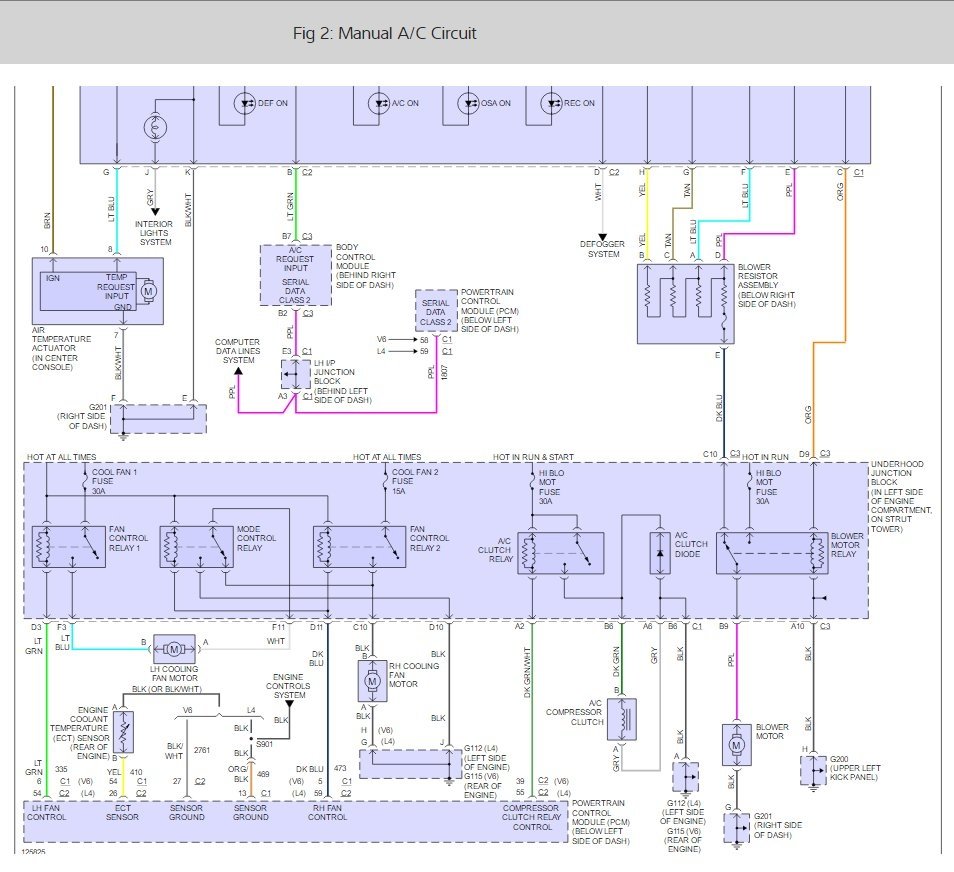
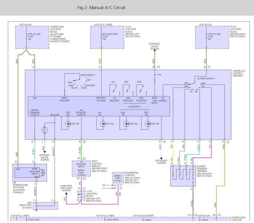
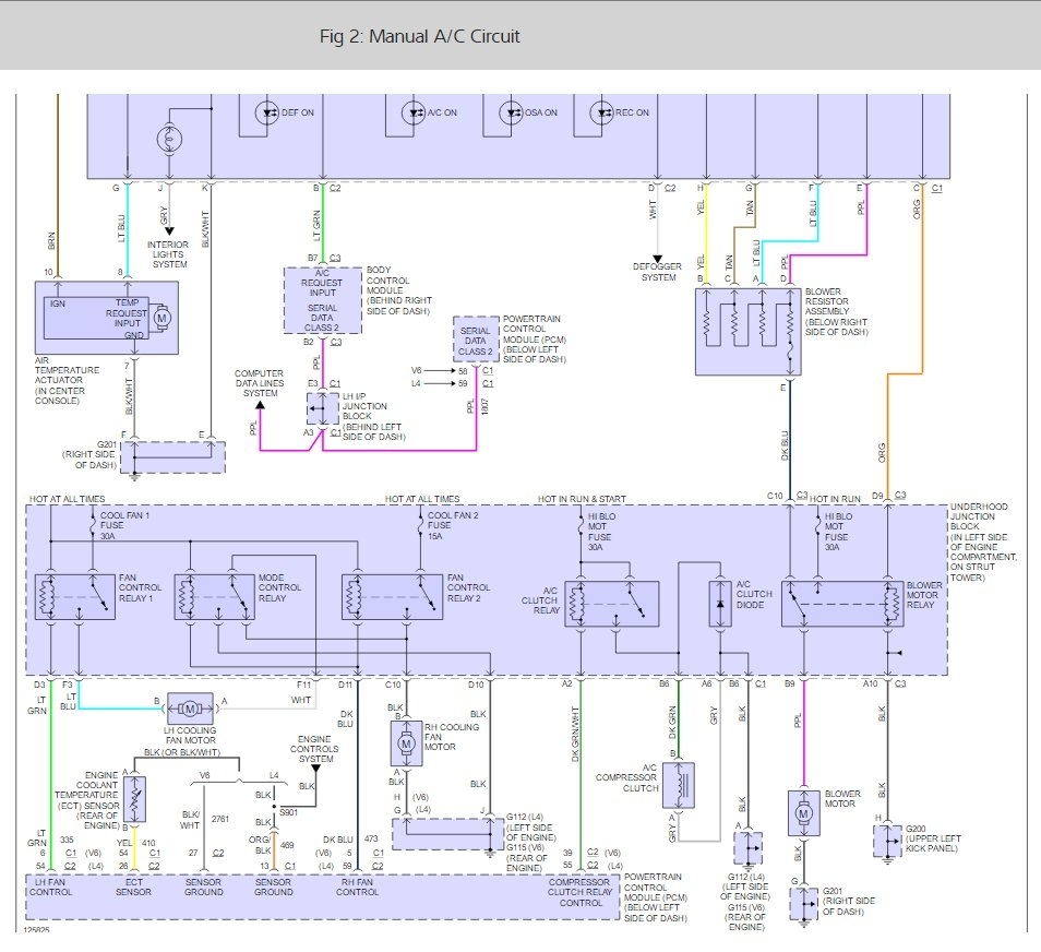
cooling fans not running

2002 OLDSMOBILE ALERO
114,500 MILES • 6 CYL • FWD • AUTOMATIC
Avatar
RRATKE
  • MEMBER
  • 1 POST
My car starting over heating so I checked under the hood and notice I had lost antifreeze from the surge tank. I added more antifreeze, started the engine and noticed the cooling fans were not running. Do they turn on only when needed or is there a problem with a fuse or relay? Thanks for the help!!
Oct 23, 2010 at 12:28 PM
Advertisement
Avatar
JACOBANDNICKOLAS
  • CERTIFIED EXPERT
  • 110,175 POSTS
They turn on at a predetermined temperature. Do they turn on if you allow the temp to start going beyond normal?

This guide will help us fix it

https://www.2carpros.com/articles/engine-overheating-or-running-hot

Please run down this guide and report back.
Oct 25, 2010 at 4:29 PM
Avatar
DAVEB243
  • MEMBER
  • 1 POST
hi my aleros cooling fans will not come on the car overheats at idle but is fine on the highway i checked all relays and fuses jumper wired fans and both worked when wired straight to battery any ideas about whats going on also i wondered could the fact that the ac is not working have any thing to do with it could it be possible that the pcm reads no pressure and does not turn on compressor fan because fan should come on when ac button is on right?
May 30, 2019 at 8:28 PM (Merged)
Advertisement
Avatar
BLUELIGHTNIN6
  • CERTIFIED EXPERT
  • 16,542 POSTS
it's possible, check for faulty A/C pressure switch, also test out the engine coolant temp. sensor.
May 30, 2019 at 8:28 PM (Merged)
Avatar
PUDDING
  • MEMBER
  • 1 POST
Engine Cooling problem 6 cyl Front Wheel Drive Automatic 105000 miles
----------------------------------------------------------------
cooling fans wont kick in. Tested fans and they work fine. Put new coolant temp sensor in, and no change. Fuses and relays check out fine. Where do I go next? Any suggestions? Your thoughts and ideas will be greatly appreciated.

Cooling fans don't come on with AC, and now realize AC clutch doesn't engage when push the AC button

Thanks for any possibilities.
May 30, 2019 at 8:29 PM (Merged)
Avatar
STRAILER
  • CERTIFIED EXPERT
  • 53,854 POSTS
Hello,

It sounds like the system has lost power so I would start by seeing if the fuses have power on both sides and then I would check the air conditioner relays. Here are some guides and air conditioner wiring diagrams to help you do some testing and get the problem fixed.

https://www.2carpros.com/articles/how-to-check-a-car-fuse

and

https://www.2carpros.com/articles/how-to-check-an-electrical-relay-and-wiring-control-circuit

and

https://www.2carpros.com/articles/how-to-check-wiring

Please run some tests and get back to us so we can continue helping you.

Cheers, Ken
May 30, 2019 at 8:29 PM (Merged)
Avatar
CAUSETTE1108
  • MEMBER
  • 1 POST
the electric fan not coming on to cool engine and car is getting hot. Could it be the relay switch? If so, where do I find the relay switch. or, maybe it is a fuse?? How can I find out what it is without spending money I do not have?
May 30, 2019 at 8:29 PM (Merged)
Avatar
HMAC300
  • CERTIFIED EXPERT
  • 48,601 POSTS
check fuses and relays under hood first. then check to see if fans are getting power, tat least one should go on when a/c is turned on.
May 30, 2019 at 8:29 PM (Merged)
Avatar
MR. JOSHWA
  • MEMBER
  • 1 POST
i replace my car cooling fans and they still don't work...jus want to know wat may be the problem
May 30, 2019 at 8:29 PM (Merged)
Avatar
BLUELIGHTNIN6
  • CERTIFIED EXPERT
  • 16,542 POSTS
hello and thanks for donating


could be faulty fuse, cooling fan relay(s) or bad engine coolant temp. sensor. need to test/check these components first.
May 30, 2019 at 8:29 PM (Merged)
Avatar
OVERWORKED
  • MEMBER
  • 7 POSTS
Why are the cooling fans not working when they should be?
May 30, 2019 at 8:29 PM (Merged)
Avatar
SATURNTECH9
  • CERTIFIED EXPERT
  • 30,869 POSTS
So the car overheats and the fans arent on?Please explain whats going on?
May 30, 2019 at 8:29 PM (Merged)
Avatar
OVERWORKED
  • MEMBER
  • 7 POSTS
As the temp goes up,the fans should start and cool the rad,but not starting. I changed the relays around to see if this was it. I also checked the fuses,not it. I was told that it may be a thermostat sensor but do not know where it is located.
May 30, 2019 at 8:29 PM (Merged)
Avatar
SATURNTECH9
  • CERTIFIED EXPERT
  • 30,869 POSTS
The coolant temp sensor is screwed into right where the upper hose goes onto the engine.Do you have a multimeter to do some testing?So the temp gauge goes up to where the fan normally comes on and the fan isn't coming on?Do any of the fans come on when the a/c is on at anytime?
May 30, 2019 at 8:29 PM (Merged)
Avatar
WRENCHTECH
  • CERTIFIED EXPERT
  • 20,761 POSTS
I believe you're expecting them to come on too soon. They aren't programmed to come on until about 225 or higher. That is intentional.
May 30, 2019 at 8:29 PM (Merged)
Avatar
OVERWORKED
  • MEMBER
  • 7 POSTS
The temp gauge is almost to the H,and even when the airconditiner is on,they don't work. I have a multimeter to check this sensor,but I did'nt know where it was located till now. Thanks.
May 30, 2019 at 8:29 PM (Merged)
Avatar
MARCG83
  • MEMBER
  • 1 POST
The cooling fans on my Alero do not seem to be working. The temp gauge has been climbing lately and I do not hear the fans go on at all. In addition, my A/C has not been working. I have tried charging the system with refridgerant but it does not operate. Are the 2 systems linked? What ca be causing the fans not to operate when the engine temp is obviously high enough for them to go on. I have not yet changed the relays.
May 30, 2019 at 8:29 PM (Merged)
Avatar
DRAKEVR
  • MEMBER
  • 1 POST
I have the same problem. I have changed the relay and the collant cap and it still gets hot. I was told that the cars computer is not telling the fans to come or stay on. You may have to take it and have a computer test done on it to find out where the problem is coming from.
May 30, 2019 at 8:29 PM (Merged)
Avatar
WRENCHTECH
  • CERTIFIED EXPERT
  • 20,761 POSTS
Have you tested the fan motor itself?
May 30, 2019 at 8:29 PM (Merged)
Avatar
SATURNTECH9
  • CERTIFIED EXPERT
  • 30,869 POSTS
The best way to solve this mystery is to get a infared temp gun that measures surface temps they are pretty cheap and can be used for a lot of different things.Use it to measure temp where the upper hose goes on the engine and see what temp its getting up too and when it reaches the correct temp about 225-226 you can see if the fan comes on if it doesnt then you can see if you have power and ground to your radiator fan motor and go from there.
May 30, 2019 at 8:29 PM (Merged)
Avatar
KEWANTTOKNOW
  • MEMBER
  • 4 POSTS
Just replace intake manifold gaskets Upper & lower. No leaks engine runs fine. Fans comeon with A/C., & can turn them on with my scanner two speeds low & high. With car idling without A/C on. fan don't come on. Could the engine computer be the problem?
May 30, 2019 at 8:30 PM (Merged)
Avatar
RASMATAZ
  • CERTIFIED EXPERT
  • 75,992 POSTS
Check and test the coolant temperature sensor
May 30, 2019 at 8:30 PM (Merged)
Avatar
KEWANTTOKNOW
  • MEMBER
  • 4 POSTS
I replace the coolant temp sensor, sensor below thermostat housing. Is that the sensor your replying to?
May 30, 2019 at 8:30 PM (Merged)
Avatar
RASMATAZ
  • CERTIFIED EXPERT
  • 75,992 POSTS
For what liter engine?
May 30, 2019 at 8:30 PM (Merged)
Avatar
KEWANTTOKNOW
  • MEMBER
  • 4 POSTS
3.4L V6
May 30, 2019 at 8:30 PM (Merged)
Avatar
RASMATAZ
  • CERTIFIED EXPERT
  • 75,992 POSTS
See below
May 30, 2019 at 8:30 PM (Merged)
Avatar
KEWANTTOKNOW
  • MEMBER
  • 4 POSTS
Yes I replace the coolant temp sensor. I check the voltage at the connector 5 volts on one and complete ground on the other one.
May 30, 2019 at 8:30 PM (Merged)
Avatar
RASMATAZ
  • CERTIFIED EXPERT
  • 75,992 POSTS
Could be the computer or a relay, have it further checked and tested
May 30, 2019 at 8:30 PM (Merged)