2001 Oldsmobile Alero Heater Control Switch

2001 OLDSMOBILE ALERO
64,000 MILES • 6 CYL • FWD • AUTOMATIC
Avatar
LILQTEE469
  • MEMBER
  • 1 POST
How do you change a heater control switch? And will a 2004 model switch fit my 2001?
Jan 16, 2010 at 8:26 AM
Advertisement
Avatar
KHLOW2008
  • CERTIFIED EXPERT
  • 41,814 POSTS
Hi lilqtee469,

Thank you for the donation. Here are the procedures for replacing the control panel.

Removal & Installation

1. Remove ignition switch bezel using small flat-blade screwdriver.
Remove instrument panel accessory trim plate from instrument panel, by pulling from storage compartment to release retainers.
Disconnect lighter and hazard warning switch electrical connectors.
Remove instrument panel accessory trim plate.

2. Remove 2 control assembly retaining screws.
Pull control assembly out and disconnect electrical and vacuum connectors.
Remove control assembly.
To install, reverse removal
procedure.

© 2008 Mitchell Repair Information Co., LLC.

From our database, the control is interchangeable between 2001 and 2004.
Jan 17, 2010 at 12:18 PM
Avatar
MIKEY LOCKWOOD
  • MEMBER
  • 1 POST
How do you reconnect the vacuum lines for the heater control switch? I was trying to replace my radio and thought I had to take that out and I pulled on the wire and hoses I hear air and now I don't have heat it's freezing out. any ideas 2005 Oldsmobile Alero?
Jan 21, 2022 at 7:23 PM
Advertisement
Avatar
JACOBANDNICKOLAS
  • CERTIFIED EXPERT
  • 110,175 POSTS
Hi,

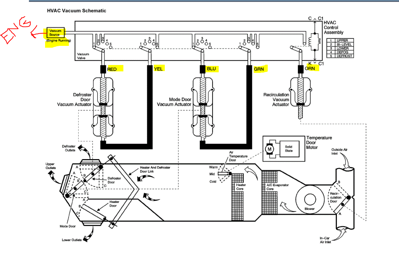
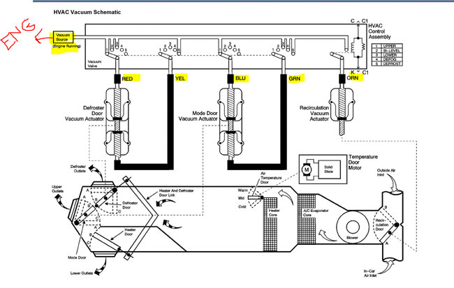
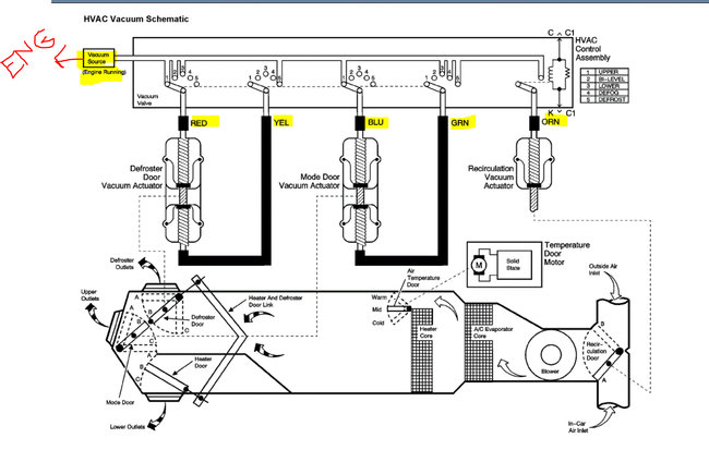
On the rear of the controller, you will see where the vacuum hoses attach. The hoses are identified by color.

Pic 1 below shows how they attach to the rear of the controller. The arrow I added is the vacuum supply from the engine.

The bottom of the pic indicates where the hoses go. Take a look through this and let me know if this helps.

Take care,

Joe
Jan 23, 2022 at 7:43 PM