2001 Oldsmobile Alero

2001 OLDSMOBILE ALERO
129,789 MILES • 6 CYL • FWD • AUTOMATIC
Avatar
COJOHNSON01
  • MEMBER
  • 5 POSTS
MY COOLING FANS ONLY WORK ON HIGH SPEED WHEN I SWITCH THE AC BUTTON TO ON. AFTER I TURN THE AC BUTTON OFF THE COOLING FANS KEEP RUNNING ON HIGH SPEED UNTIL I TURN THE CAR OFF.
Jun 7, 2009 at 6:02 PM
Advertisement
Avatar
JACOBANDNICKOLAS
  • CERTIFIED EXPERT
  • 110,175 POSTS
Are you refering to the cooling fans in the car or the ones for the radiator?
Jun 8, 2009 at 4:29 PM
Avatar
COJOHNSON01
  • MEMBER
  • 5 POSTS
The radiator cooling fans are what im talking about. I did replace the coolant temperature sensor but the fans still won't come on when temp gauge needle reaches halfway point unless i click the ac button on to cut on fans.
Jun 10, 2009 at 6:17 PM
Advertisement
Avatar
JACOBANDNICKOLAS
  • CERTIFIED EXPERT
  • 110,175 POSTS
If the fans work and you replaced the temp sensor, the only other thing to check would be the fan relay.
Jun 11, 2009 at 12:03 AM
Avatar
COJOHNSON01
  • MEMBER
  • 5 POSTS
THANK YOU I WILL TRY THAT AND SEE IF THAT SOLVES THE PROBLEM.
Jun 11, 2009 at 2:47 PM
Avatar
JACOBANDNICKOLAS
  • CERTIFIED EXPERT
  • 110,175 POSTS
Let me know what you find. IF the relay checkes good, you will need to start checking wiring for a bad connection or broken wireing.
Jun 13, 2009 at 12:17 PM
Avatar
COJOHNSON01
  • MEMBER
  • 5 POSTS
I replaced all the fan relays and no luck. I also checked the wiring and could not find anything. Do you think the computer colud be the problem?
Jun 13, 2009 at 1:48 PM
Avatar
JACOBANDNICKOLAS
  • CERTIFIED EXPERT
  • 110,175 POSTS
It could have something to do with the problem. But don't replace it until you have checked everything else. There could be a wire that is broken down internally. Have you checked for continunity?
Jun 14, 2009 at 4:29 PM
Avatar
COJOHNSON01
  • MEMBER
  • 5 POSTS
No I haven't. Can i do that with my multimeter?
Jun 15, 2009 at 2:35 PM
Avatar
JACOBANDNICKOLAS
  • CERTIFIED EXPERT
  • 110,175 POSTS
Most multimeters have a continuity tester bilt into them.
Jun 15, 2009 at 7:51 PM
Avatar
CORY ROBISON
  • MEMBER
  • 3 POSTS
Did you find the problem? My 2000 Olds Alero 2.4l is doing the same thing with the cooling fans not coming on unless I turn the A/C on and then off.
Sep 7, 2021 at 11:34 AM
Avatar
KASEKENNY
  • CERTIFIED EXPERT
  • 18,907 POSTS
It is doubtful that this person will respond as it is well over 10 years old.

So let's try and solve this so that others will benefit from your solution.

If the fans only come on by turning the A/C on and off, then I suspect we have a temp sensor issue or a PCM issue that is not turning them on.

Let's start with checking for codes and then we need to check the relays.

https://www.2carpros.com/articles/checking-a-service-engine-soon-or-check-engine-light-on-or-flashing

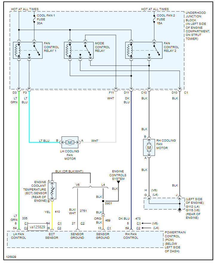
Basically we need to monitor the left hand cooling fan control. Clearly we know the relays are working when the A/C gets turned on but if the PCM is not turning them on when it should then that is either a sensor or PCM issue.

So let's check the wire to find out if the PCM is grounding the relay 1. Put your test light on battery positive and the probe on the light green wire. If the light of the test light comes on then the PCM is grounding it and the fan should be on.

If not then it is a relay issue.

Please see the wiring diagram below and let's go from there. Thanks
Sep 7, 2021 at 7:59 PM
Avatar
CORY ROBISON
  • MEMBER
  • 3 POSTS
Thanks for the reply. I’ll check the wires you mentioned and let you know what I find. Additionally, I replaced the ECT sensor and still have the same issue. I have a OBD2 code reader that also has data stream built into it. I had no trouble codes relating to the coolant temp sensor before replacing it. The new sensor also has no troubles codes. I have seen the coolant temperature on my code reader reach 222 degrees and the fans still never came on (with the A/C off the whole time) I had to turn the A/C on and then back off to get the fans to engage to cool the engine back down.
Sep 11, 2021 at 3:14 AM
Avatar
KASEKENNY
  • CERTIFIED EXPERT
  • 18,907 POSTS
Okay. You said you had no codes related to the ECT. Did you have any codes at all?

However, I suspect we have a PCM issue. If the fact that you turn the AC on and the fans kick on then you are basically tricking the PCM because it is supposed to turn just the cooling fan on when the engine gets hot. Then when the A/C is on, the condenser fan needs to be on as well. So the issue is, the PCM is not seeing the ECT signal as a trigger to turn the cooling fan on but then when you turn the A/C on it naturally turns both fans on.

This sounds like a controller issue. A relay issue is unlikely because it is able to turn the fan on as soon as you turn the A/C on so we know that if it just gets the signal to turn on, it is able to do it.

This means we need to jump to testing the control wires from the PCM. Remember these are ground control so you need to put your meter on 12 volts and then the other lead on this wire to find out if it is applying the ground. I suspect it is not until you turn the A/C on and off.

Also, it is unlikely that the ECT sensor is the issue if you can read the coolant temp from the PCM. This means the PCM is getting the signal but it is just not grounding the relay like it should.

Hopefully this makes sense. Let me know if it doesn't. Thanks
Sep 11, 2021 at 8:43 AM
Avatar
CORY ROBISON
  • MEMBER
  • 3 POSTS
I did the test you suggested where I connect my test light to battery voltage and the probe to the relay ground for the coil side. What I found was this: with the A/C off and the engine running hot (slightly above half way on the temperature gauge) there was no ground on the light-green wire. When I turned the A/C on, the fans engaged. Turned the A/C back off and the fans stayed on. Removed number 1 control relay, both fans shut off, and I test the same ground wire, there was ground and the test light came on. So I think it’s safe to conclude that I have an internal issue inside the PCM. Unless there is a ground wire coming from the PCM to chassis ground that’s bad. But if this were the case, I would think it would affect more than just the the cooling fan control. What do you think?
Sep 17, 2021 at 8:12 PM
Avatar
KASEKENNY
  • CERTIFIED EXPERT
  • 18,907 POSTS
I am not looking at the vehicle to know for sure but based on this info, I agree 100% with what you are thinking. If the fans do come on then we know for sure they are working so they are just not being commanded on which would be the PCM.

If it were me, I would replace it and go from there. Let me know what happens. Thanks
Sep 17, 2021 at 8:38 PM