Horn

2000 OLDSMOBILE ALERO
Avatar
GWILTON06
  • MEMBER
  • 1 POST

My horn currently quit working and I was wondering what I should do about it?
Jun 10, 2010 at 9:14 PM
Advertisement
Avatar
BLUELIGHTNIN6
  • CERTIFIED EXPERT
  • 16,542 POSTS
check the fuse and horn relay. if OK then have to test the horn with 12v direct power to see if it sounds. if it doesn't, replace it. if it does, horn switch on steering wheel probably culprit.

Heres a guide on testing wiring, it will help

https://www.2carpros.com/articles/how-to-check-wiring


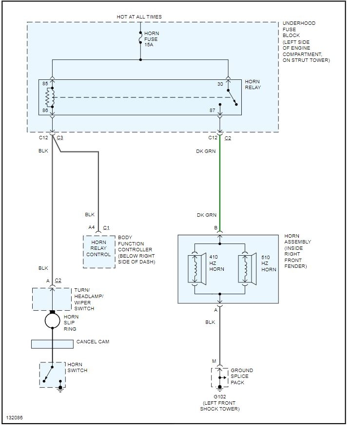
Attached below is the wiring diagram for your horn
Jun 10, 2010 at 9:24 PM
Avatar
DMCCANN126
  • MEMBER
  • 1 POST
I recently replace the drive belt on my alero and now the horn has stopped working. Did I do something wrong?
Mar 3, 2019 at 12:11 PM (Merged)
Advertisement
Avatar
BLUELIGHTNIN6
  • CERTIFIED EXPERT
  • 16,542 POSTS
drive belt replacement would not interfere with the horn. probably just a coincedence. test the fuse for the horn. if OK, check horn relay.
Mar 3, 2019 at 12:11 PM (Merged)