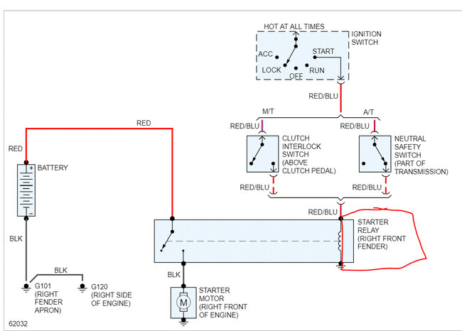
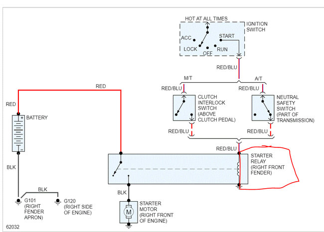
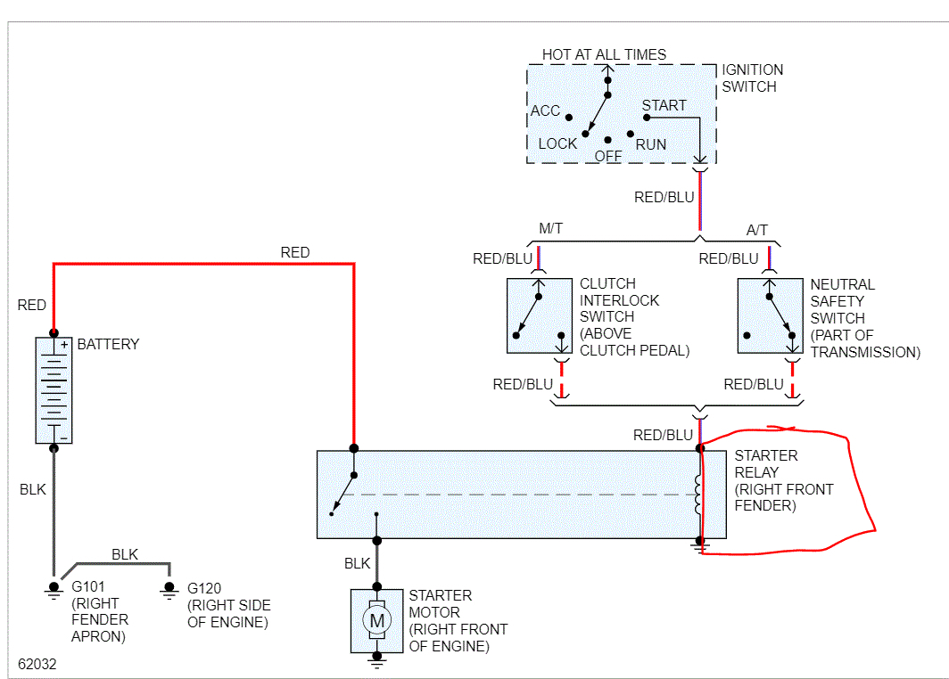
Okay, so originally thought one of the starter solenoids went bad, replaced it,but didn't solve issue,replaced starter, (when removed old one was so bad surprised it started at all). so now still when i go to start it the starter keeps going, don't know if i wired it back wrong. also thought it had 2 solenoids, one for the main starter and the other a backup emergency start one, but now not sure. I am so lost as to what wire goes where now and i am stuck in a parking lot for a week now. please, please help before i get towed.
It is not a van,it is a Ford Tioga Arrow by Fleetwood e350 460 engine.
It is not a van,it is a Ford Tioga Arrow by Fleetwood e350 460 engine.
Sep 13, 2020 at 5:22 PM
