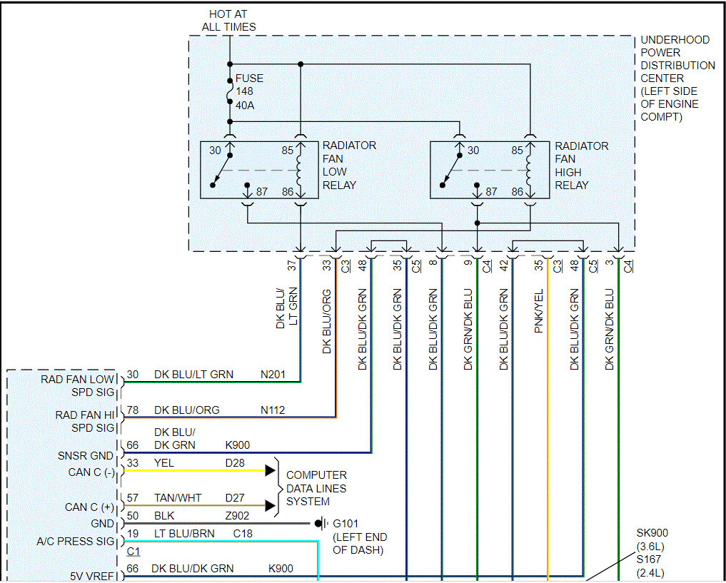
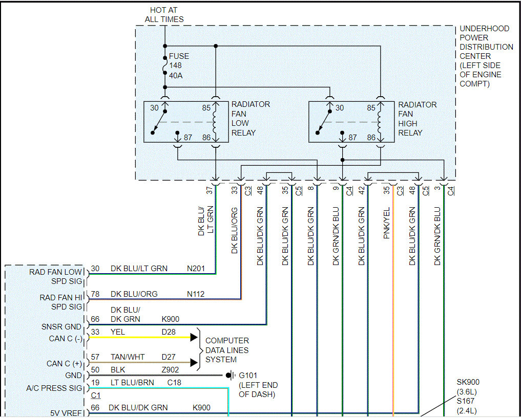
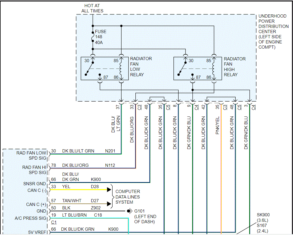
After car ran hot and towed to dealership, thermostat was replaced. On first drive, with 3,000 miles left to next oil change, the schedule oil change appeared on the dash. On the second drive, which was a trip over 40 miles with air conditioning on, the oil temperature notice appeared showing at 215 and outside temperature was around 95. I pulled over and stopped for one hour. I checked the oil.. it was not low, but the car seemed very, very hot. The oil seemed very hot also. The oil temperature went down to 167 after the one hour stop. I started to drive again the remaining 5 miles. The oil temperature went up to 204. I was at the destination for 2 hours. When I started the SUV the oil temperature was 129. On the return trip, I did not use the air conditioning, and it was much cooler outside at 9:00 pm. The oil temperature 204. 1 mile before my home, I turned the air conditioning on and the oil temperature went to 203. I drove the car 2 additional times trying to see reactions on 2 different days. One day the oil was 129 quickly. One day it was below 100. Each time, the oil temperature goes up to around 203, no air conditioning on. My SUV is running very quiet. I called the dealer tech, who is not a mechanic. He said 215 is normal because he asked the mechanic and my car is okay. He said I probably hit the button accidentally and made the oil temperature show. I told him that the fan never came on. I have not heard the fan since the night before the vehicle ran hot, two weeks ago. I talked to my mechanic cousin and they think the fan could have been reconnected wrong I have to leave my car at dealership again for this check and I just wonder what is the problem, and should the fan kick on at 200 oil temperature on this 4 cylinder car? All of my old vehicles were 8 and 6 cylinder. I am uneasy about traveling anywhere now. I appreciate your opinion so much.
Jun 2, 2021 at 4:44 PM


