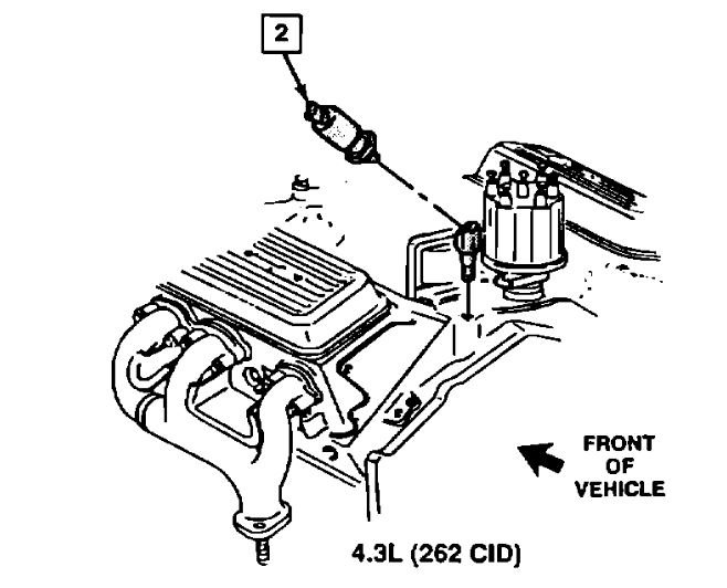
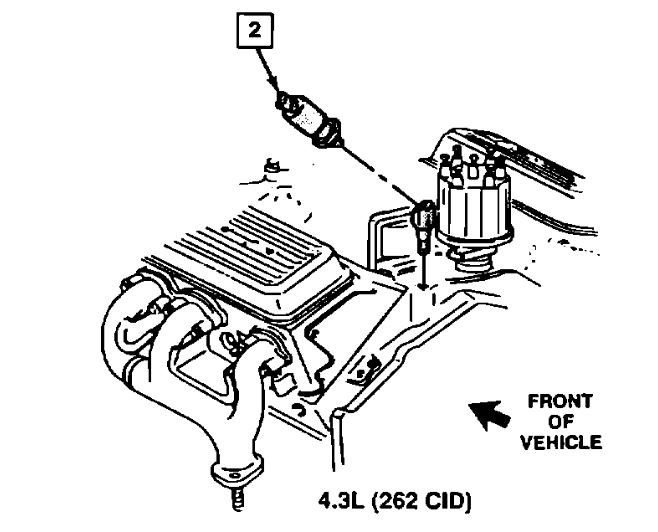
Oil sending unit location

1991 CHEVROLET S-10
198,000 MILES • 4.3L • V6 • 4WD • MANUAL
Avatar
JSTRI
  • MEMBER
  • 4 POSTS
I need to replace the oil sending unit but need to know where it is on my vehicle.
Jul 27, 2019 at 4:49 PM
Advertisement
Avatar
ASEMASTER6371
  • CERTIFIED EXPERT
  • 52,796 POSTS
Good afternoon,

It is right by the distributor. I attached a picture for you to view.

Roy
Jul 27, 2019 at 5:04 PM
Avatar
JSTRI
  • MEMBER
  • 4 POSTS
I suspected so but needed confirmation. Thank you for the prompt reply.
Jul 27, 2019 at 6:41 PM
Advertisement
Avatar
ASEMASTER6371
  • CERTIFIED EXPERT
  • 52,796 POSTS
You are welcome.

Always glad to help.

Roy
Jul 28, 2019 at 2:19 AM
Avatar
JSTRI
  • MEMBER
  • 4 POSTS
On my 1991 s10 I use synthetic blend oil. Is this good as my truck is a v6 with 200,000 miles?
Aug 5, 2019 at 7:13 PM
Avatar
ASEMASTER6371
  • CERTIFIED EXPERT
  • 52,796 POSTS
Yep. All good for it.

Roy
Aug 5, 2019 at 7:29 PM