Good morning,
The valve is in the oil pump itself. You will need to replace the oil pump.
https://www.2carpros.com/articles/high-or-low-engine-oil-pressure
It is located inside the oil pan itself.
The procedure is below.
I also included the procedure for removing the oil pan.
Roy
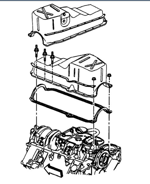
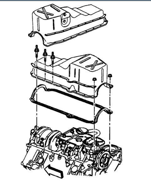
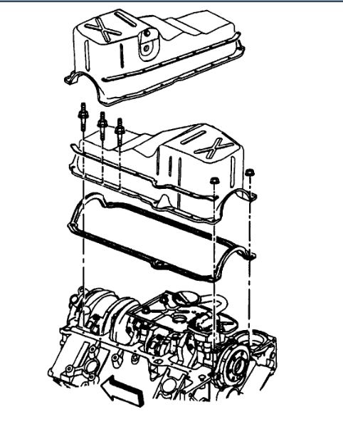
REPLACE
1. Remove oil pan.
2. Remove pump to rear main bearing cap bolt, then the pump and extension shaft.
3. Reverse procedure to install, noting the following:
a. Ensure bottom edge of oil pump screen is parallel to bottom edge of oil pan rails.
b. Tighten oil pump to rear main bearing cap bolt to specifications.
OIL PUMP SERVICE
1. Remove oil pump.
2. Remove pump cover screws and pump cover.
3. Mark gear teeth so they can be reassembled with same teeth indexing, then remove drive gear, idler gear and shaft.
4. Remove pressure regulator valve retaining pin, pressure regulator valve and related parts.
5. If pickup screen and pipe require replacement, mount pump in a soft-jawed vise and extract pipe from pump.
6. Wash all parts in solvent and dry with compressed air.
7. Inspect pump body and cover for cracks and excessive wear.
8. Inspect pump gears for damage or excessive wear.
9. Check drive gear shaft for looseness in pump body.
10. Inspect inside of pump cover for wear that would allow oil to leak past the ends of the gears.
11. Inspect pickup screen and pipe assembly for damage to screen, pipe or relief grommet.
12. Check pressure regulator valve for proper fit in pump housing.
13. Reverse procedure to assemble. Turn driveshaft by hand to check for smooth operation. The pump gears and body are not serviced separately. If the pump gears or body are damaged or worn, the pump assembly should be replaced. Also, if the pickup screen was removed, it should be replaced with a new one as loss of the press fit condition could result in an air leak and loss of oil pressure.
1. Disconnect battery ground cable.
2. Disconnect the oil level indicator.
3. Raise and support vehicle and drain the crankcase.
4. Remove front shield and front skid plate.
5. Remove the transmission oil cooler line from the bracket (automatic transmission only).
6. Disconnect the front propeller shaft at the front axle, please refer to Drive/Propeller Shafts, Bearings and Joints/Drive/Propeller Shaft/Service and Repair/
7. Remove two right side bolts and nuts and one left upper bolt and nut to remove the front axle from mounting brackets. It may be necessary to rotate the front drive axle forward and turn the front wheels to the left to remove the axle, please refer to Transmission and Drivetrain/Differential Assembly/Service and Repair/ See: Differential Assembly > Procedures
8. Disconnect strut rods at inspection cover,if equipped.
9. Remove exhaust crossover pipe.
10.Remove flywheel/torque converter inspection cover.
11.Remove the oil filter and adapter.
NOTE: On 1994-5 vehicles, it is necessary to loosen the transmission mounting bolts at the crossmember and raise the transmission enough to allow the oil pan to be removed.
12.Remove oil pan attaching bolts, nuts and reinforcements.
13.Remove oil pan and gasket.
Jan 3, 2019 at 5:02 AM