Replacing oil pan and need to know what type gasket to use?

2009 HONDA ACCORD
190,000 MILES • 3.5L • V6 • 2WD • AUTOMATIC
Avatar
BENJAMINTHERERRIBLE
  • MEMBER
  • 58 POSTS
Looking to replace my oil pan on my car listed above EX-L (V6 w/vcm), but as i understand it, Honda didnt use a gasket, but a Honda-specific silicone sealant only..
Is there a compatible RTV product or something i can use for that?
Appreciate you!
-BH
Jan 11, 2021 at 1:41 AM
Advertisement
Avatar
ASEMASTER6371
  • CERTIFIED EXPERT
  • 52,796 POSTS
Good morning,

Yes, it is called Honda Bond. The parts counter carries this sealer.

https://www.2carpros.com/articles/engine-is-leaking-oil

I attached a procedure for you below for the oil pan.

Roy

Engine Oil Pan Removal

1. If the engine is already out of the vehicle, go to step 6.

2. Raise the vehicle on the lift.

3. Drain the engine oil. See: Engine Oil > Removal and Replacement

4. Remove the splash shield. See: Engine > Removal and Replacement > Engine Removal

5. Remove exhaust pipe A. See: Engine > Removal and Replacement > Engine Removal

6. Remove the rear warm up three way catalytic converter (rear WU-TWC) bracket.


imageOpen In New TabZoom/Print



7. Remove the crankshaft position (CKP) sensor cover (A) and the bolt (B), then disconnect the CKP sensor connector (C).


imageOpen In New TabZoom/Print



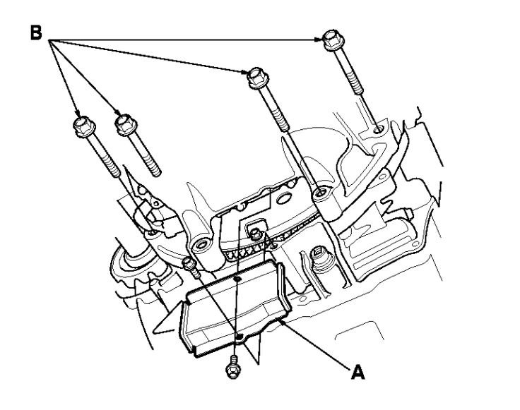
8. Remove the clutch/torque converter cover (A) and the four bolts (B) securing the transmission.

9. Remove the bolts securing the oil pan.


imageOpen In New TabZoom/Print



10. Using a flat blade screwdriver, separate the oil pan from the engine block in the places shown.

11. Remove the oil pan.


image
Jan 11, 2021 at 3:57 AM