Oil pan removal and replacement instructions needed

2007 DODGE CHARGER
100,463 MILES • 2.7L • V6 • 2WD • AUTOMATIC
Avatar
LOUIE SAMPSON
  • MEMBER
  • 1 POST
What do I need to remove to replace the oil pan?
Jan 21, 2021 at 5:34 PM
Advertisement
Avatar
ASEMASTER6371
  • CERTIFIED EXPERT
  • 52,796 POSTS
Good evening,

I posted the procedure below for you with pictures.

Let me know if you have any other questions.

Roy

REMOVAL


imageOpen In New TabZoom/Print

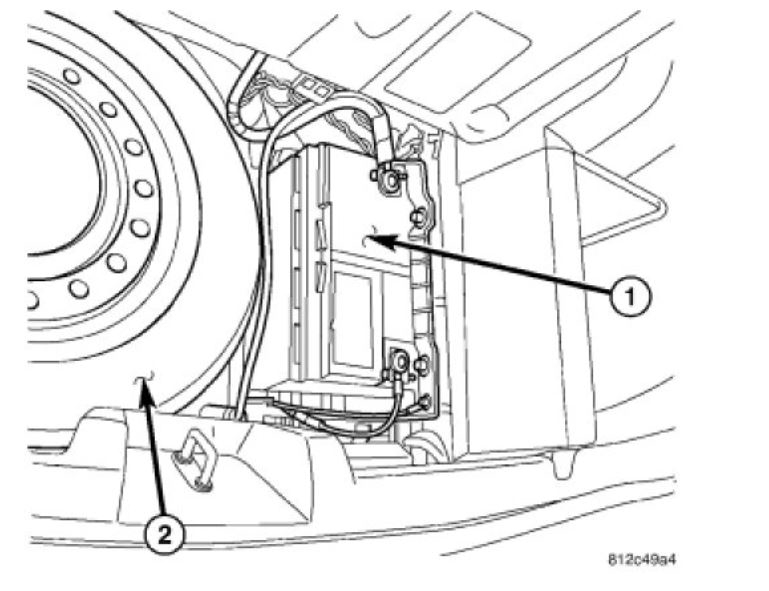
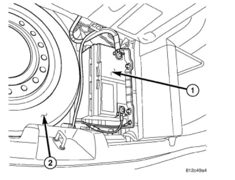
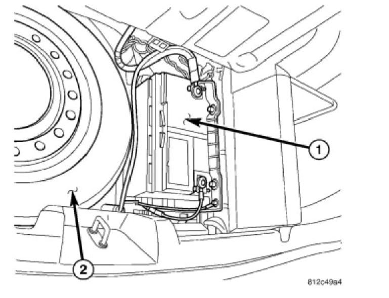
1. Disconnect negative battery cable (1) located in trunk.


imageOpen In New TabZoom/Print

2. Remove engine oil indicator (4).
3. Raise vehicle on hoist.


imageOpen In New TabZoom/Print

4. Remove lower splash shield retaining bolts (1) and splash shield (2).


imageOpen In New TabZoom/Print

5. Drain engine oil (5) and remove oil filter (3).


imageOpen In New TabZoom/Print

6. Remove the steering coupler bolt (4) and separate coupler (1) from rack (3).


imageOpen In New TabZoom/Print

7. Disconnect power steering pressure switch electrical connector (1).


imageOpen In New TabZoom/Print

8. Remove steering rack mounting bolts (1).


imageOpen In New TabZoom/Print

9. Remove power steering line support (2) from frame.
10. Reposition rack out of the way.
11. Remove structural collar.


imageOpen In New TabZoom/Print

12. Remove mounting bracket to oil pan lower bolt (1).
13. Remove A/C compressor bracket to oil pan lower bolt (2).


imageOpen In New TabZoom/Print

14. Remove lower timing chain cover to oil pan bolts (1).

CAUTION: Assure removal of the four lower timing cover bolts, as damage to the timing cover and/or oil pan may occur.

15. Remove oil pan and gasket.
Jan 21, 2021 at 5:44 PM