Hello, I'm Danny.
It sounds like you have a weak or failing alternator that just hasn't finally given up yet. To gain access to the alternator to remove you must first remove the serpentine belt. Here is a tutorial showing what is involved to replace a serpentine belt:
https://www.2carpros.com/articles/replace-serpentine-belt
After you remove the alternator all auto parts stores will test them for free. Here are tutorials showing how to test and replace an alternator:
https://www.2carpros.com/articles/how-to-check-a-car-alternator
https://www.2carpros.com/articles/how-to-replace-an-alternator
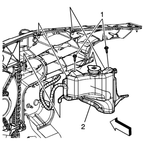
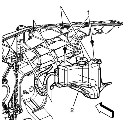
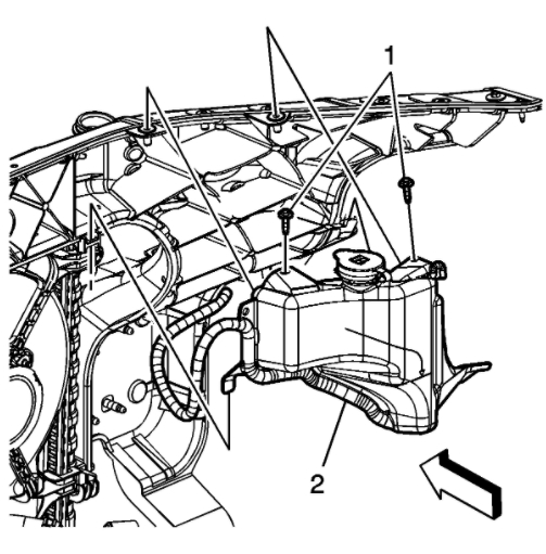
I've attached picture steps below on how to remove and replace both the serpentine belt and alternator on your vehicle. Once you have the alternator tested get back to us with the results and we'll go from there. If the alternator is bad then problem solved. If still good we'll go to the next step. Hope this all helps and thanks for using 2CarPros.
Images (Click to enlarge)
Dec 18, 2020 at 7:37 PM