Odometer/trip odometer stopped working

1993 CHEVROLET S-10
102,000 MILES • 4.3L • V6 • 2WD • AUTOMATIC
Avatar
NISSIM1920!
  • MEMBER
  • 3 POSTS
The odometer/trip odometer stopped working at the same time. Speedometer works fine. I only drive once a week for a short distance. Car garaged for most of the years I have had it. Bought it new in 1993. Everything else works okay. Just the above mentioned problem.
Thank you for any help you can give me.
Feb 1, 2019 at 12:35 PM
Advertisement
Avatar
STRAILER
  • CERTIFIED EXPERT
  • 53,854 POSTS
Hello,

The mileage trip is held in the instrument cluster which sounds like it is going out. here is a video that shows how to fix the problem. The car is similar but the process is the same.

https://youtu.be/_HEC44xENxw

Please run down this guide and report back.

Feb 2, 2019 at 3:08 PM
Avatar
NISSIM1920!
  • MEMBER
  • 3 POSTS
Hi Ken,
Thank you for the diagnosis. I just found an instrument cluster on e-bay last night. It was a long search since most clusters were either too expensive or basically expensive junk. I will get it in about 8 days and I'll let you know how it worked out.
Thanks again.
Michael.
Feb 7, 2019 at 11:04 AM
Advertisement
Avatar
STRAILER
  • CERTIFIED EXPERT
  • 53,854 POSTS
Sounds good please let me know what happens.
Feb 8, 2019 at 10:40 AM
Avatar
NISSIM1920!
  • MEMBER
  • 3 POSTS
Hi Ken,
I installed the instrument cluster last night and it works perfectly. Your diagnosis was correct and I thank you for that. If I have future issues, I will be back to ask for help. Thank you again so much.
Michael.
Mar 5, 2019 at 3:02 PM
Avatar
STRAILER
  • CERTIFIED EXPERT
  • 53,854 POSTS
Good to hear, please use 2CarPros anytime we are here to help.
Mar 6, 2019 at 2:26 PM
Avatar
DAVEBENN
  • MEMBER
  • 1 POST
I have a 1998 Chevy S-10 and sometimes the speedometer,odometer, fuel gauge and the temperture gauge stop working
Mar 6, 2019 at 2:27 PM (Merged)
Avatar
JACOBANDNICKOLAS
  • CERTIFIED EXPERT
  • 110,175 POSTS
The first thing to check is to make sure the wiring harness on the rear of the cluster is tight and undamaged. If it is good, make sure all body grounds are good. From there, have the body control module tested. If it is good, chances are the cluster itself is going bad.

Let me know what you find.
joe
Mar 6, 2019 at 2:27 PM (Merged)
Avatar
MIKE PETERSON2
  • MEMBER
  • 5 POSTS
I bought this vehicle with 40,000 miles about four years ago. It now has 60,000 miles. It has been a great truck. Only three things I have done to it besides change all the fluids and regular maintenance. has been put a new water pump, new front brakes, and a new battery. Shortly after I bought it I installed a new stereo. One day about two months ago, driving down the road when I notice the speedometer not working along with the odometer. A couple days later I decided to check all fuses. Nothing. Next I changed out the VSS and the connector going to it. Nothing. A few days later it started to work? As I kept driving it stopped working. So I got home and pulled the dash apart thinking it might be the cluster. Unplugged the cluster and plugged it back in several times. Each time the speedometer needle moved and then went back to zero. I also checked the connection and it looks great.( I have been driving the truck almost every day and sometimes it will work and sometimes it wont. I tried hitting potholes in the road to see if that would do anything like jar something loose) Thinking that the cluster is just fine, I read that it could be a connection to the stereo. Pulled it all out and checked the connections and everything looked just fine. I thoroughly and visually inspected the engine compartment for anything out of the ordinary.
A retired GM Mechanic that I know lives down the street. He had a scan tool from GM and did a full diagnostic on the truck. No codes were thrown. No dash lights. He programmed the PCM back to factory settings. He said that there was no signal from the BCM. Everything else looks perfect. I did not want to take to much of his time since this could take a while to exactly pinpoint what the problem is. The speedometer has been working less and less. Thinking this could possibly a wire thats grounded? One of the control modules? I have hit a wall. Any help would be great. Thank you
Mar 6, 2019 at 2:27 PM (Merged)
Avatar
HMAC300
  • CERTIFIED EXPERT
  • 48,601 POSTS
have it checked for a bad cluster they are digital and go bad?
Mar 6, 2019 at 2:27 PM (Merged)
Avatar
MIKE PETERSON2
  • MEMBER
  • 5 POSTS
How would I go about having it checked? Is there a specialist I should see or do I just take it to any mechanic? Is this tied into the Brake Control Module somehow or would that possibly be a separate issue?
Mar 6, 2019 at 2:27 PM (Merged)
Avatar
HMAC300
  • CERTIFIED EXPERT
  • 48,601 POSTS
if you receive power to the cluster then it is probably bad and they can be rebuilt but have to be reprogrammed to your vehicle. for a brake module you need to have that scanned for codes to see what is wrong as it can be a sensor or it will show up as a bad module on a scan.
Mar 6, 2019 at 2:27 PM (Merged)
Avatar
MIKE PETERSON2
  • MEMBER
  • 5 POSTS
Thank You. I will give that a shot and I will let you know what happens. Thanks again!
Mar 6, 2019 at 2:27 PM (Merged)
Avatar
STRAILER
  • CERTIFIED EXPERT
  • 53,854 POSTS
Hey Mike,

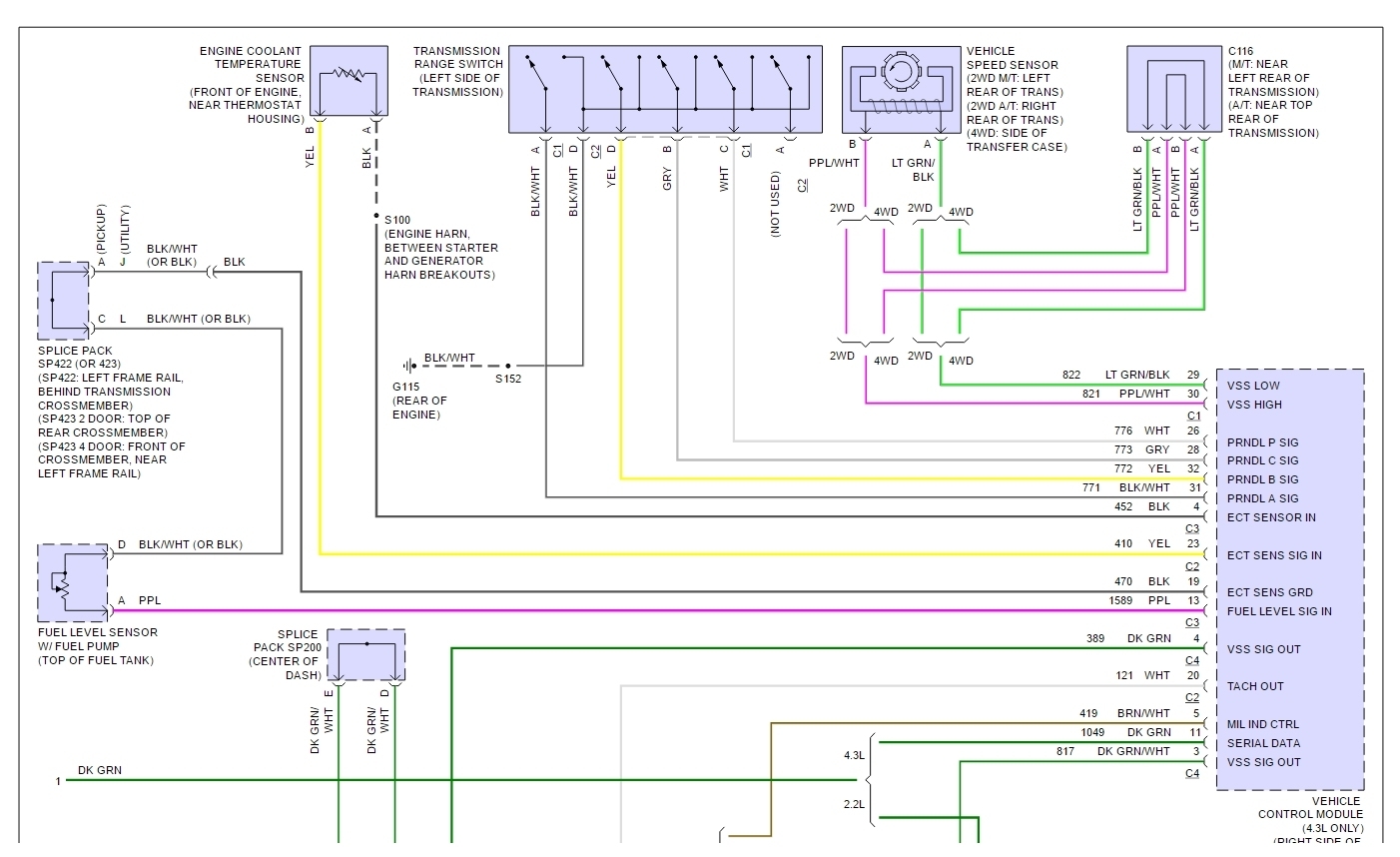
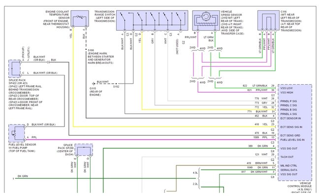
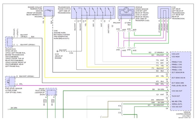
It looks like the speedo is monitored by the VCM so if the cluster is okay that is where I would look next.

Here is a diagram to help out.

Please let us know what you find so it will help others.

Best, Ken

Mar 6, 2019 at 2:27 PM (Merged)
Avatar
MIKE PETERSON2
  • MEMBER
  • 5 POSTS
I ended up finding a new stepper motor for the cluster and installed it....Fairly easy job, but still nothing:-(
Mar 6, 2019 at 2:27 PM (Merged)
Avatar
MIKE PETERSON2
  • MEMBER
  • 5 POSTS
When I install a new stepper motor, do I have to reset anything?
Mar 6, 2019 at 2:27 PM (Merged)
Avatar
HMAC300
  • CERTIFIED EXPERT
  • 48,601 POSTS
it has to be reprogrammed to your car
Mar 6, 2019 at 2:27 PM (Merged)
Avatar
STRAILER
  • CERTIFIED EXPERT
  • 53,854 POSTS
This could mean the VCM is out.
Mar 6, 2019 at 2:27 PM (Merged)