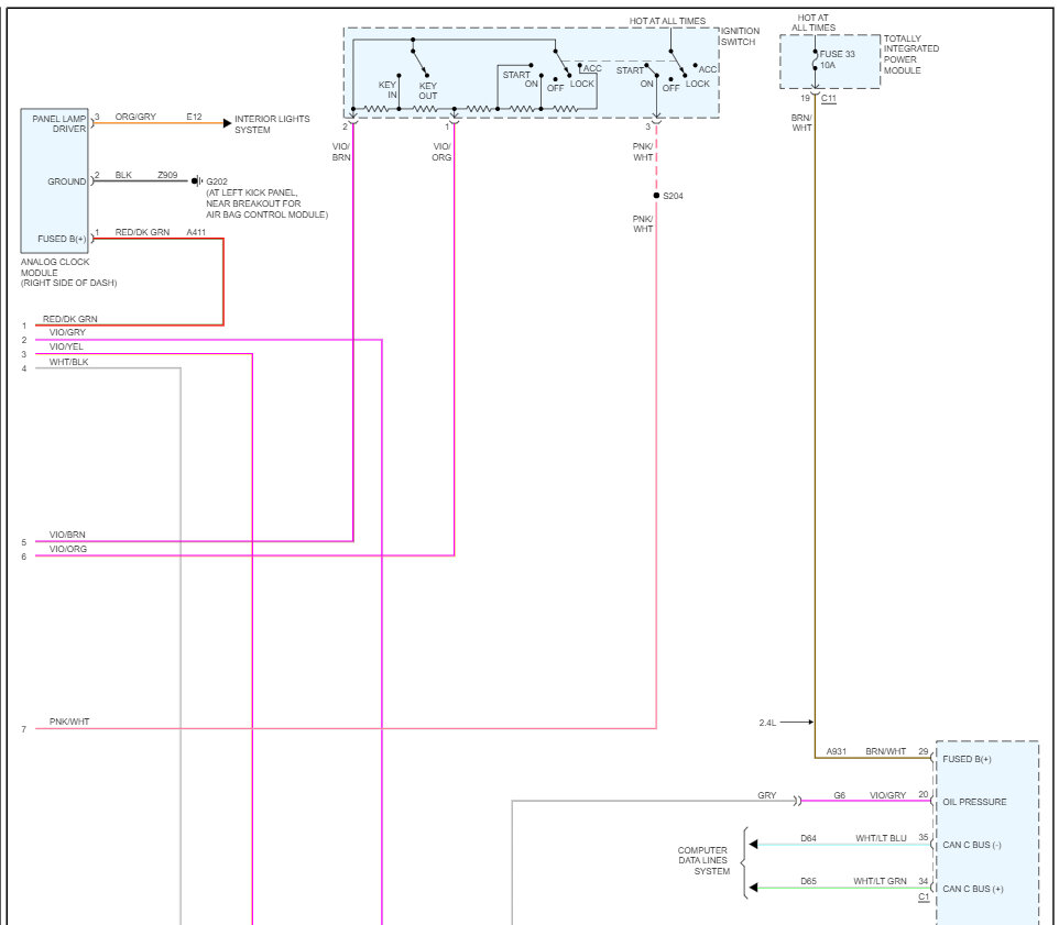
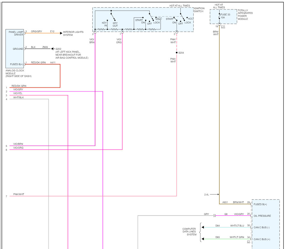
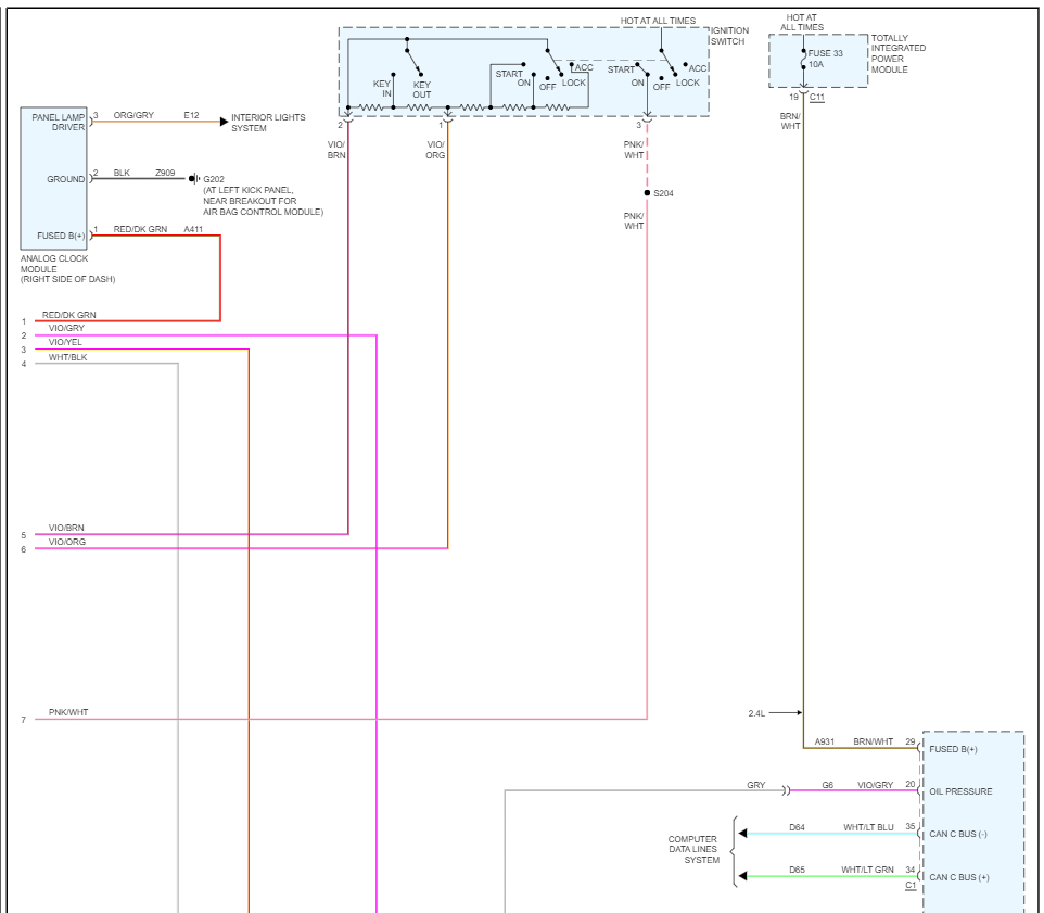
The odometer does not register correctly despite the speedometer working correctly. Again, just to clarify, the speedometer works correctly. When the car is started, placed into drive or reverse, and rolled a few feet, the odometer will start to add mileage even if the vehicle is parked. It will add 1/10th of a mile about every 45-50 seconds so long as the car is running and parked. If the car is, then driven it will add up mileage much more quickly. I.e. at 55 MPH, it will add 1/10th a mile about every 7 seconds (close to being accurate) It’s not uncommon to add 5-6 miles on a 2 mile round trip taking my son to school as I sit in line to drop him off. After 6 or 7 miles, the odometer will slow dramatically and only register about 1/3 of a mile for every mile driven. My work is almost an exact 19 miles round trip. My car will register 16-17 miles. One other part to this issue is I can stop the car while the odometer is registering miles more quickly, leave it running in park, and quickly turn the key off and on without stalling the car and the odometer will switch into reading slow or about 1/3 of a mile for every mile driven. For example, I start the car and drive 1/2 mile to a stop sign, place the car in park, cycle the key quickly without turning off the engine, and then drive on. The odometer will now register the miles far more slowly. It does not matter if the car is cold or warm. If i drive it for a while, completely shut it off and restart it, the odometer will read fast until I roll it a few feet and then cycle the key or just drive it several miles until it changes on its own. It affects both trip odometers, and fuel mileage estimation in the instrument cluster. There are no other issues with the car, and it runs really good.
I have replaced both input and output speed sensors, the instrument cluster (2 different units) the PCM by a dealership, and the TIPM (with a rebuilt model specifically for my VIN). The dealership mechanic emailed a Chrysler engineer, and the response was “instrument cluster”, even after it was stated I had already swapped the instrument cluster.
This issue was present when I bought the car just about a year ago. The previous owner had replaced the heater core and the ECM prior.
Both the dealership mechanic (25+ years' experience) and I are at a loss to explain what is happening. Demon possession?
I have replaced both input and output speed sensors, the instrument cluster (2 different units) the PCM by a dealership, and the TIPM (with a rebuilt model specifically for my VIN). The dealership mechanic emailed a Chrysler engineer, and the response was “instrument cluster”, even after it was stated I had already swapped the instrument cluster.
This issue was present when I bought the car just about a year ago. The previous owner had replaced the heater core and the ECM prior.
Both the dealership mechanic (25+ years' experience) and I are at a loss to explain what is happening. Demon possession?
Apr 6, 2023 at 10:05 PM



