OBDII No Communication with scanner?

2003 PORSCHE 911 TURBO
19,000 MILES • 3.6L • 6 CYL • 4WD • MANUAL
Avatar
SAM VANNALITH
  • MEMBER
  • 1 POST
Twin Turbo.

Bring to emissions testing center and came back with "no OBDII Communication" error. vehicle doesn't get driven often. battery get disconnected when park in garage. where do start to check, if it' fuse? which fuse number?

Thank you.

Sam
Feb 11, 2023 at 7:48 AM
Advertisement
Avatar
STRAILER
  • CERTIFIED EXPERT
  • 53,854 POSTS
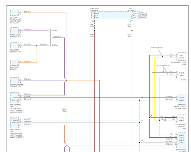
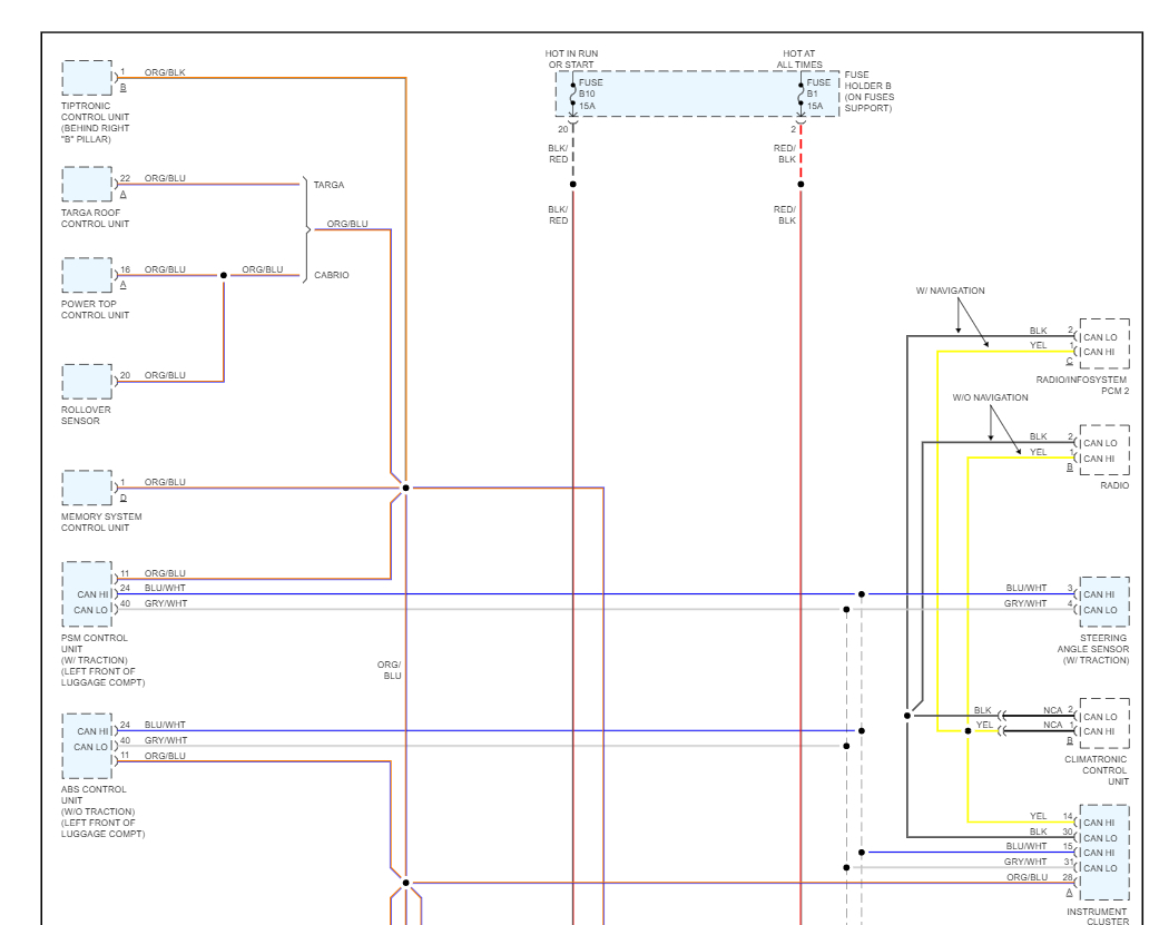
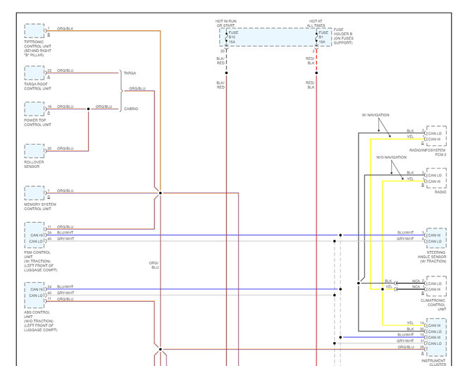
The first step in resolving this issue would be to check the OBD-II (On-Board Diagnostic System) fuse. The fuse B10 and B1, please check them with the key on, engine off.

https://www.2carpros.com/articles/how-to-check-a-car-fuse

It's also a good idea to check the connection to the OBD-II port under the dashboard. Make sure it's securely fastened and free of corrosion.

If the fuse and the connection to ground is okay and the OBD-II port appear to be in good condition, the next step would be to do a CAN scan. You can get a CAN scanner (Controller Area Network) from Amazon here is a video to show you how. You might have a DME that is not working.

https://youtu.be/u-4syLc-ifQ

and

https://www.2carpros.com/articles/can-scan-controller-area-network-easy

This can give you more information about what may be causing the "no OBD-II communication" error. Here is the OBD2 post wiring diagrams in the images below so you can see how the system works. Please get back to me on what you find.
Feb 11, 2023 at 10:12 AM