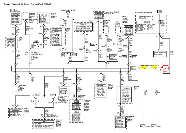
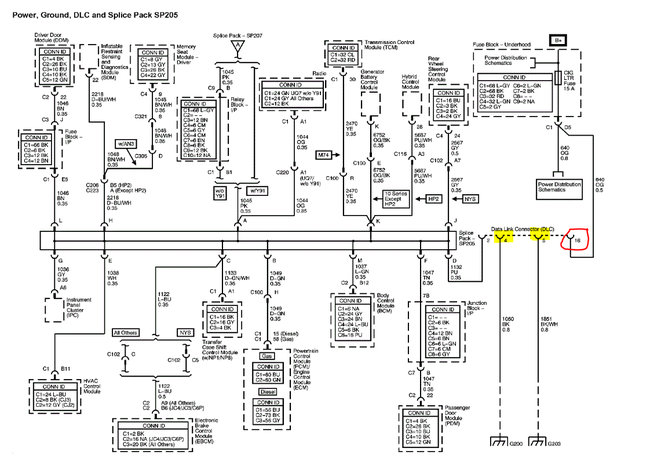
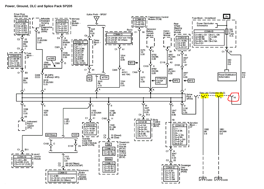
I have a battery operated OBDII reader, to connect it to the car I plug it into the jack under the dash, turn on the reader, it tells me to turn the ignition to the "on" position, and once the car is "on" the reader tells me to press the link button which doubles as the power button. I have used this reader multiple times in the past, and it has worked just fine, but in this case, it just turns off and back on, without connecting to the truck. Any ideas? There are only four wires going to the jack under the dash if that helps.
May 14, 2022 at 7:42 PM

