OBD2 Trouble code P0603

1999 CADILLAC DEVILLE
152,000 MILES • V8 • 2WD • AUTOMATIC
Avatar
TONYA HUDSON2
  • MEMBER
  • 15 POSTS
Car cranks will not kick over and not start. What should I do to fix this problem?
Apr 25, 2022 at 10:13 AM
Advertisement
Avatar
AL514
  • CERTIFIED EXPERT
  • 5,464 POSTS
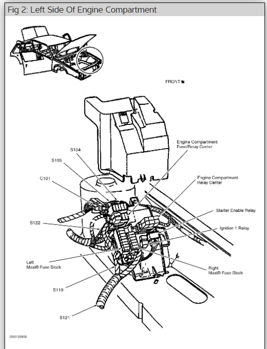
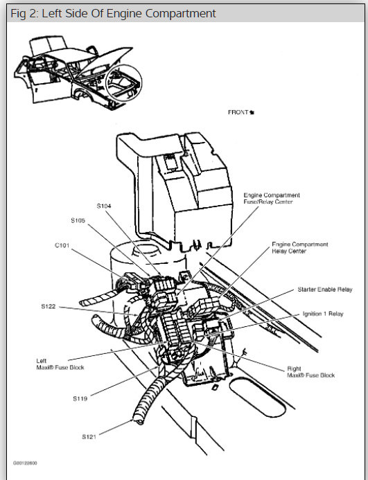
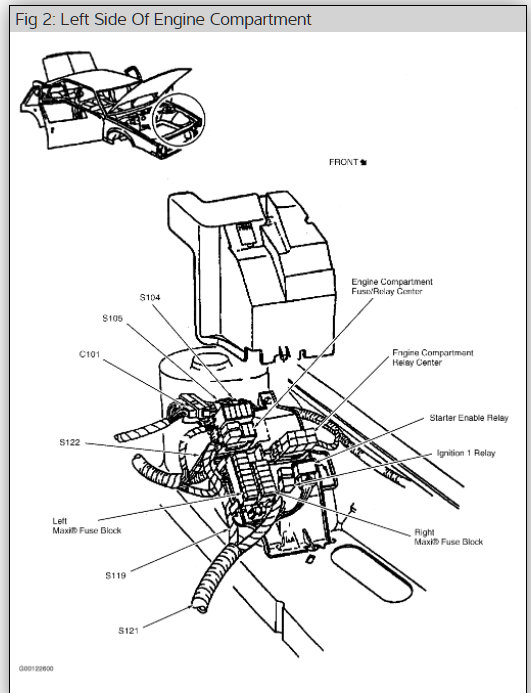
Hello, this code is referring to the engine computer's memory. There is a fuse that keeps constant power to the computer engine (ECM). If the battery is disconnected, or the battery loses its charge, this code will be set. So first check the fuse labeled PCM(BAT) Fuse 10amp. Its location is in the second diagram below. If the fuse is blown, there can either be a short to ground on that wire going to the ECM, or it can also be a failure of the ECM itself and the short to ground is internal to the ECM. If the car cranks over but won't start and this fuse is not blown, the connector where this wire goes into the ECM will need to be checked to see if power is making to the ECM. If it is, then the ECM's other power and ground connections need to be checked. With an older vehicle like this there can be any number of issues with wiring or computer failures. Does the check engine light come on when turning the key to just the On Position? And does it come on while cranking the engine over? It should come on for a few seconds. If not, then the ECM is not being powered up.
Make sure the key is Off before taking the fuse out as well.

https://www.2carpros.com/articles/how-to-check-a-car-fuse

https://www.2carpros.com/articles/how-to-use-a-test-light-circuit-tester
Apr 25, 2022 at 12:13 PM