Obd2 port not working?

2001 ISUZU RODEO
62,000 MILES • 2WD
Avatar
BROWNPJ2023
  • MEMBER
  • 2 POSTS
Which fuse should I check and where is the fuse located? Under hood or drivers' side by door?

I initially took my car to O'Reilly's to have them use their OBD2 Code tester on it because "Check Engine" light was on, and my car started hesitating and at one point would not accelerate above 30 MPH and a light lit up on dash "Reduced Power".
Oct 3, 2023 at 1:48 PM
Advertisement
Avatar
JACOBANDNICKOLAS
  • CERTIFIED EXPERT
  • 110,175 POSTS
Hi,

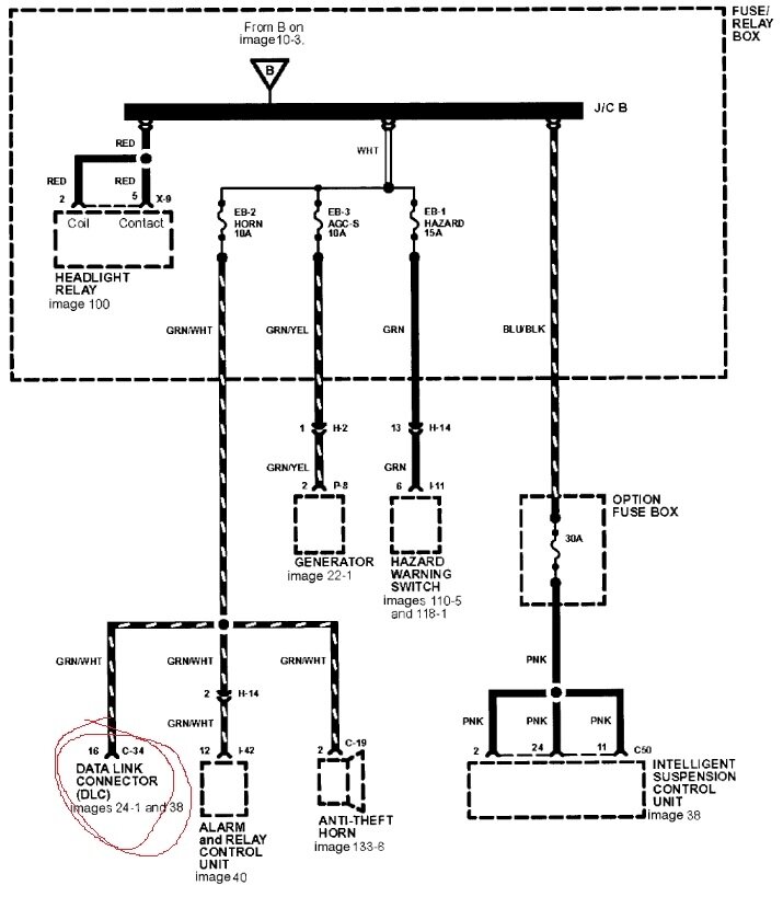
The DLC power supply is provided via pin 16 at the connector. See pic 1. Power is sent from fuse 2 in the under-hood fuse box. It is the same fuse that powers the horn. So, if the horn is operational, the fuse is good.

I attached the wiring schematic specific to the data link connector. I had to cut it in half to make it readable, but I did overlap the two so you can follow from one to the next.

Let me know if this helps.

Take care,

joe

See pics below. Note: I attached a pic showing the fuse location. See pic 6. The schematic says fuse 2 is the horn/DLC power supply. The fuse box legend says it is 25. Check to see if there is a legend under the lid for conformation. Also, the wiring diagrams and fuse information is for a V6 engine.
Oct 3, 2023 at 7:54 PM
Avatar
MONSTERTRUCKDADDY
  • CERTIFIED EXPERT
  • 31 POSTS
Hello, sorry to hear your OBD port is INOP.

It looks like it's tied to the horn fuse in the fuse box that's under the hood. Right side of engine compartment.
Oct 3, 2023 at 8:00 PM
Advertisement
Avatar
BROWNPJ2023
  • MEMBER
  • 2 POSTS
I still need help with My 2001 Isuzu Rodeo with the OBD2 Code port connectivity issue. Now that I know which fuse to check, the horn fuse. My next problem is that my horn stopped working 2 years ago and another mechanic bypassed the horn electronics and rewired a different horn at that time. I think he said he spliced it into a different electrical, because he said trying to figure out where the short was would be too difficult and costly... So, there is no longer a horn fuse. What should I do about the OBD2 connectivity?
Oct 4, 2023 at 1:26 AM
Avatar
JACOBANDNICKOLAS
  • CERTIFIED EXPERT
  • 110,175 POSTS
Hi,

If the fuse is removed, that explains why there is a problem with the connector. So, we need to get 12v to pin 16 in the DLC. If there was a prior short with the horn fuse, leave it the way it is. Don't install a fuse.

Next, you could find a 10-amp fuse in one of the fuse boxes that has power at all times run a new wire to the wire at pin 16 and splice the new wire and old wire together at that point. If there isn't a fuse you can find, you could run a new wire with a 10-amp inline fuse direct from the battery-positive terminal. Again, you would need to connect the new wire at the rear of the DLC where the pin 16 wire is present.

Let me know if that helps.

Take care,

Joe
Oct 4, 2023 at 5:01 PM