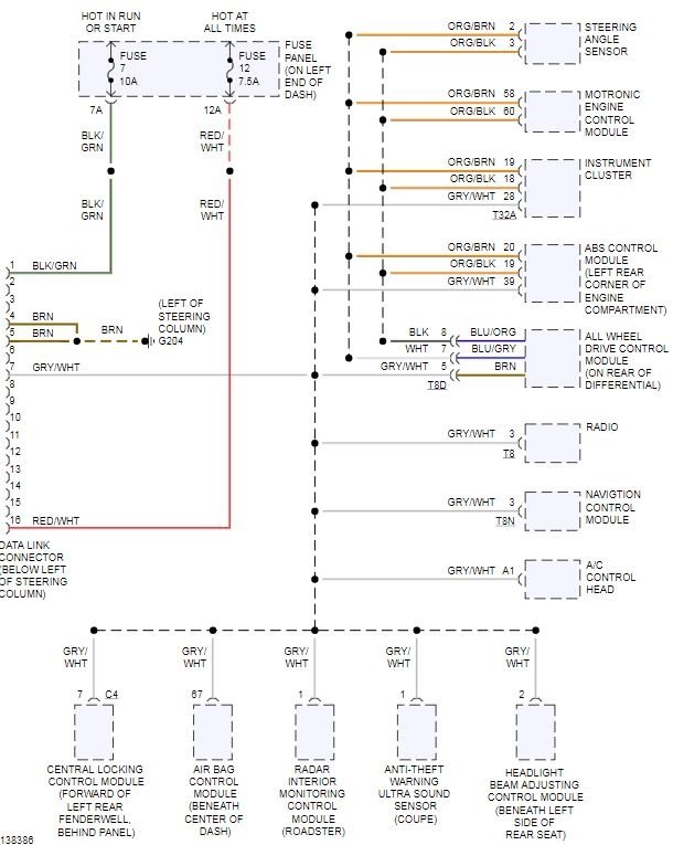
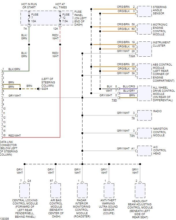
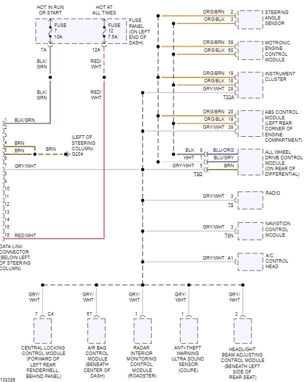
Hi, the OBD2 port on my vehicle doesn’t want to communicate with any scanner.
So far, I already checked all the fuses and everything seems to be good without any break, I reset the ECU but still no link on the scanner. I ended up testing each pins with multi-meter with back probe method and found out that pin 7/ K-line only have .07 Volts running when it suppose to have way more than that. Do you guys know how to trace a short on K-line to ECU. I'm a beginner in electrical experience with car. Any tips and advice will help. Thank you
So far, I already checked all the fuses and everything seems to be good without any break, I reset the ECU but still no link on the scanner. I ended up testing each pins with multi-meter with back probe method and found out that pin 7/ K-line only have .07 Volts running when it suppose to have way more than that. Do you guys know how to trace a short on K-line to ECU. I'm a beginner in electrical experience with car. Any tips and advice will help. Thank you
Nov 3, 2019 at 2:57 AM



