OBD2 port

2006 CHEVROLET AVALANCHE
224,579 MILES • 5.3L • 2WD • AUTOMATIC
Avatar
MSPAULDING
  • MEMBER
  • 1 POST
I have no power at the port.
Mar 28, 2022 at 5:14 PM
Advertisement
Avatar
KASEKENNY
  • CERTIFIED EXPERT
  • 18,907 POSTS
Sorry for the delay. We were hit by some hackers and just trying to get caught up.

If you have no power, then I assume your scan tool is not powering up?

If that is the case, then we need to start with the fuse.

https://www.2carpros.com/articles/how-to-check-a-car-fuse

This is the same as the cigar lighter so if that is not working then the fuse is the issue.

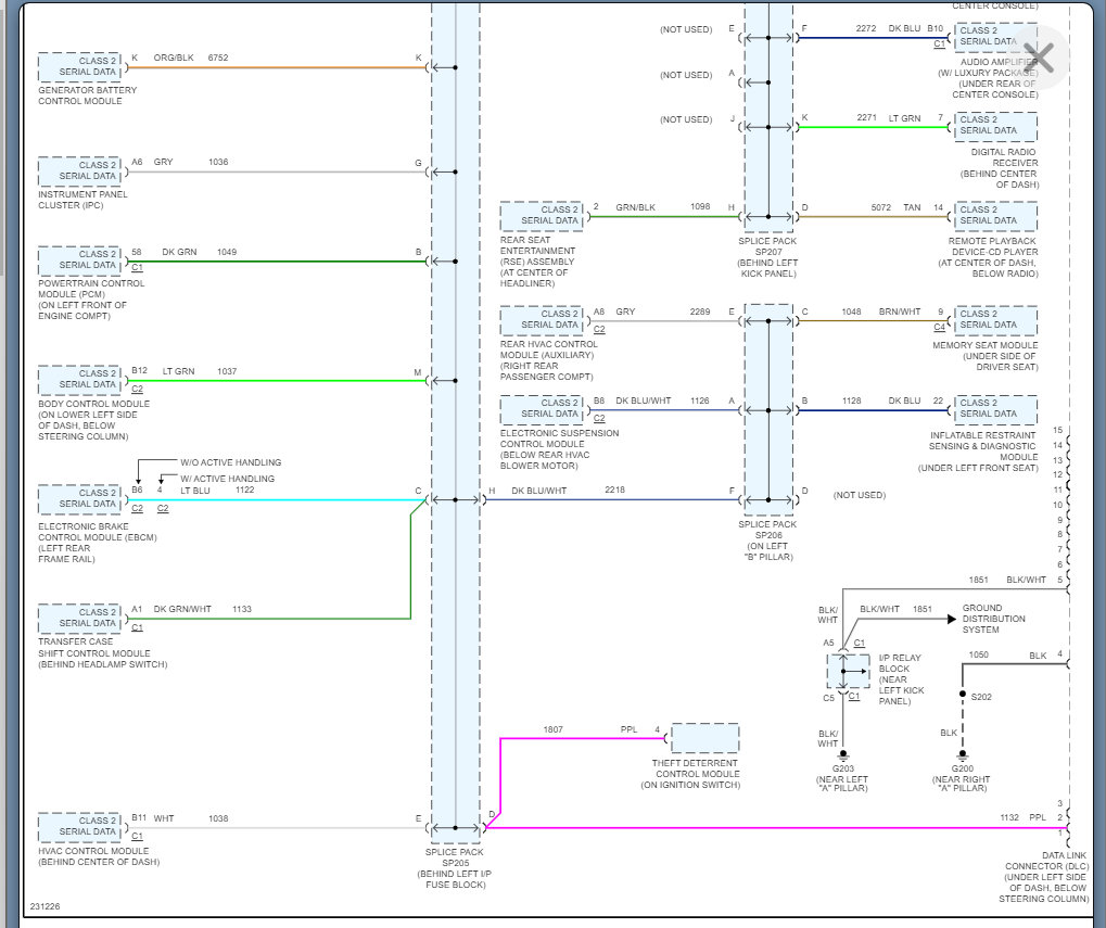
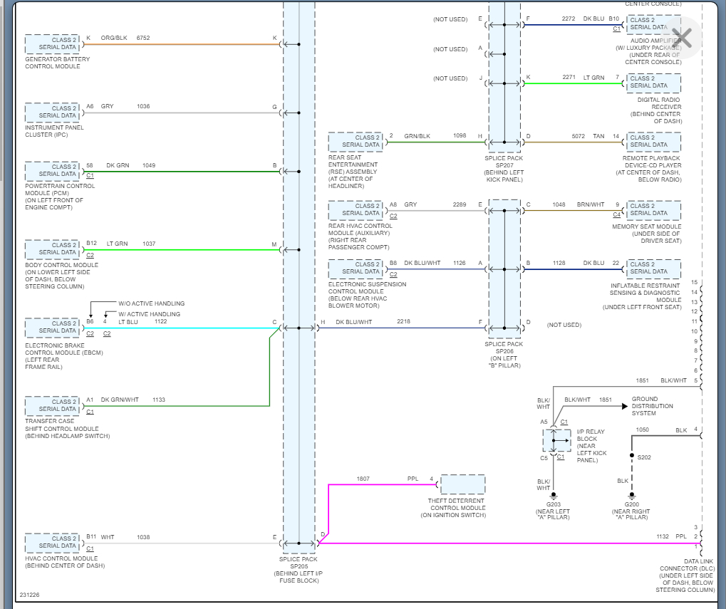
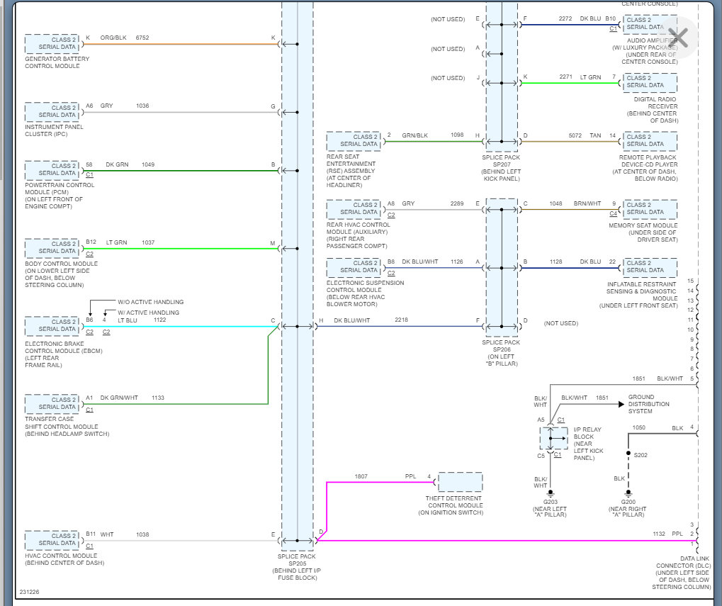
Next, we need to check pin 16 at the DLC and see if you have power.

If so, then check for ground.

The wiring diagram is attached. However, if you have another issue that you are thinking is caused by no power then let us know what that is.

Thanks
Apr 1, 2022 at 9:47 AM