Obd2 code u0129 - no communication?

2014 TOYOTA COROLLA
20,000 MILES • 2.4L • 4 CYL • FWD • AUTOMATIC
Avatar
JHORDI
  • MEMBER
  • 1 POST
I accidentally touch the remote amp wire to ground on the amp and by doing that it shut off my radio and my auto windows do not operate. When I turn on the car it does not want to go into any gears, it just stays in parking.
Dec 27, 2014 at 9:27 PM
Advertisement
Avatar
STRAILER
  • CERTIFIED EXPERT
  • 53,854 POSTS
Hello,

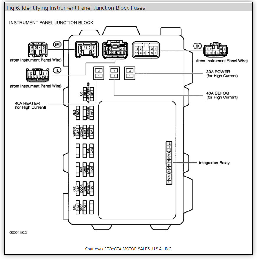
Yes, it does sounds like you lost a fuse. here is a guide and the power distribution wiring diagrams to help you test the fuses and the fuse locations also there is an accessory relay I would check as well:

https://www.2carpros.com/articles/how-to-check-a-car-fuse

and

https://www.2carpros.com/articles/how-to-check-an-electrical-relay-and-wiring-control-circuit

Check out the diagrams (below)

Let us know what happens and please upload pictures or videos of the problem.

Cheers, Ken
Feb 26, 2018 at 12:50 PM
Avatar
POWERMOTORSPORTS
  • MEMBER
  • 4 POSTS
Computer problem 4 cyl Front Wheel Drive Automatic

Car get flooded, change a new ECU, but OBD scanner cannot connect and get codes?
Aug 9, 2020 at 11:56 AM (Merged)
Advertisement
Avatar
STRAILER
  • CERTIFIED EXPERT
  • 53,854 POSTS
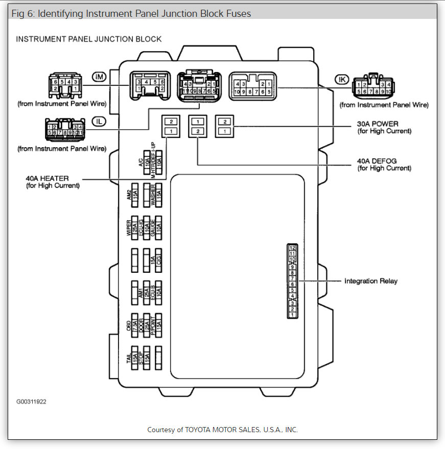
There is an OBD fuse that I would check first, check out the wiring diagrams for the ALDL connector so you can see how the system works.

https://www.2carpros.com/articles/how-to-check-a-car-fuse

Check out the fuse panel and ALDL wiring diagrams (Below)

Let us know what happens and please upload pictures or videos of the problem.

Cheers, Ken
Aug 9, 2020 at 11:56 AM (Merged)
Avatar
POWERMOTORSPORTS
  • MEMBER
  • 4 POSTS
OBD fuse is OK, check the power of OBD port is also OK, since OBD is directly connected to ECU for memory, I wonder why it does not respond since it is already new ECU. check the lline an everything is ok
Aug 9, 2020 at 11:56 AM (Merged)
Avatar
MMPRINCE4000
  • CERTIFIED EXPERT
  • 8,548 POSTS
If diagnostic port fuse is OK, then it could be a loose/kinked/pulled wire to link. Scanner should power up when connected to port regardless of position of ignition switch. Does the dash light up when the key is on?
Aug 9, 2020 at 11:56 AM (Merged)
Avatar
POWERMOTORSPORTS
  • MEMBER
  • 4 POSTS
OBD port has several pins that I checked, I only have some based on the service manual. like Power, GND, Signal GND. All these are OK we have 12 volts supply and to the ignition switch but not coming out so I replaced the switch and the car came back to life thanks for your help I love this site.
Aug 9, 2020 at 11:56 AM (Merged)
Avatar
MMPRINCE4000
  • CERTIFIED EXPERT
  • 8,548 POSTS
Glad you could get it fixed, that kind of problem can be tough. Please use 2CarPros anytime we are here to help

Cheers
Aug 9, 2020 at 11:56 AM (Merged)
Avatar
NIXO22
  • MEMBER
  • 4 POSTS
Hello house, I just joined. I have the same ODB2 connection problem. I have a 2006 Toyota corolla and each time I tried connecting an ODB scanner to it, I always get an "error in connection". Where do I start from?
Aug 9, 2020 at 11:56 AM (Merged)
Avatar
STRAILER
  • CERTIFIED EXPERT
  • 53,854 POSTS
Hello,

Have you looked a the OBD fuse? 7.5 amp.

Check out the diagrams and guide in my above post and get back to me.

Cheers, Ken

Aug 9, 2020 at 11:56 AM (Merged)
Avatar
NIXO22
  • MEMBER
  • 4 POSTS
Yes I did check the 7.5A fuse for OBD and the fuse was ok though I didn’t test with a test indicator to confirm. The metal strip in the fuse was still intact.
However the round illuminating light around the cigarette jack does not come on when I switch on my lights.
I have both the ABS and Brake check light on in the dash.
Aug 9, 2020 at 11:56 AM (Merged)
Avatar
STRAILER
  • CERTIFIED EXPERT
  • 53,854 POSTS
There is a 30 amp fuse in the passengers fuse panel that powers all of the systems you have mentioned.

Use the post above to see how to find and test

Cheers, Ken


Aug 9, 2020 at 11:56 AM (Merged)
Avatar
NIXO22
  • MEMBER
  • 4 POSTS
Hi there, finally I was able to fix the Brake and ABS dash lights all by my self at $0 cost. I just checked the integrity of the connection from the 2 front ABS sensors to where they connect with the ABS unit. Both wires were sheared so I just did a thorough termination( had the two terminals of the battery taken out first before proceeding). Connected back the battery, started the car and BINGO all lights were off.

I think the very first things we should do when trying to troubleshoot such problems are to carry out visual inspections and look out for open lines.
Thanks for your wonderful suggestions.

Nixo.
Aug 9, 2020 at 11:56 AM (Merged)
Avatar
STRAILER
  • CERTIFIED EXPERT
  • 53,854 POSTS
Nice work, we are here to help, please use 2CarPros anytime.

Cheers, Ken
Aug 9, 2020 at 11:56 AM (Merged)
Avatar
NIXO22
  • MEMBER
  • 4 POSTS
my OBD port is still a problem. Cannot communicate with an OBD II scanner.
Aug 9, 2020 at 11:56 AM (Merged)
Avatar
STRAILER
  • CERTIFIED EXPERT
  • 53,854 POSTS
I know you said you checked the OBD fuse and it was good but does it have power?

https://www.2carpros.com/articles/how-to-use-a-test-light-circuit-tester

Please let us know what happens.

Cheers, Ken
Aug 9, 2020 at 11:56 AM (Merged)
Avatar
SCHO1RYAN
  • MEMBER
  • 5 POSTS
Key on in ignition there is no check engine light coming on, fuel pump works, coils and injectors are getting power. With the no communication would this be an ECM problem?
Jun 25, 2021 at 5:10 PM (Merged)
Avatar
JACOBANDNICKOLAS
  • CERTIFIED EXPERT
  • 110,175 POSTS
Hi,

I'm not sure I understand what is happening. Is the problem that you cannot connect via the DLC? Is the vehicle running?

Let me know.
Joe
Jun 25, 2021 at 5:10 PM (Merged)
Avatar
SCHO1RYAN
  • MEMBER
  • 5 POSTS
Correct the vehicle does not run. Originally I was chasing a fuel issue but when I went to check for any engine codes via obd2 port I was unable to connect (no communication). That’s when I noticed the check engine light never illuminates with the key in the on position. The problem is the vehicle doesn’t not run and I need to get it running.
Jun 25, 2021 at 5:10 PM (Merged)
Avatar
JACOBANDNICKOLAS
  • CERTIFIED EXPERT
  • 110,175 POSTS
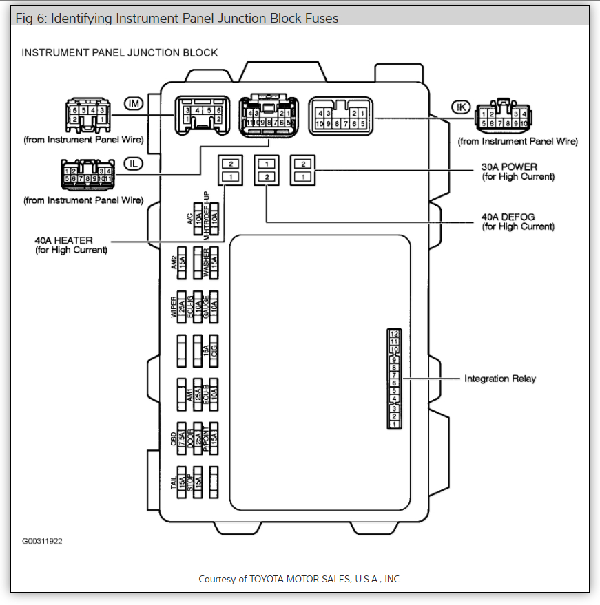
Okay, lets start at the data link connector (DLC). If you look at pic 1 below, it shows the connector. Pin 5 (brown wire) goes to ground. Confirm there is continuity to ground via that pin. Also, check pin 4 for ground. Pin 4 is chassis ground and 5 is a signal ground.

Next, pin 16 is constant 12v. Check to make sure there is power. If there isn't, check the fuse identified in pic 2.

Let me know what you find.

Joe
Jun 25, 2021 at 5:10 PM (Merged)
Avatar
SCHO1RYAN
  • MEMBER
  • 5 POSTS
Using a test light I confirmed pin 4 and 5 continuity to ground. Pin 16 also had constant 12v.
Jun 25, 2021 at 5:10 PM (Merged)
Avatar
DAZED&CONFUSED
  • MEMBER
  • 3 POSTS
In the beginning the car cranked wouldn't start. I checked the fuel, it wasn't getting fuel. So with out checking for spark I replaced the fuel pump, the car started ran about 3 minutes and died. This happened 3 times then it would crank but not start. Checked spark no spark also checked fuel pump again it didn't seem to be responding also. Checked all the fuses and relays that I knew to check all were good. Thought the ECU was bad bought one off of E-BAY used. Not realizing once again that for that year they made many different ECUs. I had thrown away the original, yeah l.o.l.. I now know which computer was in it originally I had bought 2 used ECUs. The last one I purchased I took out of the same year vehicle myself it was automatic like mine only difference was power locks and windows, mine are manual not sure if that matters? Also key in and the security system stops flashing and the check engine light comes on which leads me to believe it's not the engine immobilization system?Cranks but still won't start. Read something about adding the car vin# to the new computer, not sure how that's done and will it possibly keep me from having to buy #3? Thanks Again, God Bless anyone that reads and responds to this mess, thank you many times!!!!
Jun 25, 2021 at 5:10 PM (Merged)
Avatar
STRAILER
  • CERTIFIED EXPERT
  • 53,854 POSTS
The last ECU sounds like it should work. Can you hear the fuel pump running in the tank and the security light is not flashing? Because the scanner will not communicate makes me think the EFI relay is not working here is a guide to show you how to test it and the engine wiring diagrams so you can see how the system works with the relay location as well.

https://www.2carpros.com/articles/how-to-check-an-electrical-relay-and-wiring-control-circuit

Check out the diagrams (Below). Please let us know what you find. We are interested to see what it is.

Cheers, Ken
Jun 25, 2021 at 5:11 PM (Merged)
Avatar
SCHO1RYAN
  • MEMBER
  • 5 POSTS
I also noticed while cranking the check engine light will illuminate but only while cranking.
Jun 25, 2021 at 5:11 PM (Merged)
Avatar
DAZED&CONFUSED
  • MEMBER
  • 3 POSTS
Thank you for the information. The fuel pump is under the back seat and I can't hear it running. I can if I wire it directly but the car still isn't starting, I will certainly check the EFI relay. Thanks so, so much. I will let you know how it turns out.One more thing my first question due to trying to be thorough was probably difficult. About programming the vin in the new computer? Oh and the immobilizer system does seem to recognize the key because the light stops flashing when I insert key.
Jun 25, 2021 at 5:11 PM (Merged)
Avatar
JACOBANDNICKOLAS
  • CERTIFIED EXPERT
  • 110,175 POSTS
Hi,

On which pin does this happen?

Joe
Jun 25, 2021 at 5:11 PM (Merged)
Avatar
STRAILER
  • CERTIFIED EXPERT
  • 53,854 POSTS
If the security light stops flashing you should be good. When you crank it over does it start flashing again?
Jun 25, 2021 at 5:11 PM (Merged)
Avatar
SCHO1RYAN
  • MEMBER
  • 5 POSTS
No pin. Only while cranking It will illuminate. Car still cranks but no start.
Jun 25, 2021 at 5:11 PM (Merged)
Avatar
DAZED&CONFUSED
  • MEMBER
  • 3 POSTS
Sorry just saw this message. I am going to double check that and see before I answer. That is what I was thinking.when the key is inserted and the security light stops flashing the ECU is recognizing the key. Your saying that is correct right? Sorry for the delay I only have time to work on the car Monday through Wednesday and after 5 on Mondays can I start. I am going to check the EFI relay this evening, I will post how things go. Also have access to the OBD2 scanner with laptop hoping for communication. If not I am going to try disconnecting the sensors one at a time hoping if one is bad when disconnected the OBD2 will read and I will know it at least that sensor causing that problem? Thanks again you are a God send!
Jun 25, 2021 at 5:11 PM (Merged)
Avatar
JACOBANDNICKOLAS
  • CERTIFIED EXPERT
  • 110,175 POSTS
Hi,

That honestly doesn't make sense. Pin 16 should be hot all the time. If it only gets power when cranking, I have to ask where you are getting ground. If you are using the signal ground, then we have a problem with the chassis ground. If you are using a known good ground location on the vehicle, then we have a problem in the fuse box. If you look at the pic I attached above, you will see an OBD fuse. That should always provide power. Do me a favor, check the fuse and confirm there is power in and out at all times.

Joe
Jun 25, 2021 at 5:11 PM (Merged)
Avatar
STRAILER
  • CERTIFIED EXPERT
  • 53,854 POSTS
You are welcome, let me know what happens.
Jun 25, 2021 at 5:11 PM (Merged)
Avatar
ARMANDO MARTINEZ
  • MEMBER
  • 3 POSTS
Engine cranks over but will not start. no communication
Jun 25, 2021 at 5:11 PM (Merged)
Avatar
STRAILER
  • CERTIFIED EXPERT
  • 53,854 POSTS
Hello,

Can you tell me if you hear the fuel pump in the tank still running when the engine stalls? Here is a guide to help us get started:

https://www.2carpros.com/articles/car-cranks-but-wont-start

Please run down this guide and report back.

Cheers, Ken
Jun 25, 2021 at 5:11 PM (Merged)
Avatar
ARMANDO MARTINEZ
  • MEMBER
  • 3 POSTS
Getting fuel, have spark. Good compression. Check engine light does not come on at all. Key on, or while cranking over nothing!
Jun 25, 2021 at 5:11 PM (Merged)
Avatar
STRAILER
  • CERTIFIED EXPERT
  • 53,854 POSTS
It sounds like the ECM could be bad but lets run the codes to see what comes up. No could have codes even without the check engine light not being on.

https://www.2carpros.com/articles/checking-a-service-engine-soon-or-check-engine-light-on-or-flashing

Let me know.

Jun 25, 2021 at 5:11 PM (Merged)
Avatar
ARMANDO MARTINEZ
  • MEMBER
  • 3 POSTS
Put code reader on shows error not able to communicate.
Jun 25, 2021 at 5:11 PM (Merged)
Avatar
STRAILER
  • CERTIFIED EXPERT
  • 53,854 POSTS
It sounds like the computer is shorted out. Lets try a used/rebuilt unit to see if that helps. Here is the location. Also make sure all fuses are good. Check out the diagrams (below). Please let us know what happens.

Cheers, Ken

Jun 25, 2021 at 5:11 PM (Merged)