obd2 port fuse location needed

2008 HONDA CRV
178,000 MILES • AUTOMATIC
Avatar
HELPSTEVE
  • MEMBER
  • 1 POST
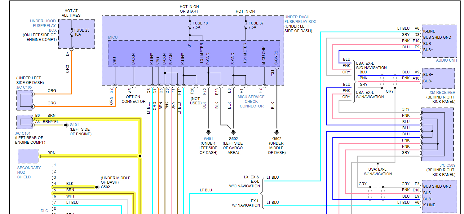
Can you tell me where the fuse location is, which powers the OBD2 port and which fuse is it? Thanks
Dec 20, 2021 at 11:52 AM
Advertisement
Avatar
AL514
  • CERTIFIED EXPERT
  • 5,465 POSTS
Hello, Pin 16 of the Data Link Connector is 12-volt power, Pins 4 and 5 are Grounds. The power for Pin 16 comes from Fuse 23 Back up (10Amp) in the under-hood fuse panel. The other pins on the DLC are data lines.

https://www.2carpros.com/articles/how-to-check-a-car-fuse
Dec 20, 2021 at 1:31 PM