low beam lights will not turn off

2004 MAZDA 3
96,000 MILES • 2.3L • 4 CYL • 2WD • AUTOMATIC
Avatar
ETCHERS
  • MEMBER
  • 1 POST
Checked all fuses an they are fine. Went to emissions had a no communication error. Car runs fine starts great an had no issues except low beam lights would not turn off. Have any ideas? Thanks
Feb 14, 2018 at 5:36 PM
Advertisement
Avatar
JIS001
  • CERTIFIED EXPERT
  • 3,412 POSTS
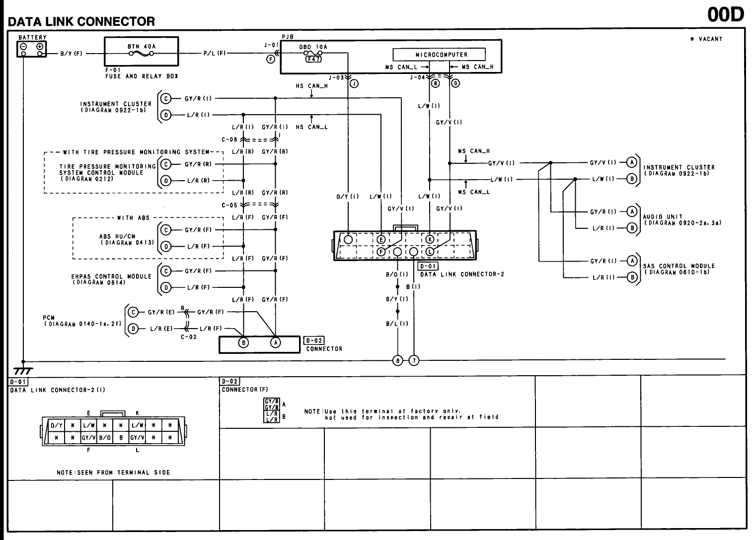
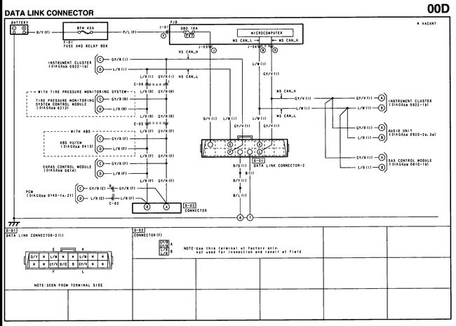
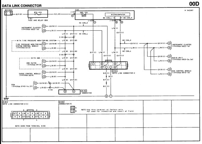
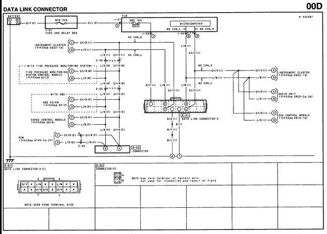
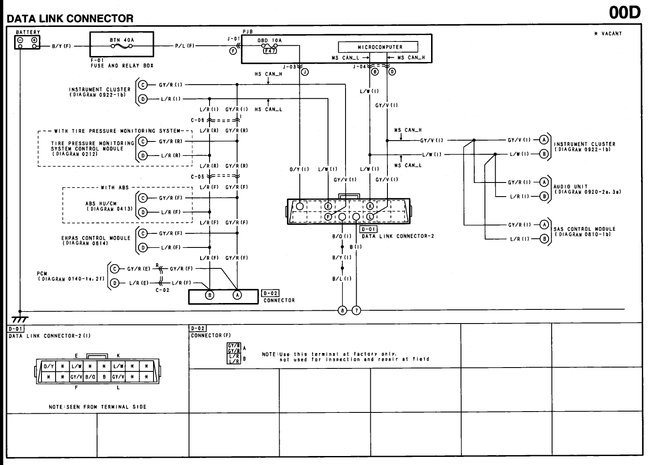
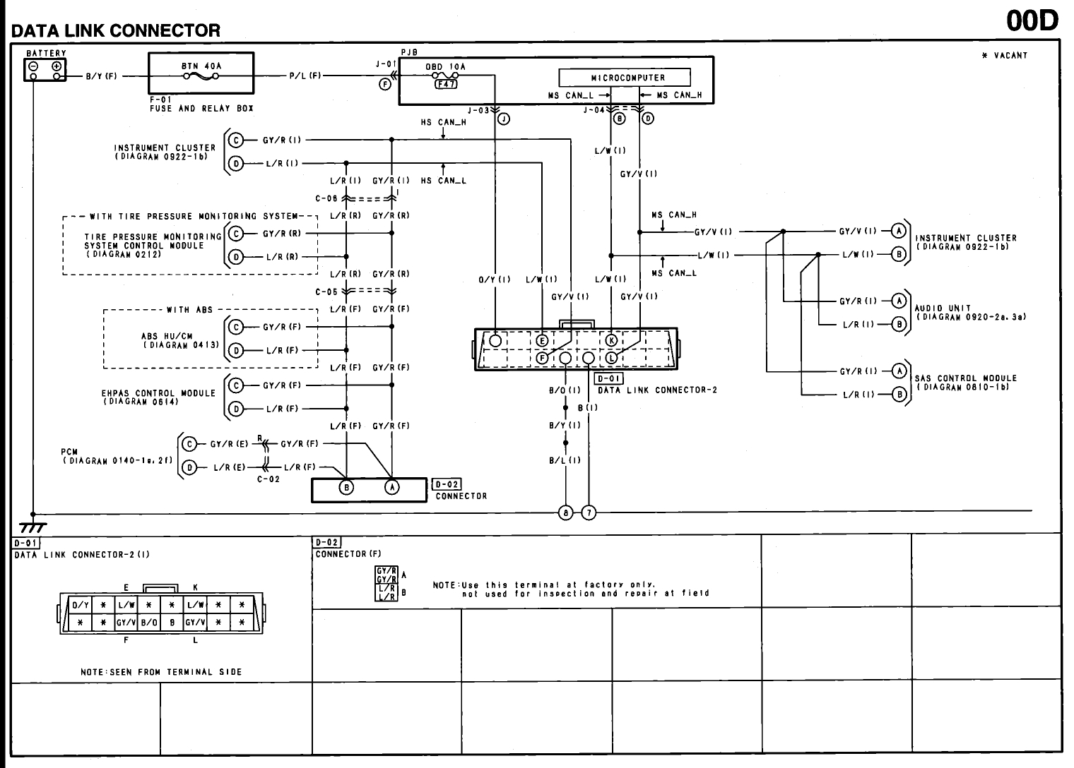
Diagram shows there is a 10 amp fuse. So check fuses in the engine and cabin area. A quick way to check there is power is by connecting a scan tool and do an OBD2 read out. If your scanner powers on then fuse is good. If your scanner communicates then the problem will be with the sh0ops machine.

If you have no communications with the power control module, disconnect the battery cables and touch both leads and leave them touching for five to ten minutes. Reconnect scanner and check it communicates. If it is good then drive vehicle for twenty minutes on freeway for twenty to thirty minutes at fifty five mph no A/C and try not to use the brake pedal at all or as little as possible.

Check I/M results. Most states should let you pass with the evap monitor pending. If all others are complete then you should be ready to pass the computer check of the inspection.
Feb 14, 2018 at 9:12 PM