code P1369

2002 PONTIAC FIREBIRD
890,000 MILES • 3.8L • RWD • AUTOMATIC
Avatar
BILLMILL5050
  • MEMBER
  • 66 POSTS
i'll get a code P1369 ever once in a while then it goes out 5 volt ref. 2 circuit? what is this?
Aug 27, 2016 at 11:36 PM
Advertisement
Avatar
BILLMILL5050
  • MEMBER
  • 66 POSTS
i mean P1639
Aug 27, 2016 at 11:37 PM
Avatar
HMAC300
  • CERTIFIED EXPERT
  • 48,601 POSTS
that is for the a/c circuit check all your grounds, for pcm, battery to body, engine to battery etc.
Aug 28, 2016 at 7:54 AM
Advertisement
Avatar
BILLMILL5050
  • MEMBER
  • 66 POSTS
where are grounds at ?
Aug 31, 2016 at 2:46 PM
Avatar
STRAILER
  • CERTIFIED EXPERT
  • 53,854 POSTS
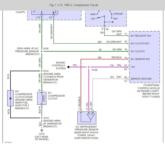
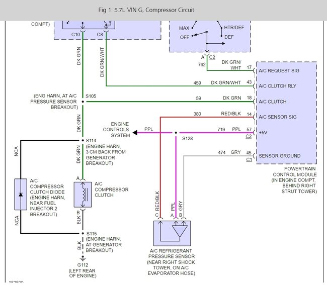
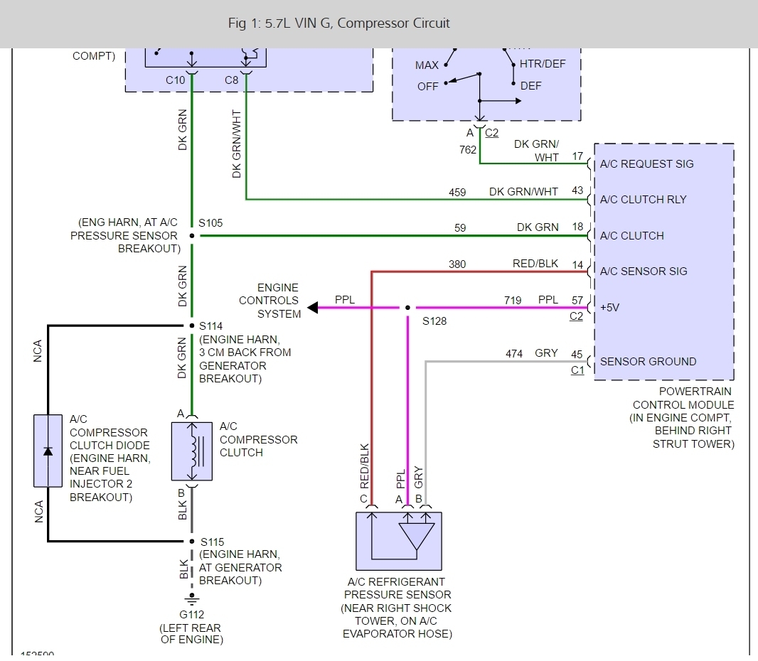
If I may but in here, I found that the P1639 is a pressure sensor out of range for the air conditioner. Here is a wiring diagram that lets you know where it is located.

Best, Ken
Sep 1, 2016 at 8:10 AM
Avatar
BILLMILL5050
  • MEMBER
  • 66 POSTS
ken i don't see any diagram./ is it orange located on high side ac line?
Sep 1, 2016 at 1:18 PM
Avatar
STRAILER
  • CERTIFIED EXPERT
  • 53,854 POSTS
Sorry, here you go.
Sep 1, 2016 at 1:19 PM
Avatar
BILLMILL5050
  • MEMBER
  • 66 POSTS
thanks i can hear something cutting on and off cut it isnt the compressor
Sep 4, 2016 at 10:15 AM
Avatar
STRAILER
  • CERTIFIED EXPERT
  • 53,854 POSTS
It is probably the control relay which is controlled by the sensor.
Sep 5, 2016 at 9:44 AM
Avatar
STRAILER
  • CERTIFIED EXPERT
  • 53,854 POSTS
What did you find on this problem?
Sep 14, 2016 at 5:10 PM
Avatar
BILLMILL5050
  • MEMBER
  • 66 POSTS
just fixed you were right
Dec 29, 2017 at 10:46 PM
Avatar
STRAILER
  • CERTIFIED EXPERT
  • 53,854 POSTS
Good to hear, please use 2CarPros anytime we are here to help.

Cheers, Ken
Jan 1, 2018 at 1:50 PM