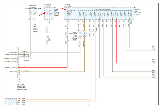
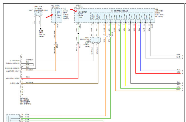
I saw your video regarding the OBD port not working/changing the fuse. That is precisely the problem I’m having, but I cannot find anything that provides the fuse location - I’ve checked the interior fuse panel as well as the engine compartment fuse panel, nothing referencing OBD. Please help! $20 to your site if you can find the answer!
Jan 27, 2025 at 10:50 AM


