OBD and OBD2, what fuse or fuses power the ports?

2008 MITSUBISHI LANCER
95,000 MILES • 1.8L • 4 CYL • 2WD • AUTOMATIC
Avatar
GARYN77
  • MEMBER
  • 15 POSTS
What fuse or fuses power the ports?
Sep 17, 2023 at 11:38 AM
Advertisement
Avatar
JACOBANDNICKOLAS
  • CERTIFIED EXPERT
  • 110,175 POSTS
Hi,

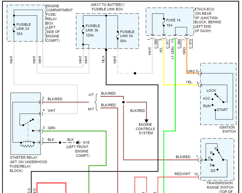
Pics 1 and 2 below are of the computer data lines. Pin 16 on the DLC is what should have power at all times. If it doesn't, check the fuse 5 on the ETACS ECU behind the rear of the junction box (left side of the dash).

I attached the wiring schematic so that you have a reference.

Let me know if this helps or if you have other questions.

Take care,

joe

See pics below. Note: Pic 4 is just to show the location of the ETACS.
Sep 17, 2023 at 9:38 PM
Avatar
GARYN77
  • MEMBER
  • 15 POSTS
Replaced fuse 13 inside box. Voltage on pin 16 of DLC returned. Barrowed a small scan tool, not sure about what I got from it. Code was V0100. Said lost com with EEM/PCA A and also said ISO/SAE reversed. Maybe you can get something out of it or lead me the correct way.
Thanks,
GaryN77
Sep 21, 2023 at 3:58 PM
Advertisement
Avatar
JACOBANDNICKOLAS
  • CERTIFIED EXPERT
  • 110,175 POSTS
Hi Gary, could it be a U0100? There are no V codes. Also, I need to know which circuit was giving you trouble. A U0100 can be related to a few different areas. See pic below.

Let me know.

Take care,

Joe

See pic below.
Sep 21, 2023 at 7:05 PM
Avatar
GARYN77
  • MEMBER
  • 15 POSTS
The code was U0100 as you thought. I got a new scanner yesterday and played with it for a while but the only thing I saw was the U0100 code and it showed "ECM lost comm with PCA A". Also said ISO and SAE reversed. I'm going to have to put some time with the scanner to be comfortable with it, it is a Zurich Model ZR13S OBD@ reader. The weather here in PA is going to be bad so I'll. have time to learn. The car is outside and will not turn over now. I will keep in touch.
Thanks,
GaryN77
Sep 23, 2023 at 6:03 PM
Avatar
JACOBANDNICKOLAS
  • CERTIFIED EXPERT
  • 110,175 POSTS
On an automotive scan tool or diagnostic equipment, "ISO" and "SAE" reversed typically refer to the two primary communication protocols used in modern vehicles for onboard diagnostics and data exchange between the vehicle's electronic control modules and the diagnostic tool. These protocols are known as ISO 15765-4 and SAE J1979.

When you see "ISO and SAE reversed" on a car scan tool or diagnostic device, it likely means that the tool has the ability to switch between these two communication protocols, allowing it to work with a broader range of vehicles from different regions and manufacturers.

The U0100 trouble code indicates a communication problem between your vehicle's Engine Control Module (ECM) and the Powertrain Control Module A (PCA A). This code is typically associated with a network communication issue within the vehicle's onboard diagnostic system. If possible, let me know what system is causing issues so I can go into the diagnostics.

BTW, welcome to PA. I'm near Pittsburgh. LOL

Joe
Sep 23, 2023 at 7:10 PM
Avatar
GARYN77
  • MEMBER
  • 15 POSTS
Joe,
Today I ran the scanner the best I could by following the step-by-step directions. I got three faults. They are:

Global OBD2 3DTCs
:
U0100(1/3) Stored
1 Engine CAN Timeout
2 EV-ECU CAN Timeout
DTC Severity 2 of 3

P1773(3/3) Pending
1 LR/DIR Solenoid
2 ABS/ASC Information

U0100
1 Engine CAN Timeout
2 EV-ECU CAN Timeout

ABS 1DTC

U01100(1/1)Active
1 Engine CAN TIMEOUT
2 EV-ECU CAN Timeout

ABS/ASC/ASTC/WSS
U0100(1/1) Active
1 Engine CAN Timeout
2 EV-ECU CAN Timeout

I hope you can get something out of this. Let me know if I need to do more. I'm just learning about scanners. Thanks, GaryN77 I live in Tyrone, PA Between Altoona and State College.

Sep 27, 2023 at 7:22 PM
Avatar
JACOBANDNICKOLAS
  • CERTIFIED EXPERT
  • 110,175 POSTS
Hi,

You're not too far. LOL

As far as the codes, the U0100 is of interest to me. However, I need to know which components you are having trouble with because it is tied to different circuits. See pic below. Let me know if you are having issues with the transmission, ABS, and so on.

Take care,

Joe

See pic below.
Sep 27, 2023 at 8:28 PM
Avatar
GARYN77
  • MEMBER
  • 15 POSTS
This started out as a parasitic drain problem causing the battery to go dead if the car sat for 4 days or more. Everything worked fine when I started. I got to look and check for current flow across fuses after the car sat a while and also check for open fuses. The first thing that happened was the coolant fan on the radiator started to run when you turned the key on. That problem stopped when I disconnected the battery for a while. Then the car would not start. The dash lights come on and stay on when the key is turned to start but the starter will not engage or make any noise. That is where I am today. Us old car mechs. just don't have it to work on newer cars!
Sep 28, 2023 at 9:02 AM
Avatar
JACOBANDNICKOLAS
  • CERTIFIED EXPERT
  • 110,175 POSTS
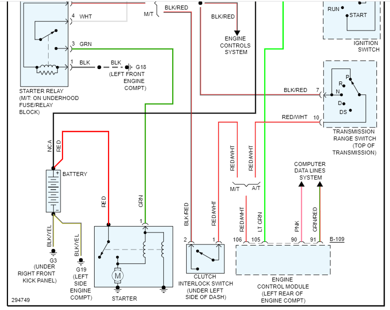
Hi,

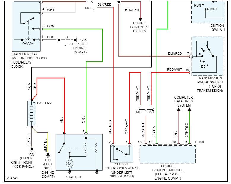
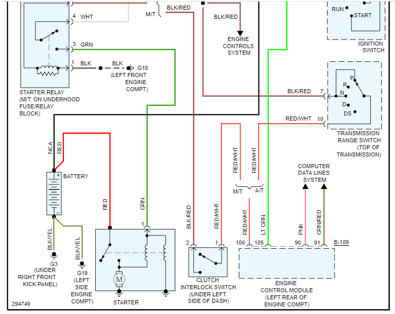
I attached the starter circuit wiring schematic below. Do you have power at all fuse and fusible links? Do you have power to the starter relay as well as a ground for the primary side of the relay?

Let me know.

Joe

See pics below.
Sep 28, 2023 at 8:26 PM
Avatar
GARYN77
  • MEMBER
  • 15 POSTS
First of all, I want to thank you all for your time, info and great materials. like the great schematics and info sheets. The 12 volts is on the starter relay, pin 4, and pin 1 is grounded. You say to check all fusible links. I checked the ones related to the starter ckt and they are good. Do I need to check the ones related to ABS and other ckts?

Thanks again,
GaryN77
Sep 30, 2023 at 5:34 PM
Avatar
JACOBANDNICKOLAS
  • CERTIFIED EXPERT
  • 110,175 POSTS
Do you have power at pin 2 when the key is in the start position? That could be the issue.

Let me know.

Joe
Sep 30, 2023 at 9:53 PM
Avatar
GARYN77
  • MEMBER
  • 15 POSTS
I measured at pin 2 of the starter relay with the relay out and got 1.7 volts when the key was at the start position or not. Let me know if I should have measured with the relay in the circuit.

Gary
Oct 1, 2023 at 11:54 AM
Avatar
JACOBANDNICKOLAS
  • CERTIFIED EXPERT
  • 110,175 POSTS
Hi Gary, you did it correctly. I think you found the problem. That pin is the power supply to the relay primary. 1.7v isn't enough to close the secondary side so there is a no crank condition.

Now we need to know why it isn't getting full power. If you follow the power supply from the relay (pin 2), it takes you to the transmission range sensor. Have you tried starting it in neutral or any other gear? I ask because the sensor itself may be faulty. If you have and there is no change, at the range sensor you will find a red wire with a white tracer. That is from the PCM which allows power to reach the relay's primary side when starting. I need you to check that wire for power. You can do it with the connector disconnected, but you will need a helper to turn the key for you. If we have power there, then reconnect the connector and back probe the black wire with a red tracer for power. If there is no change, replace the range sensor. If there is power, then we have a wiring problem between the range sensor and the relay.

Let me know if that makes sense.

Take care and let me know.

Joe

See pic below.
Oct 1, 2023 at 7:50 PM
Avatar
GARYN77
  • MEMBER
  • 15 POSTS
Joe,

First of all, I did try to start the car in all gears, no good. We pulled the connector off the range sensor and measured 1.7 volts on the red wire with the white tracer. Same voltage as relay pin 2. Then we measured the black wire the best we could, not much room and much light there. Got zero volts both with connector on and off. If you think this is not good let me know and I will try to measure the black wire again. I looked around the local parts stores and found no one carries the range sensor. Called the local Mitsubishi dealer and he can get it in one day for $104.38. Going to look online. I did get part number though.

Thanks,
GaryN77
Oct 3, 2023 at 4:28 PM
Avatar
JACOBANDNICKOLAS
  • CERTIFIED EXPERT
  • 110,175 POSTS
Hi,

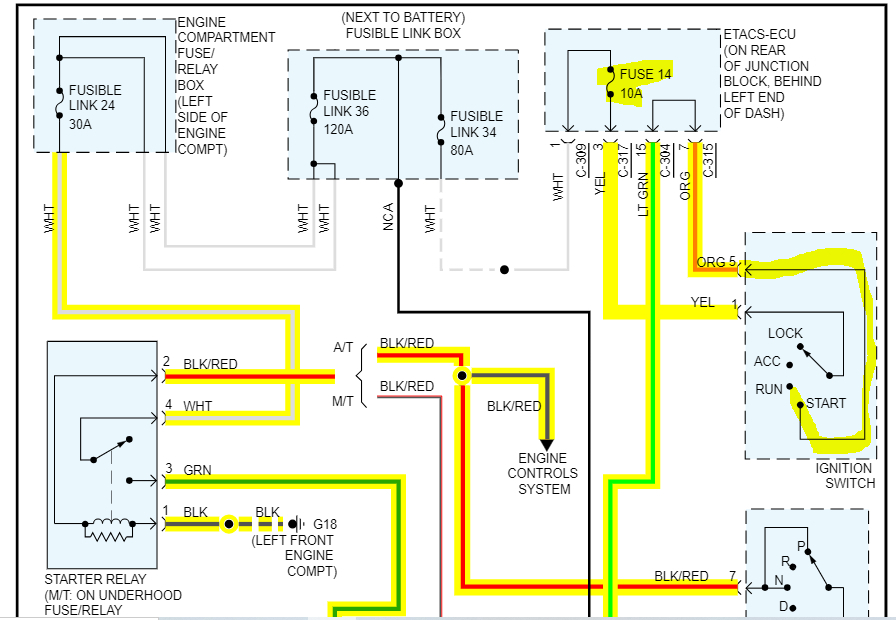
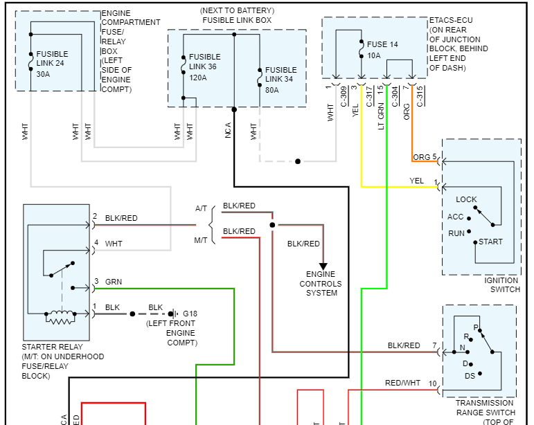
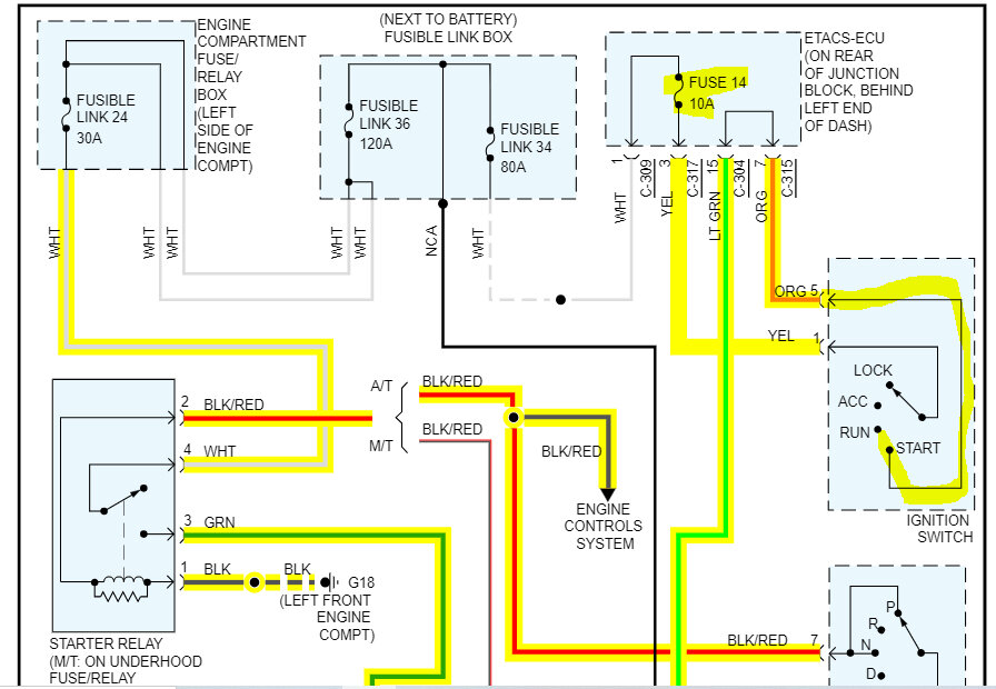
No to the range sensor. We need to determine why you are only getting 1.7V. At this point, I would check the power to the ECU. Power from fuse 14 goes to the ignition switch. In the start position, that power (B+) should go to the ECU via a light green wire. When power is sent, then you should get B+ out of the ECU to the range sensor and if it is in park or neutral, power then would travel to the relay primary. We need B+ to the range sensor red/white wire.

Check to see if the light green wire has B+ voltage when the key is in the start position. If it does, then check the red wire with the white tracer out of the ECU for B+ voltage. If you have 12v in and 1.7 out, the ECU is faulty.

Let me know.
Joe

See pics below.
Oct 3, 2023 at 7:26 PM
Avatar
GARYN77
  • MEMBER
  • 15 POSTS
Hi,

I measured (B+) 12.2 volts on fuse #14 and measured 1.7 volts on the light green and red with white tracer wires. Wires measured at the input of the ECU. All were measured with shifter in park and the key turned to the start position. Looks like something is loading down the ECU or it's just failed.
Let me know what you think?

GaryN77
Oct 6, 2023 at 12:03 PM
Avatar
JACOBANDNICKOLAS
  • CERTIFIED EXPERT
  • 110,175 POSTS
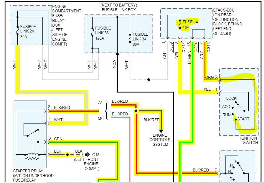
If you are checking power at the input to the ECM, the ECM isn't the issue. We are losing power before it. Are you able to check at the ignition switch? There is an orange wire that changes to the light green one at the ETACS. We may be losing power at that point. Check it. If there is B+ voltage to the ETACS via the orange wire from the ignition switch. Let's first determine where the power is lost.

Let me know.

Joe
Oct 6, 2023 at 8:25 PM
Avatar
GARYN77
  • MEMBER
  • 15 POSTS
Joe,

Measured (B+) 12 volts on the orange wire but could not get anything on the light green wire. The voltage at the orange wire was measured with the ignition switch in the start position'. If this means the ETACS is bad, maybe I should recheck the light green wire again to be sure. I was using a needle to pierce. The insulation after partially disassembling the steering collum. My daughter was off today and helped me. I told her she can have all my tools when I pass.

Thanks again,
GaryN77
Oct 7, 2023 at 6:24 PM
Avatar
GARYN77
  • MEMBER
  • 15 POSTS
Joe,

One thing to check. The part number on the module I thought was the ETACS-ECU was:
8631A079. Do you have a way to check that?

GayN77
Oct 7, 2023 at 6:32 PM
Avatar
JACOBANDNICKOLAS
  • CERTIFIED EXPERT
  • 110,175 POSTS
Gary,

My manual normally would have that information, but for some reason, it doesn't on this vehicle.

While I was checking, I came across a technical service bulletin (TSB) explaining how a "new" one should be installed. I found that odd. Usually, where there is a change to direction, it is the result of an issue with the original one, but there are no additional TSBs that are relevant.

I attached that information below for you to take a look at. As far as the part number is concerned, you may need to confirm that with a dealer. Sorry about that.

Let me know.

Joe

See pics below.
Oct 7, 2023 at 9:37 PM
Avatar
GARYN77
  • MEMBER
  • 15 POSTS
Joe,
When I tried to print the pics of the schematics and picture of the location of ETACS something happened, and I lost them. Could you please send them again and make them larger if possible?

Thanks,
GaryN77
Oct 8, 2023 at 9:30 AM
Avatar
JACOBANDNICKOLAS
  • CERTIFIED EXPERT
  • 110,175 POSTS
Hi,

Are you referring to the ones I attached from the TSB? They would have been the last ones I sent.

Let me know.

Joe
Oct 8, 2023 at 2:58 PM
Avatar
GARYN77
  • MEMBER
  • 15 POSTS
Joe,

Yes, those are the right ones. I tried to print them, and they disappeared. I have a couple of things i want to double check before looking for parts. That module under the dash, the one I am trying to identify, looks brand new. I am open to any suggestions from you. Today was bad weather. day so did not get to the car, it is outside.

I can't say thanks enough.
GaryN77
Oct 8, 2023 at 4:05 PM
Avatar
JACOBANDNICKOLAS
  • CERTIFIED EXPERT
  • 110,175 POSTS
Hi,

No problem. I attached the directions below. I cut each one in half to make them more readable. Let me know if that helps.

Joe
Oct 8, 2023 at 7:02 PM
Avatar
GARYN77
  • MEMBER
  • 15 POSTS
Joe,
Thanks for the schematics and info you sent I can read now because of the larger print. I have taken a break, that's why I have not been.talking to you. I looked for the ETACS-ECM' but gave up and decided to take a break. As I go further I will contact you. Hope to get some nice weather to continue. As near as I can figure, the part # for the ETACS-ECM is 1860A843. Not 100% sure. I will be back in touch.
Thanks,
GaryN77
Oct 15, 2023 at 3:07 PM
Avatar
JACOBANDNICKOLAS
  • CERTIFIED EXPERT
  • 110,175 POSTS
Hi,

No problem whatsoever. Let me know what you find when you can. I'm interested in knowing what is found.

Take care,

joe
Oct 15, 2023 at 6:58 PM
Avatar
GARYN77
  • MEMBER
  • 15 POSTS
Hi Joe,

Sorry it's been a while since talking to you. I will bring you up to date. I finally got frustrated working on the car. So, I called an auto diagnostics gentleman who does complete electrical system diagnostics and repair. He came to where the car was located and had the problems fixed in about an hour. The car had a relay which was not plugged in completely causing the car not to start and a bad module, I think it was what they call a Bluetooth module. He said just to leave it unplugged. He carried all his equipment in a bag in his car. He had a scanner, a computer, all kinds of jumper cables and upgraded schematics He is not like you; he charges for his service. I just wanted to thank you for your help and patience you gave me. I wish I was not so old to do things like crawling around under the dash of a compact car. Thanks again. Hope you had a Merry Christmas and wish you a Happy New Year.

Gary N77
Dec 27, 2023 at 11:04 AM
Avatar
JACOBANDNICKOLAS
  • CERTIFIED EXPERT
  • 110,175 POSTS
Gary,

Thanks for the update. I'm glad to know the problem has been resolved. Has the vehicle been running properly for you now?

Also, I hope you had a great Christmas as well. And, have a great new year.

One other thing. Age has nothing to do with crawling under the dash. It is miserable no matter what your age is. LOL

If I don't hear from you, please feel free to come back anytime in the future. You are always welcome here.

Take good care of yourself.

Joe
Dec 27, 2023 at 9:18 PM
Avatar
GARYN77
  • MEMBER
  • 15 POSTS
Joe,

Thanks again for all your help and time. You guys are something special.

GaryN77
Dec 28, 2023 at 5:55 AM
Avatar
STRAILER
  • CERTIFIED EXPERT
  • 53,854 POSTS
Thanks for noticing us, we try to help the world without asking for anything back. JACOBANDNICKOLAS is one of our best.
Dec 28, 2023 at 10:51 AM