Hi,
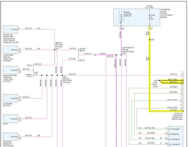
The first thing to do is check fuse 51 (20 amp) in the under-hood power distribution box. If the fuse checks good, confirm there is power to and from it.
Here is a link you may find helpful:
https://www.2carpros.com/articles/how-to-check-a-car-fuse
Next, if the fuse is good and has power flow, I need you to get a test light or multimeter and check for power at pin 16 on the data link connector (DLC). That pin should have 12v at all times direct from the aforementioned fuse.
If that is good, confirm continuity to ground via pins 4 and 5 at the DLC.
Here is a link you may find helpful when testing wiring:
https://www.2carpros.com/articles/how-to-check-wiring
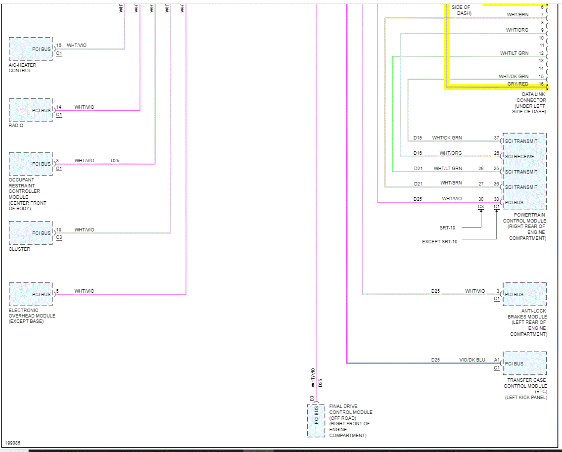
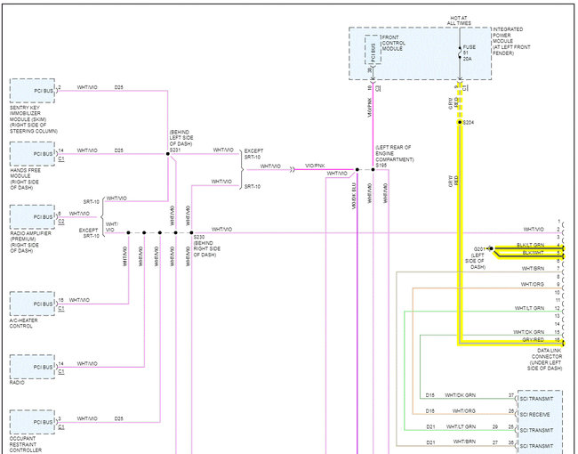
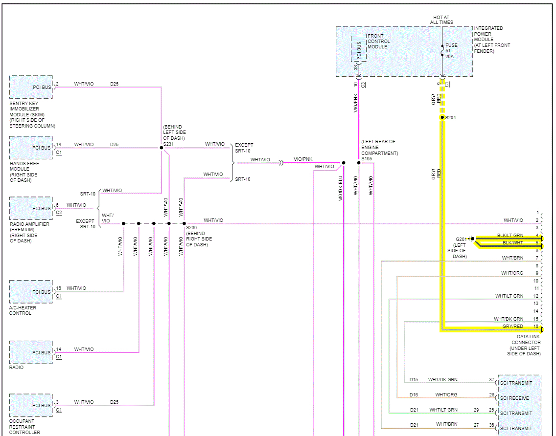
If you look below, pic 1 shows the DLC pinout. I highlighted pin 16 and placed a + under it indicating power to it. Additionally, I highlighted pins 4 and 5 and placed a -- above them indicating ground.,
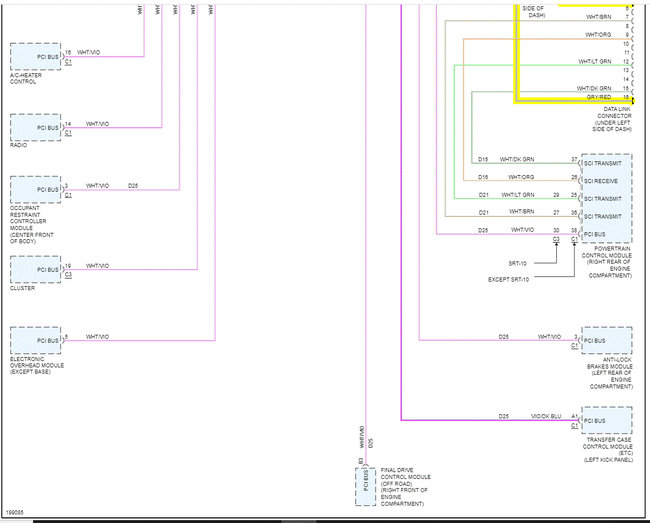
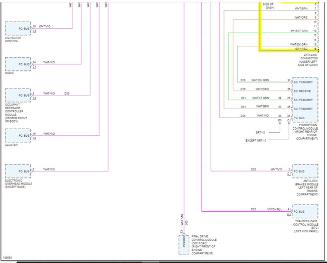
Pics 2 and 3 are the computer data line schematic showing the fuse and wiring to pin 16.
Let me know what you find or if you have questions.
Take care,
Joe
See pics below.
Images (Click to enlarge)
Apr 21, 2022 at 6:44 PM