OBD II port not working

2011 JEEP LIBERTY
130,000 MILES • 2.4L • V6 • 4WD • AUTOMATIC
Avatar
KASHARRA
  • MEMBER
  • 3 POSTS
Can you please tell me which fuses I need to check? Thank you!
Jul 1, 2022 at 10:14 PM
Advertisement
Avatar
STRAILER
  • CERTIFIED EXPERT
  • 53,854 POSTS
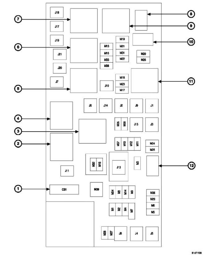
I would check fuse m30 in the TIPM under the hood here is a guide to help you and the fuse location in the diagrams below, I have also included the wiring diagrams for the ALDL connector so you can see how the system works.

https://www.2carpros.com/articles/how-to-check-a-car-fuse

Check out the diagrams (below). Let us know what happens and please upload pictures or videos of the problem.
Jul 2, 2022 at 5:05 PM
Avatar
KASHARRA
  • MEMBER
  • 3 POSTS
Thank you! I tested the one connector at position 16 and no power. I checked every single fuse and no luck. I think it's the harness. Bummer.
Jul 2, 2022 at 8:03 PM
Advertisement
Avatar
STRAILER
  • CERTIFIED EXPERT
  • 53,854 POSTS
Can you check for power at the m30 fuse? if there is none then it is probably the TIPM which is a common failure but easy to fix with a new unit because it self initializes, here is how to change it out. Check out the diagrams (below). Please let us know what happens.

Jul 3, 2022 at 12:20 PM
Avatar
KASHARRA
  • MEMBER
  • 3 POSTS
There was power at the fuse. I had to trace the wire and found corrosion and a break at a soldered connection under the driver's floor mat. Now it works! Woohoo! Thanks so much for the help. The wire was white with red stripe.
Jul 3, 2022 at 3:09 PM
Avatar
STRAILER
  • CERTIFIED EXPERT
  • 53,854 POSTS
Nice work! Glad you could get it fixed, that kind of problem can be tough. Please use 2CarPros anytime we are here to help. Can you please leave us a rating? (Copy entire link)

https://www.google.com/search?q=2carpros&gs_ivs=1#lrd=0x80dcd47364be5d0d:0xba091aa4209f4497,1,,,&tts=0

and

https://www.sitejabber.com/reviews/2carpros.com
Jul 5, 2022 at 11:50 AM