Van has ports for OBD1 and OBD 2, neither work?

1996 FORD E-SERIES VAN
200,000 MILES • 5.1L • V8 • 2WD • AUTOMATIC
Avatar
JIM251431
  • MEMBER
  • 3 POSTS
Van (E350) has ports for OBD1 and OBD 2. Neither work. Car will not start cold without starting fluid. Once started, it will run but when you start to give it gas it stalls. A slow push on the gas will get it to rev to about 3000 before the rpm stabilizes and won't go higher. If you just mash the gas it shuts off. it will normally restart when warm. I have a ford OBD1 tool and an OBD2 tool and the computer will not connect with either. I tried using a test lite/VOMeter and using the check engine lite and could not get the vehicle into the test mode. The check engine lite is on and it was not on prior to this problem. The problem started when this spring I put the battery on trickle charge and after the battery was charged, I forgot to close the hood after I removed the charger and it rained.
Jul 10, 2022 at 6:26 PM
Advertisement
Avatar
STRAILER
  • CERTIFIED EXPERT
  • 53,854 POSTS
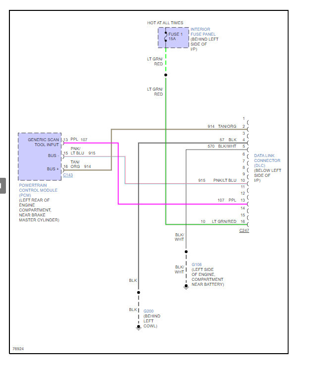
The fact that the engine stalls out when throttled is telling me a fuel delivery issue could be the problem like a clogged fuel filter, weak fuel pump, bad gas. We should run the codes though to see what comes up. Let's check the fuse # 1 - 15 amp in the interior fuse panel. here is a wiring diagram for the OBD2 connector so you can see how the system works and a guide to help you check for power at the fuse:

https://www.2carpros.com/articles/how-to-check-a-car-fuse

Check out the diagrams (below). Please let us know what you find. We are interested to see what it is. Check the ground for the ALDL as well.
Jul 11, 2022 at 2:10 PM
Avatar
JIM251431
  • MEMBER
  • 3 POSTS
I agree 100% with your fuel system diagnosis and that was why I was trying to read codes. My research says that 1996 Fords above 8500 lbs are obd1. Mine is 9100. When I connect to the obd2 (Innova 5410 scanner) all I get is a "cannot connect to the computer " message. When i connect my ford OBD1 scanner to the obd1 connector I get nothing, and the vehicle does not go into the test mode described in the tester manual (Innova ford obd1 tester).
I have replaced the MAP and the TPS
I will check the fuses to see if I have a blown fuse, but you power the obd1 test directly from the battery. I should have checked continuity to the ground, but I didn't (yet). I need access to the computer. It seems that the transmission also is trying to start in second gear. I have to manually select first to get the van to move. I plan on finding a fuel pressure gauge to check fuel pressure, but I need codes.
I will reply again after I check the fuses and grounds, if I can find the grounds.
Jul 11, 2022 at 5:33 PM
Advertisement
Avatar
STRAILER
  • CERTIFIED EXPERT
  • 53,854 POSTS
I found the OBD1 connector wiring diagrams so you can see what to test and how it works. Check out the diagrams (below). Please let us know what happens.

Jul 12, 2022 at 10:58 AM
Avatar
JIM251431
  • MEMBER
  • 3 POSTS
Okay. Fuses and grounds and everything else I could think of to check was checked. I have a parts van of the same year, model and engine. I pulled the computer from it and installed it in the "good" van. Same basic part number but the sub numbers are different. My assumption was that the basic engine parameters would be the same and if it ran, that would tell me that the computer was the problem. Well, it runs properly with the other computer and the code reader shows no problem codes. My question now is, do i get a "proper replacement" or run with the substitute and see what works and what doesn't?
Can I damage anything is my biggest question now?
Thanks for your help.
Jul 23, 2022 at 8:32 AM
Avatar
STRAILER
  • CERTIFIED EXPERT
  • 53,854 POSTS
I don't think you can damage anything. I would run it with the new computer and see what happens, if it has good power and no codes you should be okay. Use 2CarPros anytime, we are here to help. Please tell a friend.
Jul 24, 2022 at 11:37 AM