OBD 2 port wiring diagram, pin out of the ECU connectors needed?

2001 MITSUBISHI ECLIPSE
185,000 MILES • 3.0L • V6 • 2WD • AUTOMATIC
Avatar
JULIO2967
  • MEMBER
  • 1 POST
I'm looking for a diagram the OBD 2 pin out and to make that my port is wired right because on my port. i have it where it is using line terminal 7 and using can low terminal 14. I am just wanting to see if that's right. Also, if you could give me a pin out of the ECU connectors, please? thank you.
Dec 17, 2023 at 1:38 PM
Advertisement
Avatar
STRAILER
  • CERTIFIED EXPERT
  • 53,854 POSTS
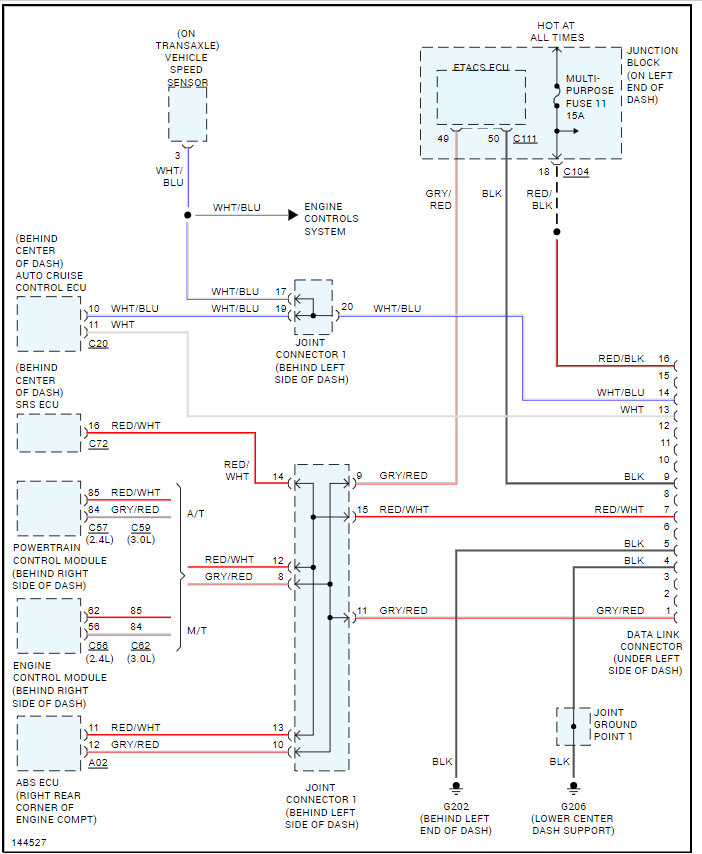
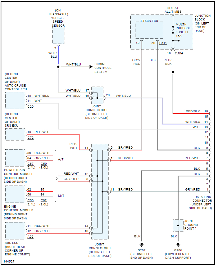
Did you want a pin out or wiring diagram? Here are the wiring diagrams for the OBD connector so you can see how it is wiring and which wires are power and ground which the scanner needs to help connect to the PCM. If you need the wiring diagrams for the PCM please start a new thread because we only handle one problem per thread. Check out the images (below). Let us know if you need anything else.
Dec 18, 2023 at 10:58 AM