OB2 port not working?

2002 FORD RANGER
89,000 MILES • 6 CYL • 2WD • AUTOMATIC
Avatar
MSCARRIE
  • MEMBER
  • 1 POST
The problem was fixed but the check engine light is still on. Diagnostic meter was inserted but OB2 port was not working to reset the check engine light. Which fuse do I need to check?
Jun 5, 2023 at 1:56 PM
Advertisement
Avatar
JACOBANDNICKOLAS
  • CERTIFIED EXPERT
  • 110,175 POSTS
Hi,

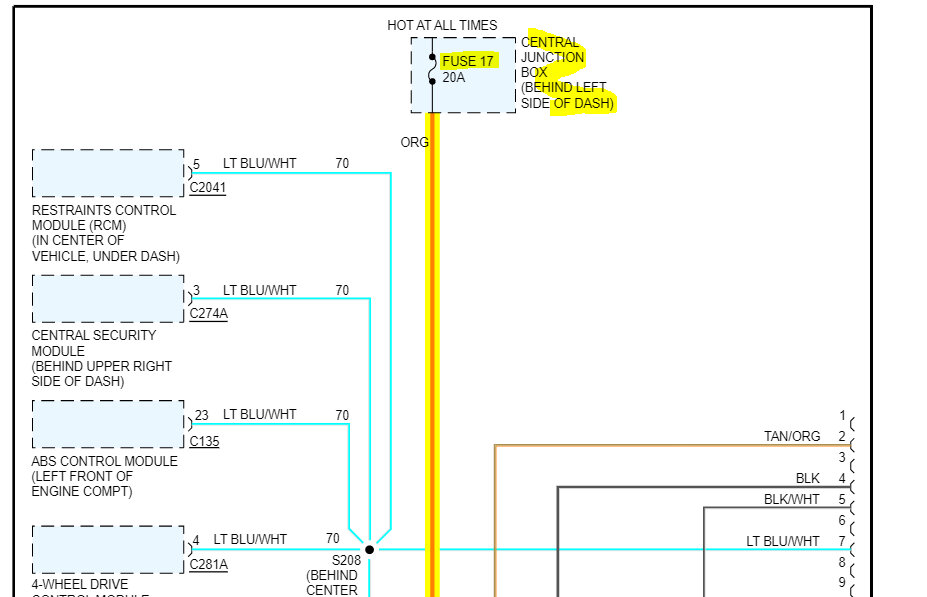
As far as the power supply is concerned, it comes from fuse 17 in the central junction box. At the connector itself, pin 16 should have power at all times. Check that the fuse is good.

Additionally, make sure there is power to and from the fuse as well.

Here is a link you may find helpful:

https://www.2carpros.com/articles/how-to-check-a-car-fuse

Also, I attached the wiring schematic below of the OBD circuit so that you have a reference.

Let me know if this helps or if you have questions.

Take care,

Joe

See pics below. Note: I had to cut the schematic in half to make it readable. I overlapped the two so you can follow from one to the next.
Jun 5, 2023 at 9:02 PM