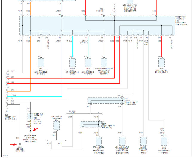
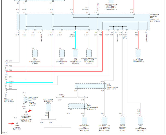
Friends Honda check engine light came on. I attached my ob2 scanner and it gave me a linking error. I attached my simple scanner to see if it’ll power the scanner and it did. So I know I’m getting 12v to the scanner. I also replaced fuse number 23 (10A) in the engine fuse box and still getting the same linking error. I tested both my scanners on different cars and they both work fine. Not sure how else to fix the ob2 port.
Oct 3, 2024 at 3:48 AM

