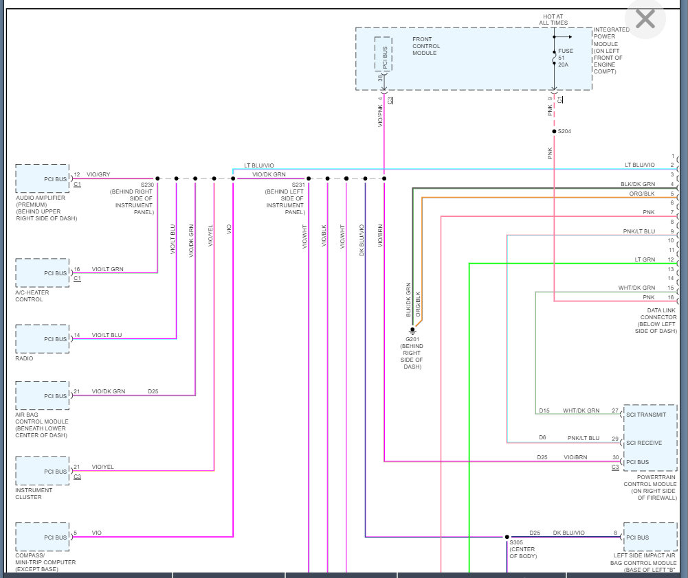
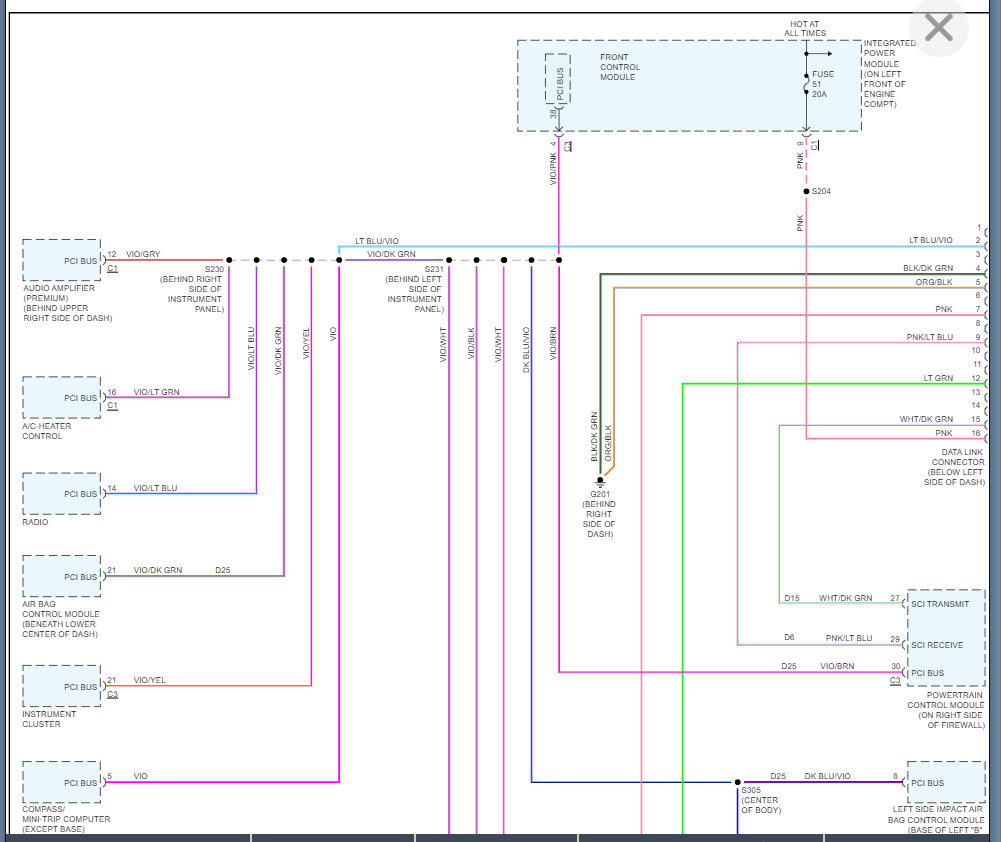
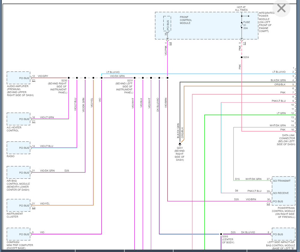
While pushing in clutch the toe of my boot caught programmer cord that is plugged into ob2 port it separated the plug and wires. I put it back together properly (I think) now my programmer screen isn’t coming on and my stereo stopped working. I just watched a yt video you have up, and you mentioned that fuse could be my problem could you point me in the right direction? Where can I find this fuse Thanks!
Jan 20, 2022 at 5:25 PM


