O2 sensor 1 bank 2 reading zero, code P0135

2000 LEXUS LS 400
500,000 MILES • 4.0L • V8 • 2WD • AUTOMATIC
Avatar
QEWANI
  • MEMBER
  • 32 POSTS
I tried swapping the sensor from bank 1 sensor 1 and it reads properly on bank 1, in bank 2 it reads for first drive after the swap but later it only reads zero. I am getting code P0135 tried clearing it and it comes again. for me the sensor seems fine but no idea why it reads zero on bank 2. what could be wrong?
Oct 18, 2019 at 12:34 PM
Advertisement
Avatar
STRAILER
  • CERTIFIED EXPERT
  • 53,854 POSTS
Hello,

This could be a connection problem between the PCM and sensor. Here is a guide so you can check the connections and the engine oxygen sensor wiring diagrams so you can see how the system works and the wires that need to be checked:

https://www.2carpros.com/articles/how-to-check-wiring

Check out the diagrams (below). Please let us know what you find. We are interested to see what it is.
Oct 19, 2019 at 3:58 PM
Avatar
QEWANI
  • MEMBER
  • 32 POSTS
Bank 2 seems having a leak or something, on idle i have noticed that, the STFT on bank 2 reads 19 and O2B1 pre cat reads zero and O2B1 post cat read 9 volts. but with pressing full throttle for seconds the STFT drops to normal 0 to 10, and O2B1 pre cat starts fluctuates between 0.7 to 0 volts and O2B1 post cat drops to zero volts, but when releasing the throttle all returns to same old readings.
Oct 20, 2019 at 9:18 AM
Advertisement
Avatar
STRAILER
  • CERTIFIED EXPERT
  • 53,854 POSTS
An exhaust leak can cause this issue because it allows air into the exhaust system causing the readings to go to 0. We should repair the leak first. Can you please shoot a quick video with your phone so we can see what's going on? that would be great. You can upload it here with your response. That way I can tell if the noise is bad enough to cause the problem.
Oct 20, 2019 at 11:55 AM
Avatar
QEWANI
  • MEMBER
  • 32 POSTS
First 2 videos car on idle and pressing full throttle for seconds.

third video with car driving, the O2B2 sensor one reading but still very low.
Oct 21, 2019 at 11:06 PM
Avatar
STRAILER
  • CERTIFIED EXPERT
  • 53,854 POSTS
Thanks for the videos. On the first one the O2 sensors are not going to do much when the engine is cold and in closed loop. The bank 2 sensor is flat for sure. I didn't hear too much of an exhaust leak did you fix it or? If the wiring is okay (I would double check it) the PCM is bad. The engine seems to run okay? Get a used/rebuilt unit) Check out the diagrams (below). Please let us know what happens.
Oct 22, 2019 at 11:40 AM
Avatar
QEWANI
  • MEMBER
  • 32 POSTS
Will a Japanese PCM will work on american spec car?
Why should i change the PCM?
Oct 22, 2019 at 11:12 PM
Avatar
STRAILER
  • CERTIFIED EXPERT
  • 53,854 POSTS
If the wiring is good and you changed the sensor and the engine is running okay the PCM cannot monitor the sensor so it must be replaced. The part numbers must match.
Oct 23, 2019 at 11:35 AM
Avatar
QEWANI
  • MEMBER
  • 32 POSTS
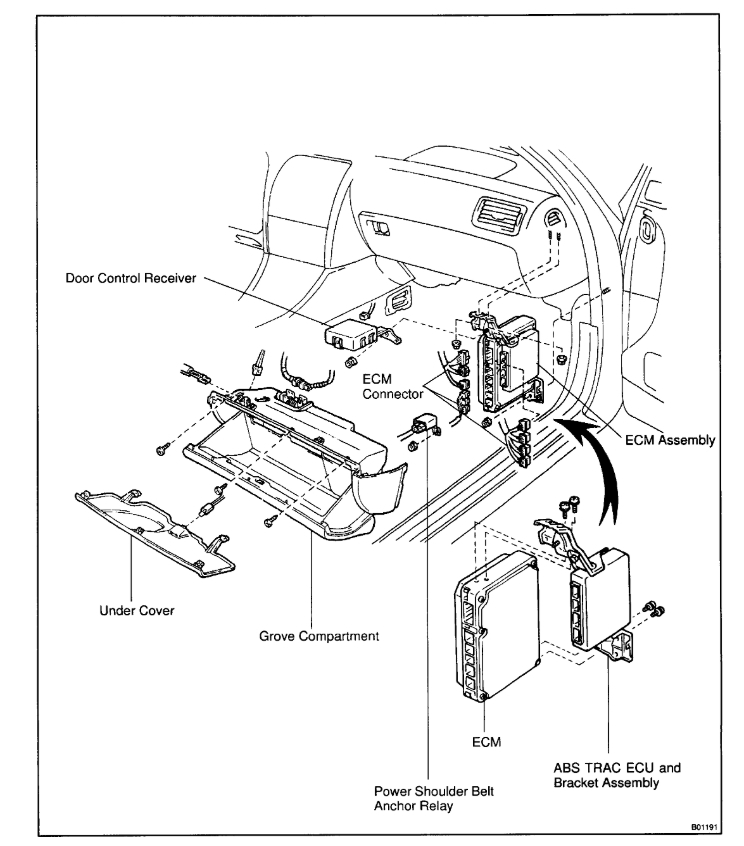
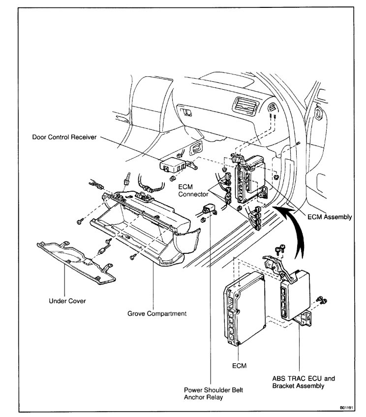
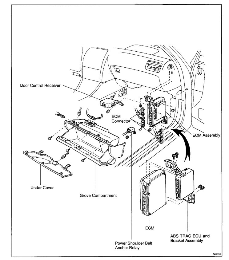
In the diagram you posted it shows ECM unit that is PCM right? will get it changed since the car has 500,000 miles it seems the PCM is bad, really since i cannot reset ABS codes anymore as i used to do before with TC and E1 connected with a pin and depressing brake pedal, currently am getting one code only, will change PCM and report back.
Nov 9, 2019 at 2:36 AM
Avatar
STRAILER
  • CERTIFIED EXPERT
  • 53,854 POSTS
Sounds good, please let us know.
Nov 9, 2019 at 11:21 AM
Avatar
QEWANI
  • MEMBER
  • 32 POSTS
i have changed the ECU with a used ECU, first video showing sensor is reading voltages but after few minutes in video 2 you can see that again its still reading zero. so what is next? shall i return the ECU and reuse my old ECU? i will get my money refund! what to check next?
Nov 26, 2019 at 9:58 AM
Avatar
STRAILER
  • CERTIFIED EXPERT
  • 53,854 POSTS
Maybe we are barking up the wrong tree. An oxygen sensor will not switch if the mixture cannot be controlled. O2 Sensor Heater Circuit Malfunction (Bank 1 Sensor 1) ... Code P0135 occurs when the sensor needs to be replaced, have you done this? Here is a guide to help:

https://www.2carpros.com/articles/how-to-replace-an-oxygen-sensor

Also I have seen the MAF sensor cause this issue here is the location so you can check it out. Check out the diagrams (below). Please let us know what you find.

Nov 26, 2019 at 12:44 PM
Avatar
QEWANI
  • MEMBER
  • 32 POSTS
it has been like almost 2 years and still i have no reading for O2 B2S1 and B2S2 is reading high like 0.8 volts and am getting code of P0135. it is strange that the error OBD code refers to B1 while sensors of B2 are having the problem? what do i need to check next please?
May 23, 2021 at 8:55 PM
Avatar
STRAILER
  • CERTIFIED EXPERT
  • 53,854 POSTS
did you check the wiring from the oxygen sensor to the PCM? if so I would replace all of the oxygen sensors. This is a heater code, also have you check the fuses? this can cause the heater not to work as well.
May 25, 2021 at 10:45 AM
Avatar
QEWANI
  • MEMBER
  • 32 POSTS
could i know how to check the resistance for the oxygen sensor wires, which fuse do i need to check? where it will be located?please
May 26, 2021 at 10:38 AM
Avatar
STRAILER
  • CERTIFIED EXPERT
  • 53,854 POSTS
All of that information in in the first post I gave, the guide shows how to check the wiring and the engine wiring diagrams what wires to test. Please let us know what you find. We are interested to see what it is.
May 28, 2021 at 10:41 AM