Idle surges up and down constantly

1989 NISSAN MAXIMA
180,000 MILES • 3.0L • V6 • 2WD • AUTOMATIC
Avatar
STEVE CHOMA
  • MEMBER
  • 2 POSTS
I have a couple open vacuum lines but don't know where they go because I don't have the label for vacuum routing under the hood. Bought a Haynes manual and it says to refer to the label under the hood .useless book. Anyway I've replaced TPS or throttle valve switch what Nissan calls it. That changed nothing . Also put a hand vacuum pump to EGR valve while running and it didn't affect it at all but I can move EGR plunger by hand. I'm getting a cylinder head temp sensor and detonation sensor code from the obd but it doesn't knock at all after a little stumble it accelerates great no noises or pinging but when you let off the throttle it goes to surging again. It surges high enough to make the leap when you put it in gear have to stand on the brakes to hold it back. Could the cylinder head temperature sensor cause the surge? I'll include some pictures of what I think are improperly routed vacuum lines and the missing ones. a vacuum routing diagram would be a big help or any input to stop the surging and smooth out the idle. Also, the power brakes are a little hard to push not as hard as with engine off but not as much boost as there should be.
Aug 25, 2019 at 4:46 AM
Advertisement
Avatar
SCGRANTURISMO
  • CERTIFIED EXPERT
  • 4,897 POSTS
Hello,

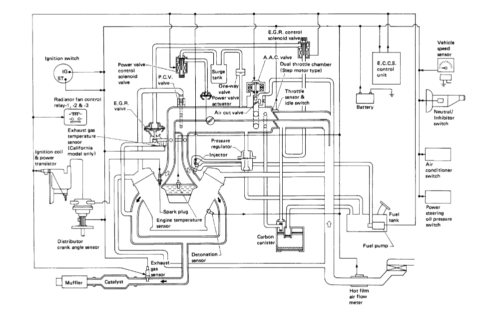
This sounds like a vacuum leak problem. In the diagrams down below I have included a vacuum diagram for your vehicle. Find where those vacuum lines are going to and inspect all the hoses for cracks or general deterioration and get back to us with what you are able to find out.

Thanks,
Alex
2CarPros
Aug 26, 2019 at 3:10 AM