How to bypass the Neutral Safety Switch?

2006 TOYOTA TACOMA
1,858,840 MILES • 4.0L • 6 CYL • 2WD • AUTOMATIC
Avatar
ROBERT JAMES TEMPLE
  • MEMBER
  • 15 POSTS
My truck broke down and I'm stuck in traffic. How do I bypass the switch so I can get home? thanks
Jan 23, 2024 at 9:39 AM
Advertisement
Avatar
STRAILER
  • CERTIFIED EXPERT
  • 53,854 POSTS
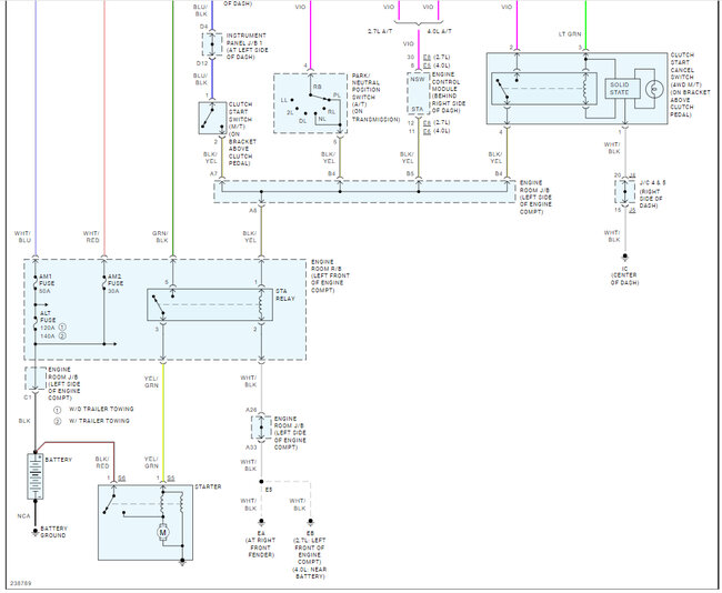
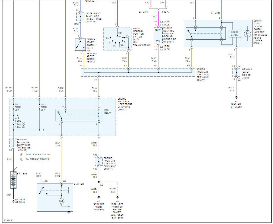
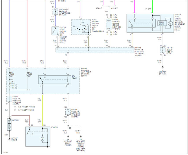
We can't tell you how to bypass the switch due to safety hazards, but you can look at these wiring diagrams to see how the system works. I would just replace the switch here is how. Check out the images (below). Let us know if you need anything else.
Jan 23, 2024 at 11:44 AM
Avatar
ROBERT JAMES TEMPLE
  • MEMBER
  • 15 POSTS
Thank you. I am going to fix it at the moment I'm stuck on the side of freeway, this is helpful.
Jan 23, 2024 at 11:47 AM
Advertisement
Avatar
ROBERT JAMES TEMPLE
  • MEMBER
  • 15 POSTS
Thank you I am going to fix it at the moment I'm stuck on the side of freeway this is helpful
Jan 23, 2024 at 11:47 AM
Avatar
STRAILER
  • CERTIFIED EXPERT
  • 53,854 POSTS
You are welcome, let me know if you need anything else.
Jan 23, 2024 at 12:14 PM
Avatar
ROBERT JAMES TEMPLE
  • MEMBER
  • 15 POSTS
One more thing, can I get the wire diagram for my harness there's wires and how do I put the new range sensor in where do I set dial on sensor?
Jan 23, 2024 at 12:20 PM
Avatar
STRAILER
  • CERTIFIED EXPERT
  • 53,854 POSTS
You should be able to match it to the old one, they don't show me anything else. Can you upload an image of the problem you are having? That way I can see what's going on.
Jan 24, 2024 at 9:49 AM
Avatar
ROBERT JAMES TEMPLE
  • MEMBER
  • 15 POSTS
It only shows in and reverse but does not move forward or reverse there is a specific way I think how to put range sensor on. I had a po2174 pressure sensor d I replaced it. do you think I messed something up? my old range sensor is in pieces really hard to get off.
Jan 24, 2024 at 10:17 AM
Avatar
ROBERT JAMES TEMPLE
  • MEMBER
  • 15 POSTS
I am able to start it using a jumper wire on relay but still moves nowhere.
Jan 24, 2024 at 10:18 AM
Avatar
STRAILER
  • CERTIFIED EXPERT
  • 53,854 POSTS
The engine computer needs to see what gear the truck is in for the transmission to work.
Jan 24, 2024 at 10:29 AM