Where is the Neutral Safety Switch located?

2008 CHEVROLET EQUINOX
256,000 MILES • 3.4L • V6 • 2WD • AUTOMATIC
Avatar
CLAMBO
  • MEMBER
  • 4 POSTS
My car will sometimes start in neutral and sometimes in park and other times won't even start at all when I go to park or neutral. It is really unpredictable and unreliable to start every time the right way. I was wondering where the location of the neutral safety switch is on my year make and model.
Oct 9, 2021 at 4:39 PM
Advertisement
Avatar
JACOBANDNICKOLAS
  • CERTIFIED EXPERT
  • 110,175 POSTS
Hi,

This vehicle doesn't have a traditional neutral safety switch. In its place is a transmission range sensor/switch. The lever attached to the switch is located under the battery box and attached to the switch. Based on which of the two transmissions you have will determine if the switch is internal or external. Most are internal. You will be able to tell when you locate the shift lever on the transmission.

Before replacing the switch, I have a couple of questions. First, does the gear indicator in the vehicle show park or neutral when you try starting it? I ask because in most cases, the cause is the shift cable needing adjustment.

If you would like to check and adjust the cable first, I attached the directions below. This is where I would suggest starting.

Let me know what you find. If that isn't the issue, we have two courses of action. First, determine the transmission you have and replace the switch or scan the can-bus to see if there is a specific code related to the issue. That would confirm if the sensor is bad.

Let me know.

Joe

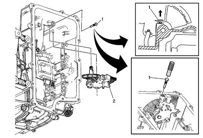
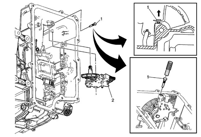
See pic below.
Oct 9, 2021 at 8:14 PM
Avatar
STEVE W.
  • CERTIFIED EXPERT
  • 15,113 POSTS
On that vehicle the switch is internal to the transmission and feeds a signal to the powertrain control module that tells it if the transmission is in park or neutral. However it's replacement requires a special tool to install the retaining pin to avoid damaging the case. The instructions for the switch are attached. To get to the switch requires removing the cover over the valve body and removal of the valve body as well. For that you need to remove two of the transmission mounts (front and rear) and lift the transmission up enough to get room to remove the cover. You drain the fluid out, remove the cover and remove the valve body and solenoid packs. Then you can access the switch. Be very carful with the wiring inside the transmission as it is easy to damage the harness to the solenoids and then you end up replacing those as well.
One thing you might want to try before replacing the switch. Remove the wiring harness connector on the front of the transmission. Check it for corrosion or damage as it doesn't take a lot to cause problems and as you say it sometimes works and then doesn't it sounds like a connection problem. So try cleaning that connector first.
Oct 9, 2021 at 8:15 PM
Advertisement
Avatar
CLAMBO
  • MEMBER
  • 4 POSTS
The indicator shows I'm in park or neutral and everything in between. What is this special tool and do you know how much it is?
Oct 10, 2021 at 12:42 PM
Avatar
CLAMBO
  • MEMBER
  • 4 POSTS
So, the lever in under the fuse box? and the connector as well?
Oct 10, 2021 at 12:43 PM
Avatar
STEVE W.
  • CERTIFIED EXPERT
  • 15,113 POSTS
The tool is Kent Moore J-41229 Depending on where you get it from it runs from under $10.00 to $50.00. The lever is under the battery tray as is the cover you need to get to. You will also want a way to jack the transmission up. I would really try cleaning the connector first, it is the one that goes through the transmission cover. Then use a scan tool to be sure that the switch is the problem.
Oct 10, 2021 at 4:39 PM
Avatar
CLAMBO
  • MEMBER
  • 4 POSTS
If the connector is bad, should I just get a new pig tail for it? because I’ve never really heard of cleaning up a connector if it’s bad.
Oct 10, 2021 at 5:55 PM
Avatar
STEVE W.
  • CERTIFIED EXPERT
  • 15,113 POSTS
Usually, you can spray them with contact cleaner or deoxit and they will still work. The common thing with transmission wiring is that transmission fluid will migrate through the wires and cause issues, or water gets in from the outside. I wouldn't do anything until you discover the actual problem. Testing should find the problem. Hopefully, it will be outside the transmission as replacing the switch isn't a fun job on those.
Oct 10, 2021 at 6:21 PM