Estimated price range for a Knock Sensor replacement?

2009 TOYOTA CAMRY
100,000 MILES • V6 • AUTOMATIC
Avatar
FERNANDO2
  • MEMBER
  • 1 POST
I was wondering about a rough price range for an installation for a Knock sensor.
Sep 29, 2022 at 12:34 AM
Advertisement
Avatar
STRAILER
  • CERTIFIED EXPERT
  • 53,854 POSTS
Here is the price for the dealer part and labor time to change it out. There are two of them

Knock Sensor 8961506010 $279.31 OEM list
Labor for both is at shop rate x 2.0 hours.

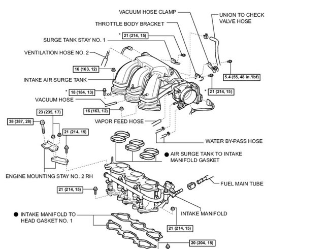
Here is the location for the sensor and how the job is done so you can see what you are paying for in the images below. Check out the images (below). Please let us know if you need anything else to get the problem fixed.
Sep 29, 2022 at 11:32 AM