Nothing works after car shut off while driving, battery fully charged, "red car with key" blinks

2012 NISSAN SENTRA
150,000 MILES • 2.0L • 4 CYL • 2WD • AUTOMATIC
Avatar
MIKEHTX
  • MEMBER
  • 2 POSTS
While driving, the car shut off. The emergency blinkers seemed to work, but I discovered they were only blinking inside the car. Nothing else works.

Cleaned up all the ground connections, and still the same. I can connect an OBDII Scanner and it powers on, but no communication.

Tried a new alternator, no joy.
Apr 19, 2021 at 5:18 PM
Advertisement
Avatar
JACOBANDNICKOLAS
  • CERTIFIED EXPERT
  • 110,175 POSTS
Hi,

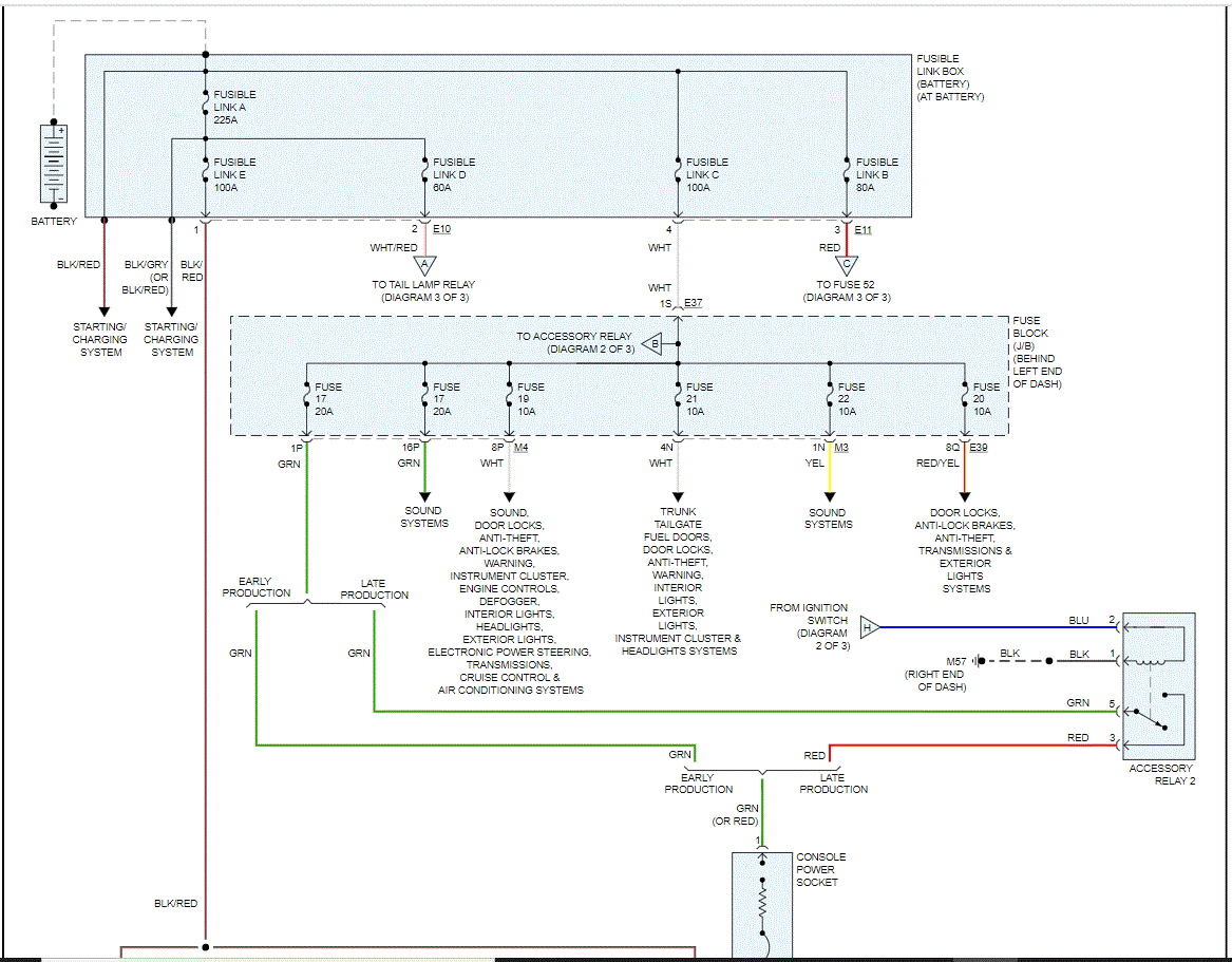
Based on what is happening, I would start by checking the main fusible links. These provide the power to all other fuse boxes and components. I have a feeling either link E or link A is bad.

If you look at the first pic below, I highlighted the fusible links and circled the two I mentioned.

Do a visual inspection and then check for power in and out from them. Here is a link you may find helpful:

https://www.2carpros.com/articles/how-to-check-a-car-fuse

Now, the remaining pics are the wiring schematics for the entire power distribution circuits. I'm adding them in the event you need them. I had to cut the pics in half to make them readable, but I did overlap them so you can follow from one to the next.

Also, the last pic below shows the fusible link box location on the battery. I highlighted the two I'm questioning, but check them all.

Let me know what you find or if you have other questions.

Take care,

Joe

See pics below.
Apr 20, 2021 at 8:00 PM
Avatar
MIKEHTX
  • MEMBER
  • 2 POSTS
Very helpful guidance and schematics, Joe! Thank you!! We finally got the car to run, but it still fails sporadically. It's very weird. If the battery is disconnected and then reconnected, the car is dead. it won't do anything except blink the "red car with a key" symbol and the emergency blinker blinks only inside the car. What I discovered, through process of elimination, is that if the top connector (of the 3 connectors) on the ECU behind the battery is disconnected, then reconnected while the battery is connected, the car works fine the first time, and sometimes it keeps working for a few trips. Eventually, it begins to give the same symptom of the icon blinking, but will sometimes suddenly flash the green key symbol and the car fires up. If that doesn't happen, unplugging the top connector on the ECU does the trick.

I cleaned up all the grounds, including all the metal brackets for the ECU. The alternator is new, although it wasn't actually bad.

So, it seems it's either an ECU issue, or something connected to the top connector on the ECU that resets when the ECU is disconnected from it.

My teenage son drives the car, so I need it to be more dependable. Any other suggestions are greatly appreciated! Thanks again for your help!!

Mike
Apr 21, 2021 at 2:24 PM
Advertisement
Avatar
JACOBANDNICKOLAS
  • CERTIFIED EXPERT
  • 110,175 POSTS
Hi,

When it doesn't start, do all other electrical components work or is it back to only the hazards in the vehicle?

I found an interesting technical service bulletin. It discusses issues with the PCM and a no-crank or no-start condition. I attached it below. It does provide the diagnostics for checking below (pic 1). Pic 2 shows the PCM/ECM connectors. You can identify which connector is in the pic by color. I highlighted each color (Green, Brown, Black).

I would recommend performing the test when there is a no start/no crank condition present. Pic 3 shows the relays in the box to check. The one thing that I strongly recommend is to check the pins and connectors in the harness you are disconnecting. Make sure none are pushed in, damaged, or corroded. That could explain the temporary fix when you do it.

The same with the checks below. Make sure all connections at fuses, relays, and connectors are in good condition. You may want to disconnect the battery, get some terminal cleaner to clean all connections, and then use some dielectric grease on them.

If everything checks good and it continues to be intermittent, it could be the ECM (a bad solder joint on the circuit board). Also, here is a link you may find helpful:

https://www.2carpros.com/articles/how-to-check-wiring

Let me know what you find or if you have other questions.

Joe
Apr 21, 2021 at 6:14 PM