Ken,
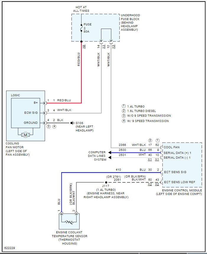
Thanks very much for your help. I agree with what you're saying alright, that there should be codes , i am use to working on the older vehicles , and my experience i had before, is that if the cooling sensor is bad, the car will over heat , all the time, and that is not happening with it, will the check engine light come on if the fan is bad, ken? I would like to try and test the fan, but as i told you before, i can't get the plug for it apart, and i don't want to damage it, and have extra cost, for replacing it also . I seen in videos , where guy use a muti meter , i got one , but the pins on it are to short to probe the connector , to check for continuity , i would like to try and unplug the conector for the fan , and use a 12 volt power supply , and jumper cables to , see if the fan is working or not, but at one of the GM dealer ships , 3 different services advisors , told me you can,t do that on the newer vehicles , it could shot something out and do damage to the ecm, is that true Ken?
Jun 25, 2024 at 11:47 AM