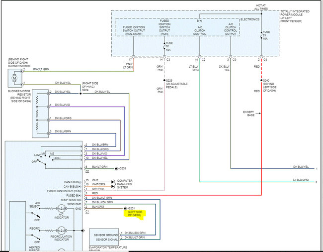
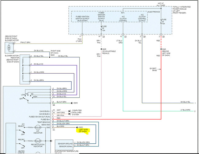
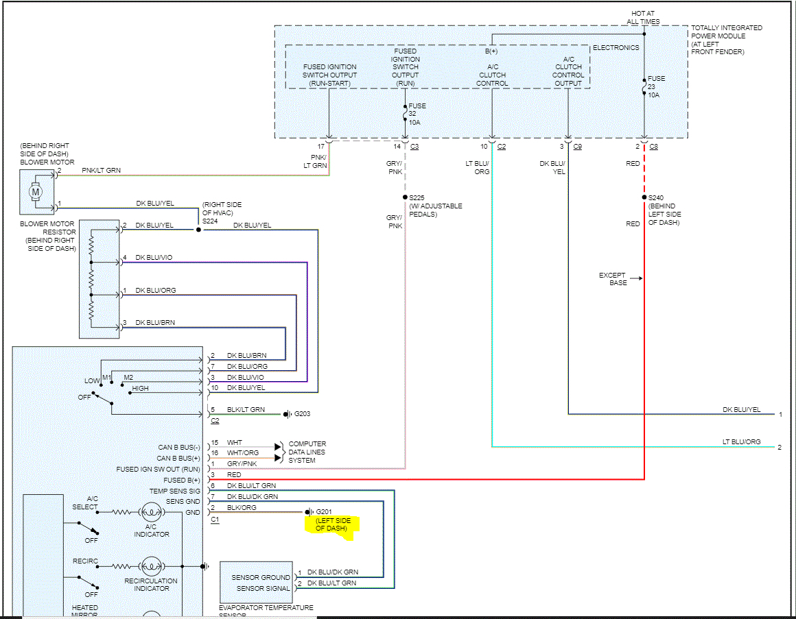
Mode 1 actuator went out so i replaced it and it would switch modes very slowly and finally quit working after about 5 minutes and stayed on middle vents. Cleared all codes and ran an actuator test and still no change. Shows codes on all actuators now. Replaced control board/selector switch and still no change. Pulled all fuses, disconnected battery, and let sit for 20 minutes and it still won't change. With the motor off but key turned on i can hear the actuators moving but does not change directions.
Mar 7, 2022 at 5:31 AM










