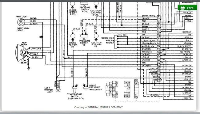
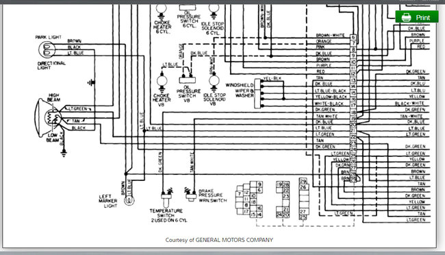
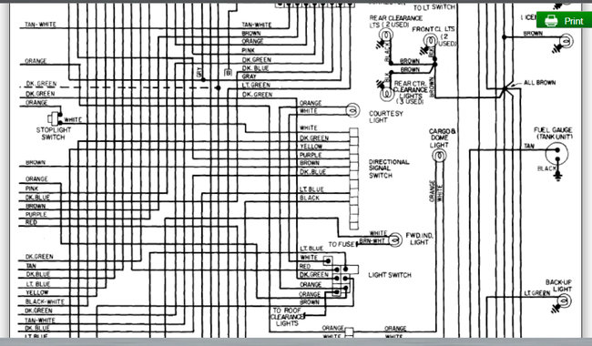
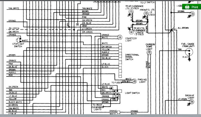
New battery, new battery cables, new starter but still wont start. Turn key on and all the lights come on but no click or clank from starter when putting the ignition to run. No change if it's in park or neutral. Checked the fuses under the dash and all are good.
May 15, 2019 at 9:54 AM















