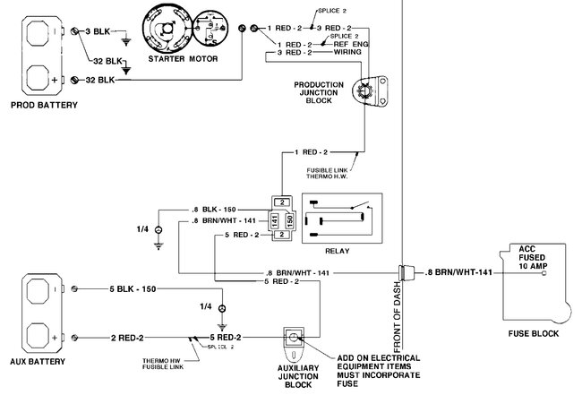
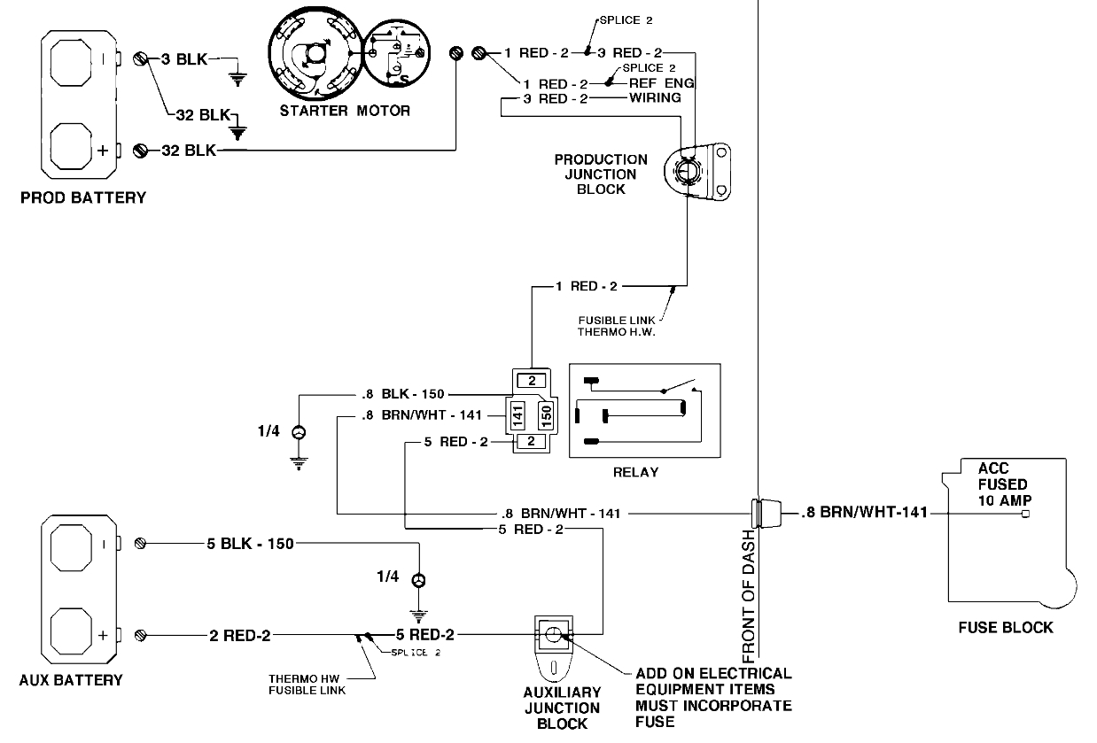
I bought a new Alternator because my battery wouldn't charge, so I bought a new isolator because it wouldn't charge the battery. it started just fine until I changed isolator now it will only start if I Jump large post of isolator to ground on Alternator bracket where I have isolator bolted to.
Feb 12, 2024 at 4:31 AM

