turning over but doesn't start?

2014 FORD FOCUS
158,700 MILES • 2WD • AUTOMATIC
Avatar
  • MEMBER
  • 1 POST
Car tries turning over but doesn't start. I have changed the starter and battery. It makes a clicking sound the lights work
Feb 11, 2026 at 2:05 PM
Advertisement
Avatar
AL514
  • CERTIFIED EXPERT
  • 5,464 POSTS
Hello, so the engine tries to crank over but only clicks sometimes? Is that a correct description of the issue?
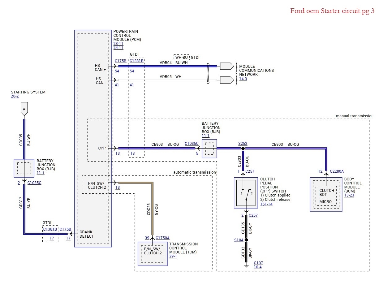
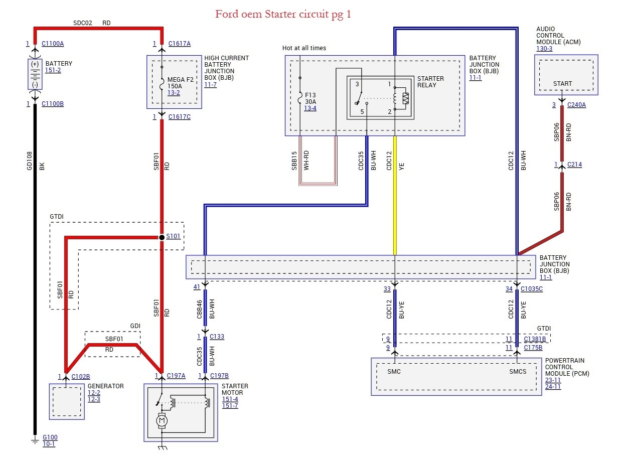
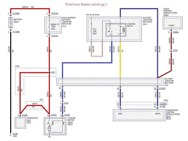
Ill post the wiring diagrams for the Starter motor circuit, but it sounds like either there isnt full battery voltage reaching the starter, or you have a bad ground. The starter motor pulls hundreds of amps when cranking, if the ground path of the vehicle has an issue, there is no return path for all that current. Or you got a new bad starter. That happens all the time now.
Feb 11, 2026 at 7:01 PM
Avatar
AL514
  • CERTIFIED EXPERT
  • 5,464 POSTS
Is this the 2.0 liter engine?
Feb 11, 2026 at 7:02 PM
Advertisement
Avatar
AL514
  • CERTIFIED EXPERT
  • 5,464 POSTS
The first diagram is the Starter wiring diagram, it looks complicated being so compact. But really you need to check for full battery voltage on both wires at the starter. You'll need someone to crank the vehicle while you are checking voltage on the Blue/White wire since its the control wire that energizes the starter solenoid. Here are some guides to help. Let us know what you find.

https://www.2carpros.com/articles/how-to-use-a-voltmeter

https://www.2carpros.com/articles/starter-not-working-repair

https://www.2carpros.com/articles/how-to-check-an-electrical-relay-and-wiring-control-circuit
Feb 11, 2026 at 7:34 PM