Not start with weak and short cracking

2003 PONTIAC MONTANA
82,000 MILES • 3.4L • 6 CYL • 2WD • AUTOMATIC
Avatar
XJSHEN
  • MEMBER
  • 245 POSTS
When tried to test starter on the car there was a circuit shortage happened with spark. Fuses may be damaged, which fuse maybe broken?
after disconnected negative battery end released starter and tested it in AutoZone, the starter was working. When restore starter i wrongly connected battery positive end to negative ground end of starter. And when l reconnect battery negative end, the starter was running.
this error also can damage fuses and parts?
I replaced old starter with a working starter and connected with correct starter ends. But not start with weak short cracking sound.

Headlight and dashboard lights and radio were all turned on. Battery voltage was 12..40 v after charged with jump wire on other car for 5 minutes, but couldn’t start.
after two days the voltage dropped 11.90. I am so sorry for my mistakes..
Thanks your reviews and instructions and helps!
Aug 17, 2020 at 4:52 AM
Advertisement
Avatar
ASEMASTER6371
  • CERTIFIED EXPERT
  • 52,796 POSTS
Good morning,

11.9 is way too low. The battery is dead. I would start by replacing the battery itself.

https://www.2carpros.com/articles/car-battery-load-test

https://www.2carpros.com/articles/symptoms-of-a-bad-car-battery

https://www.2carpros.com/articles/how-to-replace-a-car-battery

Low voltage could cause the issues you have.

Can you upload a video of it trying to start?

Roy
Aug 17, 2020 at 5:07 AM
Avatar
XJSHEN
  • MEMBER
  • 245 POSTS
May I asked a question please? Battery tested in AutoZone that was 460 CCA, 12.47V after charge. And tech said that now it is okay, but recommended replace with new battery.
Aug 17, 2020 at 7:25 AM
Advertisement
Avatar
XJSHEN
  • MEMBER
  • 245 POSTS
I will replace with new battery but l am afraid of damaging new battery if circuit and fuses had damaged. Thanks!
Aug 17, 2020 at 7:30 AM
Avatar
ASEMASTER6371
  • CERTIFIED EXPERT
  • 52,796 POSTS
Tech was correct. 470 is way too low. You want a battery with 800 CCA.

No, you will not damage the battery.We need to start with good power to continue.

Roy
Aug 17, 2020 at 7:50 AM
Avatar
XJSHEN
  • MEMBER
  • 245 POSTS
I replaced new battery (12.70 V) but It could not start, though cracking sound is higher than other old battery (12.11 V this morning). If my mistakes caused fuses or relays damage?
Aug 17, 2020 at 8:51 AM
Avatar
XJSHEN
  • MEMBER
  • 245 POSTS
New battery is AcDelco Gold with 800CCA, 12.770V.
Aug 17, 2020 at 8:54 AM
Avatar
ASEMASTER6371
  • CERTIFIED EXPERT
  • 52,796 POSTS
Okay, is it hooked up?

Does it start?

Roy
Aug 17, 2020 at 8:59 AM
Avatar
XJSHEN
  • MEMBER
  • 245 POSTS
No. It does not start.
Aug 17, 2020 at 10:58 AM
Avatar
ASEMASTER6371
  • CERTIFIED EXPERT
  • 52,796 POSTS
Okay, does the starter make any noise?

https://www.2carpros.com/articles/starter-not-working-repair

You may need to reset the security for the theft system.

https://www.2carpros.com/articles/how-to-reset-a-security-system

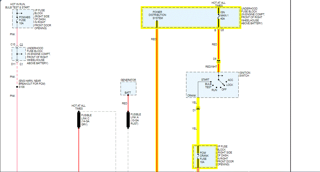
I attached a wiring diagram for you to view.

https://www.2carpros.com/articles/how-to-check-wiring

Do you have a voltmeter or test light to do some checks?

https://www.2carpros.com/articles/how-to-check-an-electrical-relay-and-wiring-control-circuit

https://www.2carpros.com/articles/how-to-check-a-car-fuse

Roy

Aug 17, 2020 at 11:55 AM
Avatar
XJSHEN
  • MEMBER
  • 245 POSTS
Yes. Start made noise higher than old battery, but could not start. I have multi-meter and light tester. I will check with your sent instructions and document.. thanks a lot!
Aug 17, 2020 at 11:33 PM
Avatar
ASEMASTER6371
  • CERTIFIED EXPERT
  • 52,796 POSTS
You are welcome.

Keep me updated with the results.

Roy
Aug 18, 2020 at 4:18 AM
Avatar
XJSHEN
  • MEMBER
  • 245 POSTS
Thanks a lot! I do not have high level multi-meter to check problems. So, today, I used a service for “car not start”, and requested a Tech bring his tools and resolve the problems on my car. He told me that battery disconnection caused ECU lock. He released frozen ECU and started engine. But engine could not keep running at idle state. Then he footed high acceleration several times that reached high RPM's to 5,000 rpm's, and soon caused many problems, air flow rate from mass air flow sensor was increased from 18.

With new battery, at beginning by his scanning there was no DTCs remain on the ECU (0/127). But after continuous stop and running, many times, again and over again absolute throttle position increased 12.549 – 14.388 – 44.786, (standard 0-14); air flow rate from mass air flow sensor was increased to18.299 -13.550-44.706 – 385.04; Fuel system 1 status value: OL - Fault. Fuel system 2 status –
Oxygen sensor output voltage B1S1 value: 0 (standard value 0-5); Oxygen sensor output voltage B1S2 value: 0.025 (standard value 0.1 -0.9 V).

DTCs: P0131, state: pending, P0300, state: pending, but damaged both sensors.
And new battery also damaged with only 11.4 V while this morning was 12.85 V.

And he recommended replace all ignition module, Idle Control Valve, Mass Airflow Sensor, and throttle body and sensor. I do not know how deal with this misconduct and to fix problems. Your instruction is very important. Thanks!

Aug 18, 2020 at 8:16 PM
Avatar
ASEMASTER6371
  • CERTIFIED EXPERT
  • 52,796 POSTS
Good morning again,

What problems were created by revving to 5,000?

The codes 131 and 300 are not from his high RPM push. That does not damage anything.

I do not understand the battery voltage? You said it is 12.9 this morning. Was that running or with the engine off?

How do you think the battery was damaged? What was damaged?

The 300 is a misfire code. It could be related to plugs and wires. It could also be from low fuel pressure which is most common.

https://www.2carpros.com/articles/engine-misfires-or-runs-rough

https://www.2carpros.com/articles/how-to-check-fuel-system-pressure-and-regulator

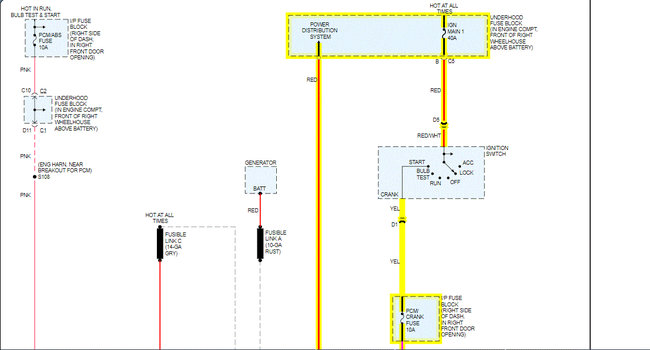
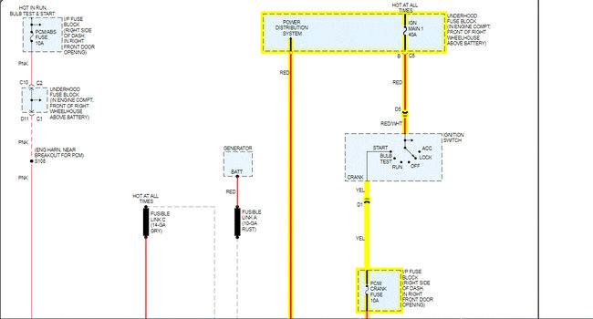
The 131 is for an O2 sensor heater circuit. I posted below about the code and attached the flow chart for you.

https://www.2carpros.com/articles/how-an-oxygen-sensor-works

https://www.2carpros.com/articles/how-to-test-an-oxygen-sensor-02-sensor

The one reading I would like to see is the long term trim reading for the O2 sensor.

Roy

CIRCUIT DESCRIPTION
Heated oxygen sensors (HO2S) are used for fuel control and post catalyst monitoring. Each HO2S compares the oxygen content of the surrounding air with the oxygen content of the exhaust stream. When the vehicle is first started, the power-train control module (PCM) operates in an Open Loop mode, ignoring the HO2S signal voltage when calculating the air-to-fuel ratio. The PCM supplies the HO2S with a reference, or bias, voltage of about 450 mV. The HO2S generates a voltage within a range of 0-1,000 mV that fluctuates above and below bias voltage once in Closed Loop. A high HO2S voltage output indicates a rich fuel mixture. A low HO2S voltage output indicates a lean mixture. Heating elements inside the HO2S minimize the time required for the sensors to reach operating temperature, and to provide an accurate voltage signal. If the PCM detects that the HO2S 1 voltage remains below a calibrated amount for an excessive amount of time, DTC P0131 will set.

Each HO2S 1 has the following circuits:
A HO2S 1 high signal circuit
A HO2S 1 low reference circuit
A HO2S 1 heater ignition voltage circuit
A HO2S 1 heater low control circuit
A low reference loop circuit

CONDITIONS FOR RUNNING THE DTC
DTCs P0101, P0102, P0103, P0107, P0108, P0112, P0113, P0116, P0117, P0118, P0121, P0122, P0123, P0125, P0128, P0410, P0440, P0442, P0443, P0446, P0449, P1441 are not set.
The Air Fuel Ratio parameter is between 12:1-16.5:1.
The TP sensor parameter is between 3-35 percent.
The system voltage is between 9-18 volts.

CONDITIONS FOR SETTING THE DTC
The PCM detects that the HO2S 1 voltage is less than 140 mV for more than 30 seconds.

OR

The PCM detects that the HO2S 1 voltage is less than 600 mV during power enrichment (PE) mode for more than 10 seconds.

ACTION TAKEN WHEN THE DTC SETS
The control module illuminates the malfunction indicator lamp (MIL) on the second consecutive ignition cycle that the diagnostic runs and fails.
The control module records the operating conditions at the time the diagnostic fails. The first time the diagnostic fails, the control module stores this information in the Failure Records. If the diagnostic reports a failure on the second consecutive ignition cycle, the control module records the operating conditions at the time of the failure. The control module writes the operating conditions to the Freeze Frame and updates the Failure Records.

CONDITIONS FOR CLEARING THE MIL/DTC
The control module turns OFF the malfunction indicator lamp (MIL) after 3 consecutive ignition cycles that the diagnostic runs and does not fail.
A current DTC, Last Test Failed, clears when the diagnostic runs and passes.
A history DTC clears after 40 consecutive warm-up cycles, if no failures are reported by this or any other emission related diagnostic.
C lear the MIL and the DTC with a scan tool.

300

SYSTEM DESCRIPTION
The power-train control module (PCM) uses information from the ignition control (IC) module and the camshaft position (CMP) sensor in order to determine when an engine misfire is occurring. By monitoring variations in the crankshaft rotation speed for each cylinder, the PCM is able to detect individual misfire events. A misfire rate that is high enough can cause the 3-way catalytic converter (TWC) to overheat under certain driving conditions. The malfunction indicator lamp (MIL) will flash ON and OFF when the conditions for TWC overheating are present. If the PCM detects a misfire rate sufficient to cause emission levels to exceed mandated standards, DTC P0300 will set.

CONDITIONS FOR RUNNING THE DTC
DTCs P0101, P0102, P0103, P0107, P0108, P0116, P0117, P0118, P0121, P0122, P0123, P0125, P0128, P0336, P0341, P0502, P0503, P1106, P1107, P1114, P1115, P1121, P1122, P1336, P1351, P1352, P1361, P1362, P1374 are not set.
The engine speed is between 525-5,900 RPM.
The ignition voltage is between 9-18 volts.
The engine coolant temperature (ECT) is between -7 and +125°C (21-255°F).
The fuel level is more than 10 percent.
The throttle position (TP) sensor angle is steady within 1 percent.
The antilock brake system (ABS) and the traction control system are not active.
The transmission is not changing gears.
The A/C clutch is not changing states.
The PCM is not in fuel shut-off or decel fuel cut-off mode.
The PCM is not receiving a rough road signal.

CONDITIONS FOR SETTING THE DTC
The PCM is detecting a crankshaft rotation speed variation indicating a misfire sufficient to cause emission levels to exceed mandated standards.

ACTION TAKEN WHEN THE DTC SETS
The control module illuminates the malfunction indicator lamp (MIL) on the second consecutive ignition cycle that the diagnostic runs and fails.
The control module records the operating conditions at the time the diagnostic fails. The first time the diagnostic fails, the control module stores this information in the Failure Records. If the diagnostic reports a failure on the second consecutive ignition cycle, the control module records the operating conditions at the time of the failure. The control module writes the operating conditions to the Freeze Frame and updates the Failure Records.

CONDITIONS FOR CLEARING THE MIL/DTC
The control module turns OFF the malfunction indicator lamp (MIL) after 3 consecutive ignition cycles that the diagnostic runs and does not fail.
A current DTC, Last Test Failed, clears when the diagnostic runs and passes.
A history DTC clears after 40 consecutive warm-up cycles, if no failures are reported by this or any other emission related diagnostic.
Clear the MIL and the DTC with a scan tool.

DIAGNOSTIC AIDS
Excessive vibration from sources other than the engine could cause DTC P0300 to set. The following are possible sources of vibration:
Variable thickness brake rotors-Refer to Symptoms - Hydraulic Brakes in Hydraulic Brakes. See: Hydraulic System, Brakes > Symptom Related Diagnostic Procedures
Worn or damaged accessory drive belt-Refer to Symptoms in Engine. See: Engine > Symptom Related Diagnostic Procedures
Spray water on the secondary ignition components using a spray bottle. Look and listen for arcing or misfiring.

Aug 19, 2020 at 4:05 AM
Avatar
XJSHEN
  • MEMBER
  • 245 POSTS
He pressed the accelerator until the engine screamed Up to more than 5,000 rpm's for several time, and many smocks created on the engine hood. I just surprised and shocked. So, there was too much fuel and air burning created too high heat that over oxygen sensor bearable limitation. Thereafter soon cause service engine soon light and code p0131 and p0300. And many parameters became worse and worse.
He should have stopped at early stage, but he continued start - acceleration -stop and turned on lights for more than 40 minutes caused battery without charging voltage decreased from new battery with 12.95 v decreased to 11.40 v. At beginning there was no any DTC stored in PCU.
Thanks!
Aug 19, 2020 at 5:35 AM
Avatar
ASEMASTER6371
  • CERTIFIED EXPERT
  • 52,796 POSTS
Okay, what is the voltage at the battery with the engine running?

https://www.2carpros.com/articles/how-to-check-a-car-alternator

At 11.4, you need to charge the battery back to 12.6 volts.

No, the O2 sensor was not and cannot be damaged from high RPM at all.

Again, can you tell me the long term trim reading for the O2 sensor?

Roy
Aug 19, 2020 at 5:40 AM
Avatar
XJSHEN
  • MEMBER
  • 245 POSTS
I don’t know how to read long term trim reading.

Battery voltage was 12.45 V when he stopping last time yesterday, but dropped to 11.40 V this morning. I think that alternator charged in short time. But battery function decreased a lot.
O2 Sensor Output voltage B1S1value = 0;
O2 Sensor Output voltage B1S2 value = 0.025v
It is showing both sensors were damaged. Standard value was 0 - 5 V and 0.2 - 0.5 v each.
Aug 19, 2020 at 6:42 AM
Avatar
ASEMASTER6371
  • CERTIFIED EXPERT
  • 52,796 POSTS
No, they are not damaged. The 131 code is for the bank 1 sensor. If the heater circuit is not working, the sensor will not read correctly and the result is the voltage you see.

Bank 2 sensor has only 1 function and that is to monitor the cat converter and no control over fuel mapping.

The voltage for the sensors are 0 to 1 volt.

If you have a scan tool, it should list long term trim reading in %.

Roy

Aug 19, 2020 at 6:48 AM
Avatar
XJSHEN
  • MEMBER
  • 245 POSTS
Both oxygen sensors were brand new Item, and have never run until his operation.l can’t do so many works by myself. I will send car to GM dealer to review completely and repair and will charge to the company, and have to report to NCDOT and go to legal action in the court if they don’t responsible for the lost.
Aug 19, 2020 at 7:35 AM
Avatar
ASEMASTER6371
  • CERTIFIED EXPERT
  • 52,796 POSTS
Okay, keep me updated with the results.

Roy
Aug 19, 2020 at 7:44 AM
Avatar
XJSHEN
  • MEMBER
  • 245 POSTS
Hello Roy,

I started to fix the problem by myself. Now ignition is okay, but when start engine the RPM surged 3,200 rpm's, and down to 700 rpm's in idle condition, and up to 1,000 rpm's, and down and up 1,500 rpm's, etc. with vibration, engine running was not steadily. and when changed gear to start running the start is rough with RPM surge over 1,000 rpm's. The gear change is okay, window power, radio, dash board power all on. By short start time and running shortly 5 feet soon triggered codes P0131 and p0300. I just replaced O2 sensor bank1 but got P0131. I recorded power train live data with scanner, Innova 3130Lat+ (power chain live data) (attached first figure) and with Actron RCP9575 (I/M monitors data) data, but I do not know how to explain the data, and what was problem.

TSP value is looked high 27.5% to 30%, and O2 bank1 sensor problem is recognized.
May you provide your professional comment on the data and instruct me how to find the problematic location and parts.
Thanks for your instruction and direction!
Aug 31, 2020 at 10:54 PM
Avatar
ASEMASTER6371
  • CERTIFIED EXPERT
  • 52,796 POSTS
Okay, the 300 is a misfire code.

https://www.2carpros.com/articles/engine-misfires-or-runs-rough

Did you check the fuel pressure? That is a common cause for this code.

https://www.2carpros.com/articles/how-to-check-fuel-system-pressure-and-regulator

What kind of EGR valve do you have? Is it a linear valve or vacuum?

131 flow chart is below for you to follow.

Let me know the results of the testing.

Roy

CIRCUIT DESCRIPTION
Heated oxygen sensors (HO2S) are used for fuel control and post catalyst monitoring. Each HO2S compares the oxygen content of the surrounding air with the oxygen content of the exhaust stream. When the vehicle is first started, the power-train control module (PCM) operates in an Open Loop mode, ignoring the HO2S signal voltage when calculating the air-to-fuel ratio. The PCM supplies the HO2S with a reference, or bias, voltage of about 450 mV. The HO2S generates a voltage within a range of 0-1,000 mV that fluctuates above and below bias voltage once in Closed Loop. A high HO2S voltage output indicates a rich fuel mixture. A low HO2S voltage output indicates a lean mixture. Heating elements inside the HO2S minimize the time required for the sensors to reach operating temperature, and to provide an accurate voltage signal. If the PCM detects that the HO2S 1 voltage remains below a calibrated amount for an excessive amount of time, DTC P0131 will set.

Each HO2S 1 has the following circuits:
A HO2S 1 high signal circuit
A HO2S 1 low reference circuit
A HO2S 1 heater ignition voltage circuit
A HO2S 1 heater low control circuit
A low reference loop circuit

CONDITIONS FOR RUNNING THE DTC
DTCs P0101, P0102, P0103, P0107, P0108, P0112, P0113, P0116, P0117, P0118, P0121, P0122, P0123, P0125, P0128, P0410, P0440, P0442, P0443, P0446, P0449, P1441 are not set.
The Air Fuel Ratio parameter is between 12:1-16.5:1.
The TP sensor parameter is between 3-35 percent.
The system voltage is between 9-18 volts.

CONDITIONS FOR SETTING THE DTC
The PCM detects that the HO2S 1 voltage is less than 140 mV for more than 30 seconds.

OR

The PCM detects that the HO2S 1 voltage is less than 600 mV during power enrichment (PE) mode for more than 10 seconds.

ACTION TAKEN WHEN THE DTC SETS
The control module illuminates the malfunction indicator lamp (MIL) on the second consecutive ignition cycle that the diagnostic runs and fails.
The control module records the operating conditions at the time the diagnostic fails. The first time the diagnostic fails, the control module stores this information in the Failure Records. If the diagnostic reports a failure on the second consecutive ignition cycle, the control module records the operating conditions at the time of the failure. The control module writes the operating conditions to the Freeze Frame and updates the Failure Records.

CONDITIONS FOR CLEARING THE MIL/DTC
The control module turns OFF the malfunction indicator lamp (MIL) after 3 consecutive ignition cycles that the diagnostic runs and does not fail.
A current DTC, Last Test Failed, clears when the diagnostic runs and passes.
A history DTC clears after 40 consecutive warm-up cycles, if no failures are reported by this or any other emission related diagnostic.
Clear the MIL and the DTC with a scan tool.
Sep 1, 2020 at 4:04 AM
Avatar
XJSHEN
  • MEMBER
  • 245 POSTS
I measured fuel rail pressure on the fuel pressure test port, and image result is attached: when turn key on the ignition without turn on engine indicated about 40 PSI, and when turned key on start engine at idle was more than 55 PSI, and then decreased to 50 psi and reached to 48 PSI. after stopped engine pressure decreased to 0 PSI. What is standard fuel line pressure on the vehicle listed above? And RPM increased 2,000 rpm's to 3,000 rpm's and down to 1,500 rpm's. I do not know standard fuel line PSI. If the EGR system is not able to recycle the engine gasses right, that caused too much gas injected to engine and cause multiple misfire and created P0300? If ERG valve works normal can decrease the RPM?
I replaced throttle body sensor, idle control valve, but did not replaced ERG valve. I want to clean ERG valve first and test run, if not work buy new one.

Thanks for your review and instruction!
Sep 3, 2020 at 4:24 PM
Avatar
XJSHEN
  • MEMBER
  • 245 POSTS
I have not check vacuum leak yet, since there was no vacuum related codes (P0442, P0446, P0455). But I do not know how this connect to create p0131code and O2 sensor bank 1 low voltage?
Sep 3, 2020 at 4:27 PM
Avatar
ASEMASTER6371
  • CERTIFIED EXPERT
  • 52,796 POSTS
The fuel spec is 52-59 with the engine running.

The fact it drops to 48 pounds tells me the fuel pump is the issue with misfire code.

https://www.2carpros.com/articles/how-to-replace-an-electric-fuel-pump

The 131 code may be related to the low fuel pressure. It could not adjust the fuel mapping so it coded for it.

https://www.2carpros.com/articles/how-emission-control-systems-work

https://www.2carpros.com/articles/evap-system-code-repair

Roy
Sep 3, 2020 at 4:36 PM
Avatar
XJSHEN
  • MEMBER
  • 245 POSTS
Correction: After bleed air the pressure decreased zero, but not when stopped to zero, and bleed line did not got gas, gauge adapt line got gas when released adaptor from pressure test port.
Sep 3, 2020 at 4:43 PM
Avatar
ASEMASTER6371
  • CERTIFIED EXPERT
  • 52,796 POSTS
What is the pressure with the engine running?

Roy
Sep 3, 2020 at 5:01 PM
Avatar
XJSHEN
  • MEMBER
  • 245 POSTS
I tested again for fuel line pressure: when turned key on ignition without start was 45 psi; turned on to ignition and start engine, was between 58-59 psi about 10 seconds, then decreased to 55-54 psi, and became 53 psi, and then kept on 52 psi on idle state without running, and the rpm was 1,500 rpm's, and decreased 1,950 to 1,000 rpm's, then decreased to 500-650 rpm's. So, fuel pressure looks normal. Engine vibration is decreased but still vibrates but didn’t get engine service soon light.
Sep 3, 2020 at 8:16 PM
Avatar
ASEMASTER6371
  • CERTIFIED EXPERT
  • 52,796 POSTS
What is the pressure at idle with the engine running? You did not state that pressure, just with the engine off.

Roy
Sep 4, 2020 at 3:51 AM
Avatar
XJSHEN
  • MEMBER
  • 245 POSTS
Idle state fuel line pressure was 52 psi. There was change engine oil light turned on while there was 19% oil life still remained before. I changed oil, and I started engine and road test. And got code p0300 and p0101. I replaced MAF sensor, after erase DTCs and just slowly running around 30 mph, and p0300 and p0101 both gone, but caused p0102 (FSC/Current) (MAF sensor circuit low frequency). After erase code p0102 the idle rpm increased from 1,500 rpm's to 2,000 rpm's at idle. when change gear to R or D, RPM decreased to 1, 400 to 1,500 rpm's. I erased code, and run again and caused p0102 code. Now P0300 and p0131 was cleared. The tow code was cleared by replace MAF sensor. but how p0101 changed to p0102? Thanks for your review and instruction!
Sep 4, 2020 at 11:21 AM
Avatar
ASEMASTER6371
  • CERTIFIED EXPERT
  • 52,796 POSTS
Okay, first, why are you erasing codes? That does nothing at all.

Check the hose from the mass air flow to the throttle body and make sure it does not have any rips or tears.

https://www.2carpros.com/articles/how-to-replace-a-mass-air-flow-sensor-maf

I attached the flow chart for you as well. Let me know what you find.

I also attached the connector diagram for you as well. Verify voltages to the connector.

https://www.2carpros.com/articles/how-to-check-wiring

The connector is a common failure.

The other codes will most likely return as clearing will not work until diagnostics and repairs are made.

Roy

CIRCUIT DESCRIPTION
The mass air flow (MAF) sensor is an air flow meter that measures the amount of air entering the engine. The power-train control module (PCM) uses the MAF sensor signal to provide the correct fuel delivery for all engine speeds and loads. A small quantity of air entering the engine indicates a deceleration or idle condition. A large quantity of air entering the engine indicates an acceleration or high load condition. The MAF sensor has the following circuits:
An ignition 1 voltage circuit
A ground circuit
A signal circuit

The PCM applies a voltage to the sensor on the signal circuit. The sensor uses the voltage to produce a frequency based on the inlet air flow through the sensor bore. The frequency varies within a range of near 2,000 Hertz at idle to near 10,000 Hertz at maximum engine load. If the PCM detects the frequency signal is less than the possible range of a correctly operating MAF sensor DTC P0102 sets.

CONDITIONS FOR RUNNING THE DTC
The engine is running.
The ignition 1 signal is more than 8 volts.
The idle air control (IAC) position is more than 2 counts.
The above conditions are met for more than 0.5 second.

CONDITIONS FOR SETTING THE DTC
The PCM detects that the MAF sensor frequency signal is less than 1,200 Hz.

ACTION TAKEN WHEN THE DTC SETS
The control module illuminates the malfunction indicator lamp (MIL) on the second consecutive ignition cycle that the diagnostic runs and fails.
The control module records the operating conditions at the time the diagnostic fails. The first time the diagnostic fails, the control module stores this information in the Failure Records. If the diagnostic reports a failure on the second consecutive ignition cycle, the control module records the operating conditions at the time of the failure. The control module writes the operating conditions to the Freeze Frame and updates the Failure Records.

CONDITIONS FOR CLEARING THE MIL/DTC
The control module turns OFF the malfunction indicator lamp (MIL) after 3 consecutive ignition cycles that the diagnostic runs and does not fail.
A current DTC, Last Test Failed, clears when the diagnostic runs and passes.
A history DTC clears after 40 consecutive warm-up cycles, if no failures are reported by this or any other emission related diagnostic.
Clear the MIL and the DTC with a scan tool.

DIAGNOSTIC AIDS
Inspect the harness of the MAF sensor to verify that it is not routed too close to the following components:
The secondary ignition wires or coils
Any solenoids
Any relays
Any motors
Inspect for any contamination or debris on the sensing elements of the MAF sensor.
A wide-open throttle acceleration from a stop should cause the MAF sensor parameter on the scan tool to increase rapidly. This increase should be from 7-12 g/s at idle to 150 g/s or more at the time of the 1-2 shift. If the increase is not observed, inspect for a restriction in the induction system or the exhaust system.
A high resistance of 15 ohms or more on the ground circuit of the MAF sensor may cause this DTC to set. A high resistance may cause a driveability concern before this DTC sets.
A high resistance of 15 ohms or more on the ignition 1 voltage circuit may cause this DTC to set. A high resistance may cause a driveability concern before this DTC sets.
If the condition is intermittent, refer to Intermittent Conditions. See: Computers and Control Systems > Initial Inspection and Diagnostic Overview > Intermittent Conditions


Sep 4, 2020 at 11:45 AM
Avatar
XJSHEN
  • MEMBER
  • 245 POSTS
Thanks!
After replacement of MAF sensor, p0102 was gone, but p0300 and p0131 came back when I do road test about 10 minutes. I collected OBD Monitor Test results with Innova 3040LAT+.
But I could not explain the results. Anyway EGR valvev, EVPD leak, O2 sensor problems pop out:

- Oxygen sensor monitors and constants $05

- Oxygen sensor heater system time to activity monitor $06

- Exhaust gas recirculation system monitor $07

- Enhanced evaporative system monitor #2 (020” leak) EVPD $0A

- Catalyst efficiency monitor $0C

- O2 sensor heater system current feedback monitor $0E
Sep 4, 2020 at 5:35 PM
Avatar
ASEMASTER6371
  • CERTIFIED EXPERT
  • 52,796 POSTS
Those are just your monitors that are not set from you clearing codes all the time.

What repairs were made for the 102 code?

Roy
Sep 4, 2020 at 6:01 PM
Avatar
XJSHEN
  • MEMBER
  • 245 POSTS
Replaced MAF sensor and code P0102 was gone.
Sep 4, 2020 at 6:48 PM
Avatar
ASEMASTER6371
  • CERTIFIED EXPERT
  • 52,796 POSTS
You stated that it appeared after replacing the mas air flow sensor.

Please explain.

Roy
Sep 4, 2020 at 7:16 PM