not shifting

1994 CHEVROLET ASTRO
275,000 MILES • 4.3L • V6 • 2WD • AUTOMATIC
Avatar
PRISCILLA RIETDORF
  • MEMBER
  • 3 POSTS
the van has a 4L60E transmission that has been rebuilt. First it was taken to a shop.yes there was torn up. the shop was to do a master rebuild, however lets just say we were taken advantage of in several ways. the shop said we needed a new computer and he could not find one, we did. He then says the problem was the prom in the computer. Well, we found (and bought) matching numbers for everything, put it in.the shop says it needs to be reprogrammed, that was the first we heard from him. come to find out the computer and prom is not bad on either the original or the new/used one purchased. only because we tried to save time is why we had someone else do it. Since were still having same issue, we(experienced for most part).got a junkyard transmission 4L60E and rebuilt it, put it in and regardless to say still same problem. It is like it is in limp mode. no first or second gear. any suggestions please?
Aug 20, 2017 at 11:14 AM
Advertisement
Avatar
STRAILER
  • CERTIFIED EXPERT
  • 53,854 POSTS
Did the same place rebuild it? I would wonder about them. if another establishment has done the work you have a short in one of the wires or connectors.

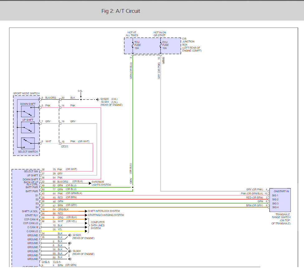
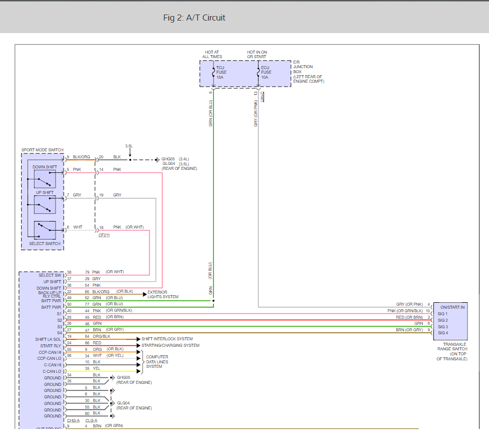
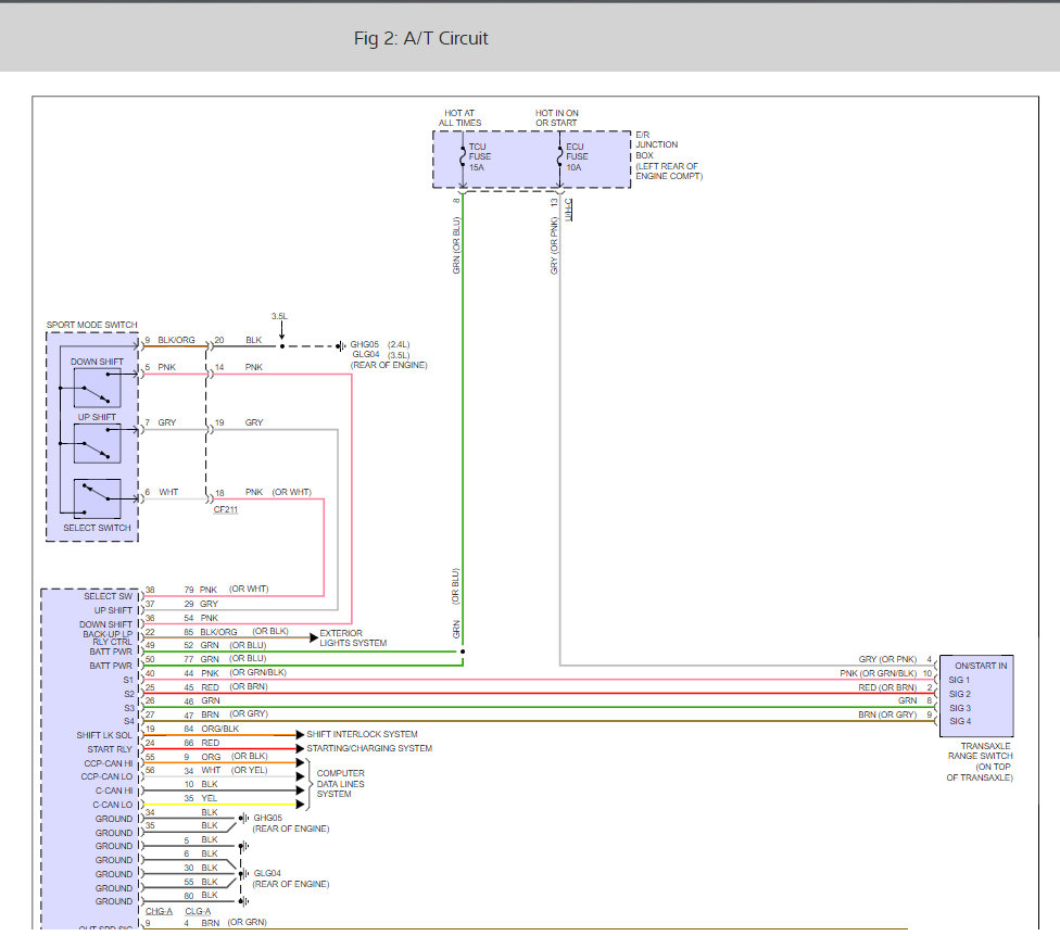
Here is a guide and a wiring diagram the you to do some testing:

https://www.2carpros.com/articles/how-to-check-wiring

There is a sport mode switch? If so I would replace that of course there are two fuses I would look those over as well.

https://www.2carpros.com/articles/how-to-check-a-car-fuse

Please let us know what happens.

Cheers, Ken
Aug 21, 2017 at 4:30 PM