alternator fuse?

2001 CHEVROLET IMPALA
280,000 MILES • 3.4L • V6 • 2WD • AUTOMATIC
Avatar
HEATHEN0618
  • MEMBER
  • 1 POST
It seems the alternator is not working. I'm about to check connections, and was looking for a fuse to make sure no issue there.
May 10, 2020 at 4:22 AM
Advertisement
Avatar
ASEMASTER6371
  • CERTIFIED EXPERT
  • 52,796 POSTS
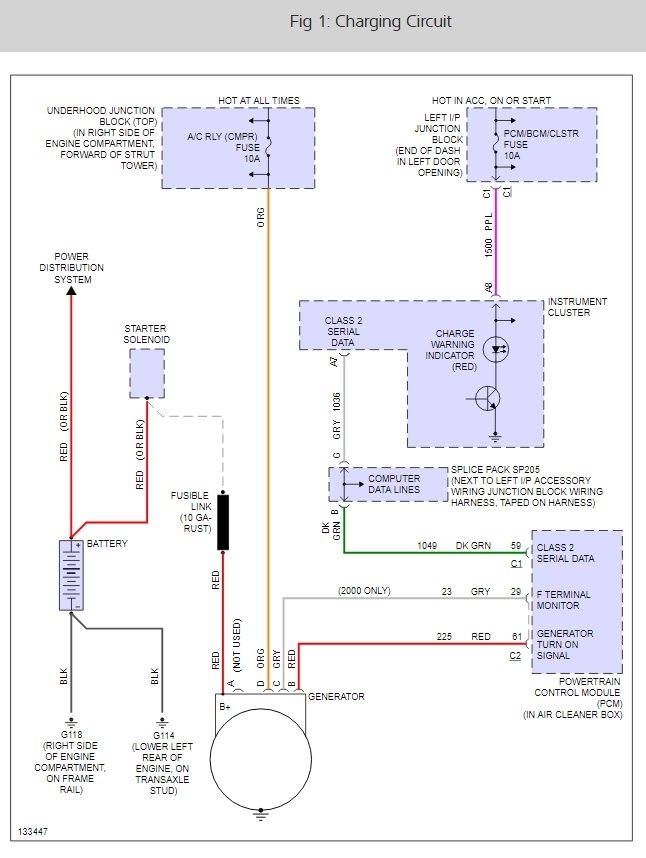
Good morning, I attached a wiring diagram for you to view.

https://www.2carpros.com/articles/how-to-check-wiring

Check the fuses listed for power on both sides.

https://www.2carpros.com/articles/how-to-check-a-car-fuse

Check out the images (Below). Please let us know how it goes
May 10, 2020 at 4:40 AM
Avatar
TRAVIS138
  • MEMBER
  • 1 POST
where is alternator fuse for 2000 chevy impala
Jan 21, 2021 at 1:47 PM (Merged)
Advertisement
Avatar
STRAILER
  • CERTIFIED EXPERT
  • 53,854 POSTS
Hello,

The alternator fuse is the AC compressor clutch fuse they share the circuit. I have found the wiring diagram for the alternator and the fuse locations, (below) Here are some guide that will help you do some testing.

https://www.2carpros.com/articles/how-to-check-a-car-fuse

Check out the diagrams (Below). Let us know what happens and please upload pictures or videos of the problem.
Jan 21, 2021 at 1:47 PM (Merged)