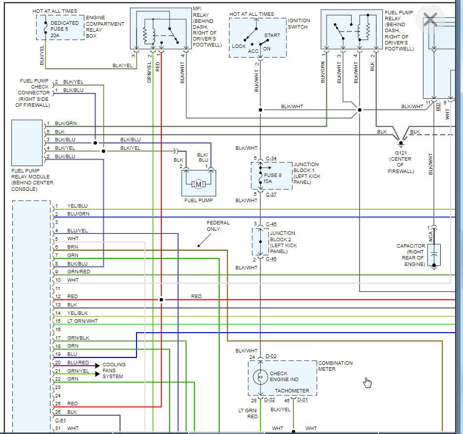
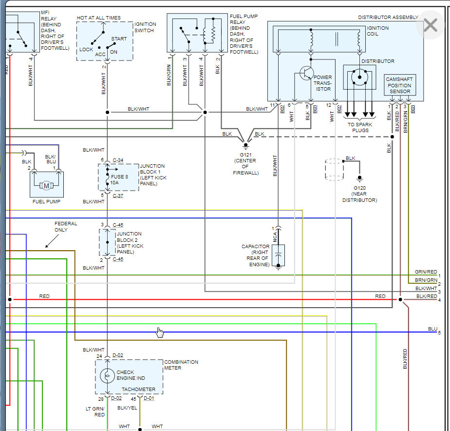
Engine cranks over but no spark to cylinders two and three (one and four are okay). Fuel is okay and engine fires/tries to run on only two cylinders.
Auto Electrician has checked with his scan tool all of the following and found no problem and no codes shown.
ECU, all coils, fuel pump engine/fuel relay, crank sensor and cam sensor are all working okay. Is it the Security system and how/what do I check? What else? please I am stumped!
Auto Electrician has checked with his scan tool all of the following and found no problem and no codes shown.
ECU, all coils, fuel pump engine/fuel relay, crank sensor and cam sensor are all working okay. Is it the Security system and how/what do I check? What else? please I am stumped!
Sep 26, 2019 at 9:02 PM








